Вернуться на главную
Поиск
Каталоги запчастей к технике
Спецтехника
Промтрактор
ТГ-503Я
312001-57-2СП Установка вентиляторов кабины
Каталог запасных частей к технике: Промтрактор ТГ-503Я. 312001-57-2СП Установка вентиляторов кабины
zoom-in
zoom-out
enlarge
shrink
circle-right
circle-left
file-text2
info
cart
Тип техники
Не выбрано
Легковые автомобили
Грузовые автомобили и прицепы
Автобусы
Сельхозтехника
Спецтехника
Двигатели
Мототехника
Марка
Не выбрано
Ammann
BOMAG
CARMIX
CASE IH
Changlin
ChengGong
Dimex
Doosan
DYNAPAC
Foton
HAMM
Hidromek
Hitachi
Hyundai
JCB
JLG
John Deere
Komatsu
LIEBHERR
LiuGong
Lonking (LongGong)
Luneng
MANITOU
Mitsuber
New Holland
PENGPU
RM-Terex
SANY
SDLG
SEM
Shantui
Shehwa HBXG
Soosan
TIGARBO
VOGELE
Volvo
WAY
WIRTGEN
XCMG
XGMA
Xiamen
YTO
Yuchai
Zoomlion
Автокран
АЗСМ
Алтайлесмаш
Амкодор
АОМЗ
Атек
АТЗ
Балканкар Рекорд
БелАЗ
Беловеж
Борекс
Брянский Арсенал
Булат
ВЭКС
ГАЗ
Геомаш
Гидромаш
Донекс
Дормаш
Дормашина
Дорэлектромаш
ДЭЗ
ЕлАЗ
ЗЗГТ
Ижнефтемаш
Канаш-электрокар
КЗКТ
ККЗ
Клевер
Клинцовский автокрановый завод
КМЗ
КМЗ 1 Мая
Ковровец
Коммаш
Кранэкс
КЭЗ
КЭМЗ
ЛЗА
МАЗ
МЗИК
МЗКМ
МЗКТ
Михневский РМЗ
МоАЗ
Мозырский МЗ
МТЗ
ОЗП
Онежец
ПАО "ТЗА"
ППС Детва
Промтрактор
ПТЗ
Раскат
СпецАгрегат
ТВЭКС
ТТМ
УВЗ
Угличмаш
УЗТМ
ХТЗ
ЧЗКМ
ЧСДМ
ЧТЗ
ЭКСКО
ЭКСМАШ
ЮрМаш
Модель
Не выбрано
ПК-12.02 (2007)
ПК-12.02К (2007)
ПК-60.01 (2007)
Т-11.01К (2008)
Т-11.01Я
Т-11.02К (2008)
Т-11.02Я (2008)
Т-15.01К (2007)
Т-15.01Я (2000)
Т-15.02K (2009)
Т-15.02Я (2009)
Т-20.01К
Т-20.01Я (2000)
Т-20.01Я (2005) (2005)
Т-20.02К (Четра) (2009)
Т-20.02Я (Четра) (2009)
Т-25.01К1 (2008)
Т-25.01Я (2006)
Т-330 (2006)
Т-35.01К (2007)
Т-35.01Я
Т-40.01К (2008)
Т-50.01 (1998)
Т-500 (1999)
Т-9.01Я (2007)
ТГ-121Я (2004)
ТГ-221КМ (2006)
ТГ-221Я (2004)
ТГ-301К (2006)
ТГ-301Я (2004)
ТГ-302Я (2010)
ТГ-503К (2006)
ТГ-503Я (2006)
ТГ-511 (2008)
Шасси ТП-20.02 (2008)
Схема
>
Не выбрано
312501-13-2-01СП Управление навесным оборудованием
312501-13-2-01СП Управление навесным оборудованием
312501-24-1СП Пол
312501-24-1СП Пол
312501-24-1СП Пол
ТТ2501-59-1СП Кабина
ТТ2501-59-1СП Кабина
ТТ2501-89-1СП Обивка кабины
ТТ2501-89-1СП Обивка кабины
1101-23-1-01СП Установка сиденья
2502-48-2СП Установка кондиционера
312001-57-2СП Установка вентиляторов кабины
312505-53-1CП Система отопления и вентиляции кабины
313502-47-1СП Установка зависимого отопителя кабины
313502-55-1СП Облицовка
313502-55-1СП Облицовка
TT2501-13-2-02СП Управление трактором
TT2501-13-2-02СП Управление трактором
TT2501-13-2-02СП Управление трактором
313502-01-1СП Установка двигателя ЯМЗ-850.10
313502-05-3СП Установка систем воздухоочистки и выпуска
313502-05-3СП Установка систем воздухоочистки и выпуска
313502-05-15СП Воздухоочиститель
313502-25-1СП Установка топливного бака
313502-25-1СП Установка топливного бака
313502-25-10СП Бак топливный
313502-43-3СП Установка системы подогрева
313502-60-2СП Система охлаждения
313502-60-2СП Система охлаждения
313502-60-2СП Система охлаждения
313502-60-10СП Система охлаждения
313502-60-10СП Система охлаждения
313502-60-10СП Система охлаждения
313502-60-10СП Система охлаждения
313502-11-2-02СП Рама
TT3501-21-1СП/-01СП Система ходовая
TT3501-21-1СП/-01СП Система ходовая
TT3501-21-2СП/-3СП Тележка
3501-21-15СП/15-01СП Колесо натяжное
TT35-21-001СП/-001-01СП Каток опорный
3501-21-40СП Механизм сдавания
TT3501-64-1-01СП Установка кожухов
403-21-15СП Каток поддерживающий
403-21-47СП Механизм сдавания
3501-22-1-05СП Гусеница
3501-16-1-03СП Установка трансмиссии
3501-16-1-03СП Установка трансмиссии
2501-12-16СП Передача главная
2501-12-17-01СП Блок трансмиссии
2501-12-19-01СП Коробка передач с системой гидроуправления
2501-12-19-01СП Коробка передач с системой гидроуправления
2501- 12-20СП Коробка передач планетарная
Водило, Бустер
2501-14-12СП Гидротрансформатор
2501-14-12СП Гидротрансформатор
2501-15-20СП Блок управления
2501-15-138-01СП Клапан
2501-18-16-01СП Фрикцион бортовой и тормоз остановочный
2501-18-106СП Пакет дисков
2502-20-6СП/-02СП Установка редуктора привода насосов
2502-20-13СП/-02СП Редуктор привода насосов
2502-20-13СП/-02СП Редуктор привода насосов
1101-16-112СП Клапан
1501-15-41СП Блок управления
2601-15-10-02СП/-03СП Фильтр
ТТ3501-19-12СП Передача бортовая
81-4250010-40 Вал карданный
2501-15-22-01СП Клапан
313502-10-1СП Электрооборудование
313502-10-2-01СП Электрооборудование
313502-10-16СП Электрооборудование топливного бака
313502-10-18СП Электрооборудование
313502-10-19СП Электрооборудование передней облицовки
311502-10-19СП Электрооборудование обоймы подвесной
313502-10-21СП Установка электрооборудования на раме
313516-10-19СП Электрооборудование стрелы грузовой
313502-10-17СП Электрооборудование пола кабины
313502-10-17СП Электрооборудование пола кабины
313502-10-22СП Электрооборудование стрелы грузовой
313506-10-11-01СП Установка электрооборудования в кабине
313502-10-11СП Электрооборудование двигателя
313502-10-107СП Щиток выключателей
312505-10-103CП Блок управления отопителя
2501-10-5-01СП Установка электрооборудования в контейнер АКБ
TT2501-10-21СП/-01СП Электрооборудование крыши кабины
TT2501-10-21СП/-01СП Электрооборудование крыши кабины
TT2501-10-21СП/-01СП Электрооборудование крыши кабины
ТТ2501-10-145СП Электрооборудование гидробака
404-10-270СП Установка фары
312502-10-108СП Щиток приборов 1
312502-10-115СП Щиток приборов
313502-26-1СП Установка гидросистемы
Установка гидросистемы
Установка гидросистемы
313502-26-105СП Бак гидросистемы
313502-26-7СП/-01СП Гидроцилиндр
312501-26-24СП Гидрозамок
312501-26-40СП Распределитель
312501-90-1-02СП/-03СП Привод лебедок
312501 -90-1-02СП/-03СП Привод лебедок
312501 -90-1-02СП/-03СП Привод лебедок
312501-90-10СП Бустер
312501-90-12CП Водило
312501-90-20СП Редуктор
31 2501-90-21СП Водило
312501-90-25СП Муфта обгонная
312501-91-1-02СП/-03СП Распределитель лебедки
312501-91-10-01СП Распределитель гидромоторов
312501-91-10-01СП Распределитель гидромоторов
312501-91-11СП Клапан
313502-92-1СП Установка стрелы и полиспастов
313502-92-1СП Установка стрелы и полиспастов
313502-92-390СП Подвеска крюка
313502-92-430СП Обойма подвесная
31.3502-92-580СП Обойма стреловая
313502-93-1СП Установка противовеса
313502-93-1СП Установка противовеса
313502-94-1СП Установка лебедок с гидроуправлением
313502-94-1СП Установка лебедок с гидроуправлением
313502-94-1СП Установка лебедок с гидроуправлением
313502-95-1СП Портал
312001-94-27СП Клапан
3501-26-65СП Пилот управления
3501-51-1СП Установка прицепного устройства
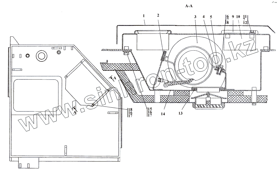
1
1
2
3
4
5
5
6
7
7
8
8
9
9
10
11
12
12
13
14
14
15
16
16
17
17
17
18
Позиция на иллюстрации
Заводской номер детали
Название детали
312001-57-2-20СП(SP)
312001-57-2-20СП(SP)
Установка вентиляторов кабины
312001-57-2СП(SP)
312001-57-2СП(SP)
Установка вентиляторов кабины
1
312001-57-2-20
Крышка
1
312001-57-2
Крышка
2
700-40-6955-04
Уплотнение
3
423780
Вентилятор отопителя 423780
4
700-40-6695
Кольцо
5
46-57-62
Втулка
5
46-57-62-20
Втулка
6
Болт М6-6gx20
Болт М6-6gx20
7
Шайба 6Т
Шайба 6Т
8
31 0120-20
Шайба 6.01.08кп.0221 ГОСТ 6958-78
8
31 0120
Шайба 6.01.08кп.019 ГОСТ 6958-78
9
2501-57-123СП(SP)
Рамка
9
2501-57-123-20СП(SP)
Рамка
10
12.1109.080
Элемент фильтрующий воздушного фильтра
11
Болт М6-6gx16
Болт М6-6gx16
12
31 0110
Шайба 6.01.08кп.019 ГОСТ 11371-78
12
31 0110-20
Шайба 6.01.08кп.0221 ГОСТ 11371-78
13
2501-57-82
Прокладка
14
312001-57-101-20СП -20(SP)
Основание
14
312001-57-101СП(SP)
Основание
15
Болт М8-6gx20
Болт М8-6gx20
16
Шайба 8Т
Шайба 8Т
17
31 0150
Шайба 8 ГОСТ 11371-78
17
31 0150-20
Шайба 8.01.08кп.0221 ГОСТ 11371-78
18
Болт М8-6gx16
Болт М8-6gx16
Содержащиеся в справочниках-каталогах запасные части и детали не предлагаются к продаже, а носят исключительно информационный характер
Дополнительная информация
×
Название:
Номер:
Примечание: