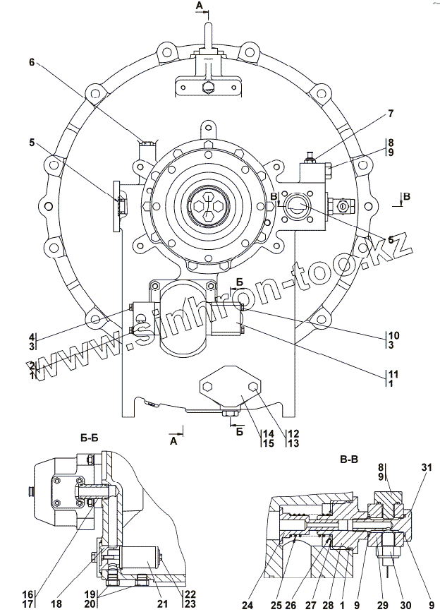
Каталог запасных частей к технике: Промтрактор ТГ-503Я. 2501-14-12СП Гидротрансформатор
1
1
1
2
2
3
3
4
5
5
6
7
7
8
8
8
9
9
9
9
10
10
11
12
13
14
15
16
17
18
19
19
20
21
22
22
23
24
25
26
27
28
29
29
30
31
31
| Позиция на иллюстрации | Заводской номер детали | Название детали | |
|---|---|---|---|
| 2501-14-12-20СП(SP) | 2501-14-12-20СП(SP) | Гидротрансформатор | |
| 2501-14-12СП(SP) | 2501-14-12СП(SP) | Гидротрансформатор | |
| 1 | 045-050-30-2-51-1668 | Кольцо ГОСТ 9833-73/ГОСТ 18829-73 | |
| 2 | 2501-14-123CП(SP) | Фланец | |
| 2 | 2501-14-123-20СП(SP) | Фланец | |
| 3 | Шайба 8Т | Шайба 8Т | |
| 4 | Болт М8-6gx55 | Болт М8-6gx55 | |
| 5 | 44 0006 | Пробка | |
| 6 | 700-37-2077 | Пробка | |
| 7 | Датчик ТМ100-В | Датчик ТМ100-В | |
| 7 | Датчик ТМ100-ВТ | Датчик ТМ100-ВТ | |
| 8 | 37 5331 | Пробка | |
| 8 | 37 5331-20 | Пробка | |
| 9 | 018-022-25-2-51-1668 | Кольцо ГОСТ 9833-73/ТУ 38.005.204-84 | |
| 10 | 28 0165 | Болт M8-6gx75 | |
| 10 | 28 0165-20 | Болт M8-6gx75 | |
| 11 | 2001-14-57 | Фланец | |
| 12 | Болт М12-6gx30 | Болт М12-6gx30 | |
| 13 | Шайба 12 ОТ | Шайба 12 ОТ | |
| 14 | 2001-14-27 | Крышка | |
| 15 | 066-071-30-2-51-1668 | Кольцо 066-071-30-2-51-1668 | |
| 16 | 2001-14-58-02 | Втулка | |
| 17 | 025-030-30-2-51-1668 | Кольцо ГОСТ 9833-73 | |
| 18 | 2001-14-49 | Втулка | |
| 19 | 37 5625 | Пробка | |
| 19 | 37 5625-20 | Пробка | |
| 20 | 016-020-25-2-51-1668 | Кольцо ГОСТ 9833-73/ГОСТ 18829-73 | |
| 21 | 312501-90-24СП(SP) | Маслозаборник | |
| 22 | 28 0187 | Болт М8-6gx115 | |
| 22 | 28 0187-20 | Болт М8-6gx115 | |
| 23 | 2001-14-37 | Втулка | |
| 24 | 2501-14-58 | Втулка | |
| 25 | 38327 | Пружина | |
| 26 | 47-59-205 | Кольцо | |
| 27 | 46-05-764 | Шайба | |
| 28 | 2501-14-59 | Пробка | |
| 29 | 1101-15-52 | Переходник | |
| 29 | 1101-15-52-20 | Переходник | |
| 30 | 3602.3829 | Датчики аварийного давления масла 3602.3829 | |
| 31 | 2501-20-8-01 | Болт зажимной | |
| 31 | 2501-20-8-01-20 | Болт зажимной |
Содержащиеся в справочниках-каталогах запасные части и детали не предлагаются к продаже, а носят исключительно информационный характер