Каталог запасных частей к технике: Промтрактор ТГ-503К. 312501-26-40СП Распределитель
1
1
1
2
2
3
4
4
5
5
6
7
8
8
9
9
10
10
11
12
12
13
14
15
15
16
17
17
18
18
19
20
20
21
22
22
23
24
24
25
26
26
27
27
28
29
29
29
29
30
30
31
31
31
32
32
33
34
34
35
36
37
38
39
40
41
42
43
44
44
45
46
47
47
48
49
50
50
51
51
52
52
53
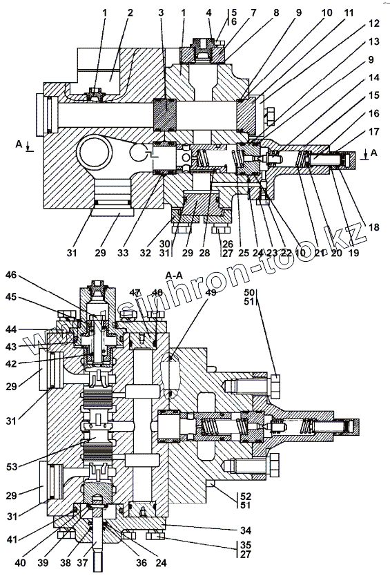
| Позиция на иллюстрации | Заводской номер детали | Название детали | |
|---|---|---|---|
| 312501-26-40-20СП -20(SP) | 312501-26-40-20СП -20(SP) | Распределитель | |
| 312501-26-40СП(SP) | 312501-26-40СП(SP) | Распределитель | |
| 1 | 44 0057 | Заглушка | |
| 1 | 44 0057-20 | Заглушка | |
| 2 | 312501-26-111 | Корпус | |
| 2 | 312501-26-111-20 | Корпус | |
| 3 | 312501-26-121 | Заглушка | |
| 4 | 312501-26-117-20 | Корпус | |
| 4 | 312501-26-117 | Корпус | |
| 5 | 28 0365-20 | Болт М12х1,25-6gх50 ГОСТ 7795-70 | |
| 5 | 28 0365 | Болт М12х1,25-6gх50 ГОСТ 7796-70 | |
| 6 | Шайба 12.OT | Шайба 12.OT | |
| 7 | 312501-26-136 | Крышка | |
| 8 | 312501-26-138-20 | Прокладка | |
| 8 | 312501-26-138 | Прокладка | |
| 9 | 039-045-36-2-51-1688 | Кольцо 039-045-36-2-51-1688 | |
| 10 | 700-40-6307 | Шайба защитная | |
| 11 | 312501-26-137 | Заглушка | |
| 12 | 312501-26-120-20 | Фланец | |
| 12 | 312501-26-120 | Фланец | |
| 13 | 3501-26-156 | Втулка | |
| 14 | 2001-26-170 | Клапан предохранительный | |
| 15 | 3501-26-123 | Корпус | |
| 15 | 3501-26-123-20 | Корпус | |
| 16 | 3501-26-160 | Винт регулировочный | |
| 17 | 3501-26-162 | Контргайка | |
| 17 | 3501-26-162-20 | Контргайка | |
| 18 | 3501-26-163-20 | Колпачок | |
| 18 | 3501-26-163 | Колпачок | |
| 19 | 018-022-25-2-51-1688 | Кольцо 018-022-25-2-51-1688 | |
| 20 | 25-59-597-20 | Упор | |
| 20 | 25-59-597 | Упор | |
| 21 | 38 5577 | Пружина предохранительного клапана | |
| 22 | 37 5245 | Пробка | |
| 22 | 37 5245-20 | Пробка | |
| 23 | 007-011-25-2-51-1688 | Кольцо 007-011-25-2-51-1688 | |
| 24 | 016-020-25-2-51-1688 | Кольцо 016-020-25-2-51-1688 | |
| 25 | 38 5578 | Пружина | |
| 26 | 28 0544-20 | Болт М16х1,5-6gх45.109.40Х.029 ГОСТ 7796-70 | |
| 26 | 28 0544 | Болт М16х1,5-6gх45.109.40Х.019 ГОСТ 7796-70 | |
| 27 | Шайба 16.OT | Шайба 16.OT | |
| 28 | 3501-26-140 | Клапан | |
| 29 | 25-26-207 | Заглушка | |
| 29 | 25-26-207-20 | Заглушка | |
| 30 | 44 0005 | Шайба защитная | |
| 31 | 042-050-46-2-51-1688 | Кольцо 042-050-46-2-51-1688 | |
| 32 | 46-26-280-20 | Фланец | |
| 32 | 46-26-280 | Фланец | |
| 33 | 46-26-646 | Втулка | |
| 34 | 312501-26-196-20 | Крышка | |
| 34 | 312501-26-196 | Крышка | |
| 35 | Болт M16-6gx45 | Болт M16-6gx45 | |
| 36 | 3501-26-259 | Кольцо | |
| 37 | 312501-26-191 | Хвостовик | |
| 38 | 014-018-25-2-51-1688 | Кольцо 014-018-25-2-51-1688 | |
| 39 | 32 5180 | Штифт | |
| 40 | 312501-26-192 | Кольцо | |
| 41 | 060-070-58-2-15688 | Кольцо 060-070-58-2-15688 | |
| 42 | 38 327 | Пружина | |
| 43 | 312501-26-188 | Крышка | |
| 44 | 312501-26-189-20 | Фланец | |
| 44 | 312501-26-189 | Фланец | |
| 45 | 3501-26-143-01 | Тарелка | |
| 46 | 312501-91-140 | Болт | |
| 47 | 3501-26-155 | Заглушка | |
| 47 | 3501-26-155-20 | Заглушка | |
| 48 | 032-038-36-2-1688 | Кольцо 032-038-36-2-1688 | |
| 49 | 049-055-36-2-51-1688 | Кольцо 049-055-36-2-51-1688 | |
| 50 | 28 0733 | Болт M20-6gx70 | |
| 50 | 28 0733-20 | Болт M20-6gx70 | |
| 51 | Шайба 20.OT | Шайба 20.OT | |
| 52 | 28 0742-20 | Болт M20-6gx85 | |
| 52 | 28 0742 | Болт M20-6gx85 | |
| 53 | 312501-26-194 | Золотник |
Содержащиеся в справочниках-каталогах запасные части и детали не предлагаются к продаже, а носят исключительно информационный характер