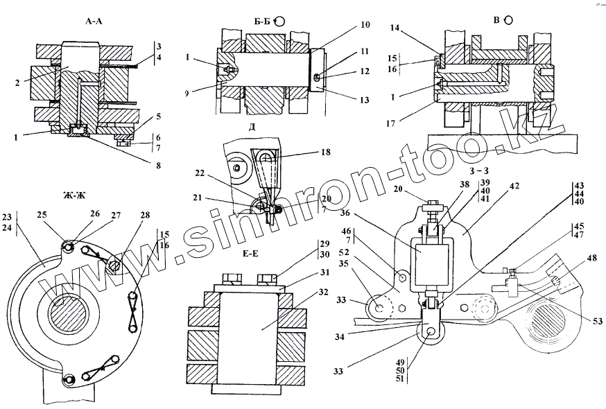
Каталог запасных частей к технике: Промтрактор ТГ-301Я. 312002-92-1СП Установка стрелы и полиспастов
1
1
1
1
2
3
4
5
5
6
7
7
7
8
9
10
11
12
12
13
13
14
15
15
15
16
16
17
18
18
20
20
20
21
22
23
23
23
24
24
25
25
26
27
28
28
29
30
31
32
33
33
34
34
35
36
38
39
40
41
41
42
42
43
44
44
45
46
46
47
47
48
48
49
50
51
52
53
| Позиция на иллюстрации | Заводской номер детали | Название детали | |
|---|---|---|---|
| 1 | Масленка 1.2кд6хр | Масленка 1.2кд6хр | |
| 1 | Масленка 1.2Ц6хр | Масленка 1.2Ц6хр | |
| 2 | 312002-92-19СП | Палец | |
| 3 | 312501-94-134 | Прокладка | |
| 4 | 312501-94-134-01 | Прокладка | |
| 5 | 46-98-2-20 | Планка | |
| 5 | 46-98-2 | Планка | |
| 6 | Болт М16x1,5-6gx35 | Болт М16x1,5-6gx35 | |
| 7 | Шайба 16.ОТ | Шайба 16.ОТ | |
| 8 | 37 5780 | Пробка | |
| 9 | 312002-92-10 | Ось | |
| 10 | 312501-92-519 | Кольцо | |
| 11 | Шплинт 3,2x18 | Шплинт 3,2x18 | |
| 12 | 312502-92-515-20 | Ось | |
| 12 | 312501-92-515 | Ось | |
| 13 | 312501-92-516 | Кольцо | |
| 13 | 312501-92-516-20 | Кольцо | |
| 14 | 313502-92-432 | Ригель | |
| 15 | 28 0545-20 | Болт 3М16х1,5-6gх45 ГОСТ 7796-70 | |
| 15 | 28 0545 | Болт 3М16х1,5-6gх45.109.40Х.019 ГОСТ 7796-70 | |
| 16 | Проволока 1,6-0-С | Проволока 1,6-0-С | |
| 17 | 313502-92-3 | Ось | |
| 18 | 312001-92-5-20 | Клин | |
| 18 | 312001-92-5 | Клин | |
| 20 | 30 5250 | Гайка М16х1,5-6Н ГОСТ 5915-70 | |
| 20 | 30 5250-20 | Гайка М18х1,5-6Н ГОСТ 5915-70 | |
| 21 | 312002-92-16 | Скоба | |
| 22 | 312002-92-17 | Зажим | |
| 23 | 313502-92-391-20 | Блок | |
| 23 | 313502-92-391 | Блок | |
| 23 | 312002-92-37 | Крышка | |
| 24 | 313502-92-402-20 | Блок | |
| 24 | 313502-92-402 | Блок | |
| 25 | 31 0330 | Шайба 20.01.08кп.019 ГОСТ 10450-78 | |
| 25 | 31 0330-20 | Шайба 20.01.08кп.0221 ГОСТ 10450-78 | |
| 26 | 313502-92-16 | Палец | |
| 27 | Шплинт 5x50 | Шплинт 5x50 | |
| 28 | 313502-92-13-20 | Стяжка | |
| 28 | 313502-92-13 | Стяжка | |
| 29 | Болт М12-6gx25 | Болт М12-6gx25 | |
| 30 | Шайба 12.ОТ | Шайба 12.ОТ | |
| 31 | 312501-92-45 | Планка | |
| 32 | 312501-92-7 | Палец | |
| 33 | 312002-92-33 | Ролик | |
| 34 | 312002-92-32 | Проушина | |
| 34 | 312002-92-32-20 | Проушина | |
| 35 | 312002-92-28 | Ось | |
| 36 | ПрУ ЛГФИ.404176.001 | Преобразователь усилия ПрУ ЛГФИ.404176.001 | |
| 38 | 312001-92-279 | Стяжка | |
| 39 | 47 0452-01 | Ось 6-14в12x71 | |
| 40 | Шплинт 3,2x25 | Шплинт 3,2x25 | |
| 41 | 31 0250-01-20 | Шайба 14х3 ГОСТ 1371-78 | |
| 41 | 31 0250-01 | Шайба 14х3.01.10.019 ГОСТ 11371-78 | |
| 42 | 312002-92-22СП | Качалка | |
| 42 | 312002-92-22-20СП | Качалка | |
| 43 | 47-59-99 | Палец | |
| 44 | 31 0210 | Шайба 12х2.01.08кп.019 ГОСТ 11371-78 | |
| 44 | 31 0210-20 | Шайба 12х2 ГОСТ 11371-78 | |
| 45 | Болт М16x1,25-6gx40 | Болт М16x1,25-6gx40 | |
| 46 | 28 0544-20 | Болт М16х1,5-6gх45.109.40Х.029 ГОСТ 7796-70 | |
| 46 | 28 0544 | Болт М16х1,5-6gх45.109.40Х.019 ГОСТ 7796-70 | |
| 47 | 30 0220-20 | Гайка М12х1,25-6Н.04.029 ГОСТ 15522-70 | |
| 47 | 30 0220 | Гайка М12х1,25-6Н.04.019 ГОСТ 15522-70 | |
| 48 | 312501-90-155 | Клин | |
| 48 | 312501-90-155-20 | Клин | |
| 49 | 312002-92-29 | Ось | |
| 50 | 31 5390 | Шайба | |
| 51 | Шплинт 4x36 | Шплинт 4x36 | |
| 52 | 312002-92-38 | Крышка | |
| 53 | 312002-92-44 | Упор |
Содержащиеся в справочниках-каталогах запасные части и детали не предлагаются к продаже, а носят исключительно информационный характер