Вернуться на главную
Поиск
Каталоги запчастей к технике
Спецтехника
Промтрактор
ТГ-301Я
312001-90-1-01СП Установка лебедок
Каталог запасных частей к технике: Промтрактор ТГ-301Я. 312001-90-1-01СП Установка лебедок
zoom-in
zoom-out
enlarge
shrink
circle-right
circle-left
file-text2
info
cart
Тип техники
Не выбрано
Легковые автомобили
Грузовые автомобили и прицепы
Автобусы
Сельхозтехника
Спецтехника
Двигатели
Мототехника
Марка
Не выбрано
Ammann
BOMAG
CARMIX
CASE IH
Changlin
ChengGong
Dimex
Doosan
DYNAPAC
Foton
HAMM
Hidromek
Hitachi
Hyundai
JCB
JLG
John Deere
Komatsu
LIEBHERR
LiuGong
Lonking (LongGong)
Luneng
MANITOU
Mitsuber
New Holland
PENGPU
RM-Terex
SANY
SDLG
SEM
Shantui
Shehwa HBXG
Soosan
TIGARBO
VOGELE
Volvo
WAY
WIRTGEN
XCMG
XGMA
Xiamen
YTO
Yuchai
Zoomlion
Автокран
АЗСМ
Алтайлесмаш
Амкодор
АОМЗ
Атек
АТЗ
Балканкар Рекорд
БелАЗ
Беловеж
Борекс
Брянский Арсенал
Булат
ВЭКС
ГАЗ
Геомаш
Гидромаш
Донекс
Дормаш
Дормашина
Дорэлектромаш
ДЭЗ
ЕлАЗ
ЗЗГТ
Ижнефтемаш
Канаш-электрокар
КЗКТ
ККЗ
Клевер
Клинцовский автокрановый завод
КМЗ
КМЗ 1 Мая
Ковровец
Коммаш
Кранэкс
КЭЗ
КЭМЗ
ЛЗА
МАЗ
МЗИК
МЗКМ
МЗКТ
Михневский РМЗ
МоАЗ
Мозырский МЗ
МТЗ
ОЗП
Онежец
ПАО "ТЗА"
ППС Детва
Промтрактор
ПТЗ
Раскат
СпецАгрегат
ТВЭКС
ТТМ
УВЗ
Угличмаш
УЗТМ
ХТЗ
ЧЗКМ
ЧСДМ
ЧТЗ
ЭКСКО
ЭКСМАШ
ЮрМаш
Модель
Не выбрано
ПК-12.02 (2007)
ПК-12.02К (2007)
ПК-60.01 (2007)
Т-11.01К (2008)
Т-11.01Я
Т-11.02К (2008)
Т-11.02Я (2008)
Т-15.01К (2007)
Т-15.01Я (2000)
Т-15.02K (2009)
Т-15.02Я (2009)
Т-20.01К
Т-20.01Я (2000)
Т-20.01Я (2005) (2005)
Т-20.02К (Четра) (2009)
Т-20.02Я (Четра) (2009)
Т-25.01К1 (2008)
Т-25.01Я (2006)
Т-330 (2006)
Т-35.01К (2007)
Т-35.01Я
Т-40.01К (2008)
Т-50.01 (1998)
Т-500 (1999)
Т-9.01Я (2007)
ТГ-121Я (2004)
ТГ-221КМ (2006)
ТГ-221Я (2004)
ТГ-301К (2006)
ТГ-301Я (2004)
ТГ-302Я (2010)
ТГ-503К (2006)
ТГ-503Я (2006)
ТГ-511 (2008)
Шасси ТП-20.02 (2008)
Схема
>
Не выбрано
312001-59-1СП Кабина
312001-59-1СП Кабина
312001-59-1СП Кабина
312001-59-1СП Кабина
312001-59-1СП Кабина
312001-89-1СП Обивка кабины
312001-89-1СП Обивка кабины
312001-89-1СП Обивка кабины
3501-13-143СП Блок управления
312001-13-1-02СП Управление трактором
312001-13-1-02СП Управление трактором
312001-13-50СП Привод управления
312001-13-50СП Привод управления
312001-13-50СП Привод управления
312001-13-50СП Привод управления
2501-23-1СП Установка сиденья
312001-24-1СП Пол
312002-43-40СП Установка отопителя кабины
312001-53-1СП Установка системы вентиляции и отопления кабины
312001-53-52СП Установка независимого отопителя кабины
312001-57-2СП Установка вентиляторов кабины
312001-55-1СП Облицовка
312001-55-1СП Облицовка
311502-01-1-01СП Установка двигателя ЯМЗ-238
1502-05-1СП Установка систем воздухоочистки и выпуска
1502-05-12СП Воздухоочиститель
312002-43-2СП Установка системы подогрева
312002-43-2СП Установка системы подогрева
311502-25-1-01СП Установка топливного бака
311502-25-1-01СП Установка топливного бака
311502-25-10СП Бак топливный
311502-25-10СП Бак топливный
311502-60-2-01СП Система охлаждения двигателя и трансмиссии
311502-60-2-01СП Система охлаждения двигателя и трансмиссии
311502-60-2-01СП Система охлаждения двигателя и трансмиссии
2002-60-143СП Блок радиаторов
312002-11-1СП Рама
312002-21-1СП Система ходовая
312002-21-1СП Система ходовая
312002-21-3СП/2СП Тележка
2001-21-15СП Каток поддерживающий
1101-21-42-02СП/-42-03СП Механизм натяжения
2001-21-33СП Механизм сдавания
2001-21-40-02СП/-40-03СП Каток опорный
312002-21-41СП Колесо натяжное
312001-22-1-04СП/-1-05СП Гусеница
312001-51-1СП Установка прицепного устройства
312002-64-1СП Установка кожухов
312001-16-1-03СП Установка трансмиссии
312001-16-1-03СП Установка трансмиссии
2001-12-13СП Блок трансмиссии
2001-12-12СП Передача главная
2001-12-12СП Передача главная
2001-12-11СП Коробка передач
2001-12-10СП Коробка передач планетарная
2001-12-100СП Бустер
2001-12-102СП Водило
2001-12-103СП Водило
2001-12-118СП Водило
2001-14-1-01СП Гидротрансформатор с редуктором привода насосов
2001-14-1-01СП Гидротрансформатор с редуктором привода насосов
2001-14-1-01СП Гидротрансформатор с редуктором привода насосов
312001-15-9СП Крышка
312001-15-10СП Фильтр
1101-15-15СП Делитель потока
1501-15-20СП Блок управления
1501-15-41СП Блок управления
1101-16-112СП Клапан
2001-18-10СП Фрикцион бортовой и тормоз остановочный
312001-19-1СП Передача бортовая, фрикцион и тормоз
312001-19-10СП Передача бортовая
1102-20-10-01СП Корпус муфты
1102-20-101СП Муфта упругая
2001-49-1-04 Вал карданный
311502-10-1-01/-1-11СП Электрооборудование
311502-10-11-01СП Электрооборудование
311502-10-12СП Электрооборудование пола кабины
311502-10-12СП Электрооборудование пола кабины
311502-10-12СП Электрооборудование пола кабины
311502-10-13-01СП Установка электрооборудования на раме
311502-10-14-01/-04СП Электрооборудование стрелы грузовой
311502-10-15СП Установка реле РС-400
311502-10-16СП Электрооборудование отопительной установки
311502-10-17-01СП Электрооборудование подогревателя ПЖД30Г
311502-10-100СП Блок выключателей
311502-10-103СП Щиток приборов
311502-10-128 Установка блока автоматики
312001-10-12-01СП Электрооборудование крыши кабины
312001-10-12-01СП Электрооборудование крыши кабины
312001-10-16СП Электрооборудование топливного бака
312001-10-16СП Электрооборудование топливного бака
311502-10-18СП Электрооборудование передней облицовки
2002-10-12-01СП Электрооборудование двигателя
ТТ2501-10-145СП Электрооборудование гидробака
2502-10-153-02СП Щиток приборов
404-10-270СП Установка фары
405-10-133СП Блок выключателей
312002-26-1СП Установка гидросистемы
312002-26-1СП Установка гидросистемы
312002-26-80СП Гидроцилиндр d.160
312501-26-24СП Гидрозамок
312001-26-25СП Распределитель
2601-28-21СП Клапан
312001-26-30СП Бак гидросистемы
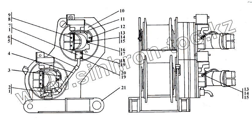
312001-90-1-01СП Установка лебедок
312001-90-9СП Лебедка
312001-90-10СП Редуктор
312001-90-12СП Редуктор
312001-90-13СП Фрикцион
312001-90-14СП Бустер тормоза
312001-90-18СП Бустер
312001-90-19СП Водило
312001-91-1СП Распределитель лебедки
312501-91-10-01СП Распределитель гидромоторов
312501-91-10-01СП Распределитель гидромоторов
312501-91-11СП Клапан
312002-92-1СП Установка стрелы и полиспастов
312002-92-1СП Установка стрелы и полиспастов
312002-92-1СП Установка стрелы и полиспастов
312002-92-16СП Подвеска крюка
312002-92-17СП Обойма подвесная
31.3502-92-580СП Обойма стреловая
312002-93-1СП Установка противовеса
312002-93-1СП Установка противовеса
312001-94-1-02СП Установка привода лебедки с системой гидроуправления
312001-94-1-02СП Установка привода лебедки с системой гидроуправления
312001-94-1-02СП Установка привода лебедки с системой гидроуправления
312001-94-1-02СП Установка привода лебедки с системой гидроуправления
312002-95-1СП Портал
312002-95-1СП Портал
1
1
2
2
3
3
4
4
5
6
6
7
7
8
9
9
10
10
11
11
12
12
13
13
13
14
14
14
15
15
16
16
17
18
19
19
20
21
21
Позиция на иллюстрации
Заводской номер детали
Название детали
312001-90-1-01-20СП
312001-90-1-01-20СП
Установка лебедок
312001-90-1-01СП
312001-90-1-01СП
Установка лебедок
1
039-045-36-2-51-1668
Кольцо ГОСТ 18829-73/ТУ 38.005.204-84
2
312001-90-25СП
Фланец
2
312001-90-25-20СП
Фланец
3
700-37-2054-20
Пробка 4-КГ 3/4" 20.029
3
700-37-2054
Пробка 4-КГ 3/4" 20.019
4
312001-90-60-20
Труба
4
312001-90-60
Труба
5
1045-У-02
Хомут стяжной червячный 1045-У-02
6
46 1201-02-20
Рукав
6
46 1201-02
Рукав
7
312001-90-22-20СП
Фланец
7
312001-90-22СП
Фланец
8
007-011-25-2-51-1668
Кольцо ГОСТ 18829-73/ТУ 38.005.204-84
9
37 5245
Пробка
9
37 5245-20
Пробка
10
312001-90-9СП
Лебедка
10
312001-90-9-20СП
Лебедка
11
404-26-213-02СП
Рукав d.12
11
404-26-213-02-20СП
Рукав d.12
12
403-16-109-20СП
Штуцер
12
403-16-109СП
Штуцер
13
5001-26-77-20
Угольник ввертной
13
5001-26-77
Угольник ввертной
14
Н.036.23.022-20
Контргайка
14
Н.036.23.022
Контргайка
15
018-022-25-2-51-1668
Кольцо ГОСТ 9833-73/ТУ 38.005.204-84
16
41 5233
Штуцер
16
41 5233-20
Штуцер
17
019-023-25-2-51-1668
Кольцо 019-023-25-2-51-1668
18
Болт М10-6gx30
Болт М10-6gx30
19
Шайба 10
Шайба 10
20
Болт М10-6gx60
Болт М10-6gx60
21
312001-90-27-20СП
Корпус
21
312001-90-27СП
Корпус
Содержащиеся в справочниках-каталогах запасные части и детали не предлагаются к продаже, а носят исключительно информационный характер
Дополнительная информация
×
Название:
Номер:
Примечание: