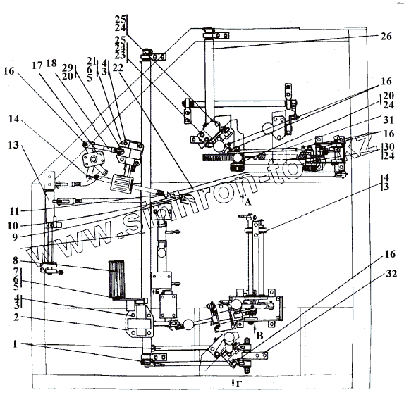
Каталог запасных частей к технике: Промтрактор ТГ-301Я. 312001-13-50СП Привод управления
1
1
2
2
3
3
3
4
4
4
4
5
5
6
6
7
7
8
9
9
10
10
11
11
13
13
14
14
16
16
16
16
17
18
20
20
21
21
22
22
23
23
24
24
24
24
26
26
29
29
30
31
32
32
| Позиция на иллюстрации | Заводской номер детали | Название детали | |
|---|---|---|---|
| 312001-13-50-20СП | 312001-13-50-20СП | Привод управления | |
| 312001-13-50СП | 312001-13-50СП | Привод управления | |
| 1 | 312001-13-136-20СП | Тяга | |
| 1 | 312001-13-136СП | Тяга | |
| 2 | 312001-13-20СП | Корпус | |
| 2 | 312001-13-20-20СП | Корпус | |
| 3 | Шайба 10.ОТ | Шайба 10.ОТ | |
| 4 | 28 0250-20 | Болт М10-6gх40 ГОСТ 7796-70 | |
| 4 | 28 0250 | Болт М10-6gх40 ГОСТ 7796-70 | |
| 5 | 34 0350 | Шпонка 5х7,5 ГОСТ 24071-80 | |
| 6 | Болт М8-6gx30 | Болт М8-6gx30 | |
| 7 | 3501-13-138СП | Педаль | |
| 7 | 3501-13-138-20СП | Педаль | |
| 8 | 40 0359-01 | Накладка педали | |
| 9 | 312001-13-120СП | Мостик | |
| 9 | 312001-13-120-20СП | Мостик | |
| 10 | 30 0220-20 | Гайка М12х1,25-6Н.04.029 ГОСТ 15522-70 | |
| 10 | 30 0220 | Гайка М12х1,25-6Н.04.019 ГОСТ 15522-70 | |
| 11 | 2501-13-96-20 | Растяжка | |
| 11 | 2501-13-96 | Растяжка | |
| 12 | 700-38-2742-01-20 | Пружина | |
| 12 | 700-38-2742-01 | Пружина | |
| 13 | 312001-13-39-01-20СП | Мостик | |
| 13 | 312001-13-39-01СП | Мостик | |
| 14 | 312001-13-65СП | Тяга | |
| 14 | 312001-13-65-20СП | Тяга | |
| 16 | Гайка М6 | Гайка М6 | |
| 17 | 3501-13-202СП | Мостик | |
| 18 | 3501-13-200СП | Тяга | |
| 20 | Шплинт 3,2x14 | Шплинт 3,2x14 | |
| 21 | 312001-13-77-20СП | Педаль | |
| 21 | 312001-13-77СП | Педаль | |
| 22 | 312001-13-40-20СП | Тяга | |
| 22 | 312001-13-40СП | Тяга | |
| 23 | 31 0150 | Шайба 8 ГОСТ 11371-78 | |
| 23 | 31 0150-20 | Шайба 8.01.08кп.0221 ГОСТ 11371-78 | |
| 24 | Шайба 8Т | Шайба 8Т | |
| 26 | 312001-13-119-20СП | Мостик | |
| 26 | 312001-13-119СП | Мостик | |
| 29 | 404-13-269-20 | Ось | |
| 29 | 404-13-269 | Ось | |
| 30 | Болт М8-6gx25 | Болт М8-6gx25 | |
| 31 | 3501-13-218СП | Тяга | |
| 32 | 312001-13-110-20СП | Мостик | |
| 32 | 312001-13-110СП | Мостик |
Содержащиеся в справочниках-каталогах запасные части и детали не предлагаются к продаже, а носят исключительно информационный характер