Каталог запасных частей к технике: Промтрактор ТГ-301К. 312501-91-10-01СП Распределитель гидромоторов
1
1
1
1
2
2
3
3
4
4
4
5
6
7
8
8
8
9
9
10
10
11
11
12
12
13
13
14
15
16
16
16
17
17
17
18
18
19
19
20
20
21
22
23
24
25
26
27
27
28
28
29
29
30
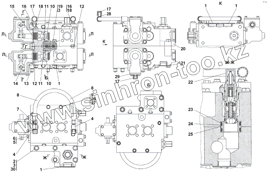
| Позиция на иллюстрации | Заводской номер детали | Название детали | |
|---|---|---|---|
| 312501-91-10-01-СП(SP) | 312501-91-10-01-СП(SP) | Распределитель гидромоторов | |
| 1 | 44 0064 | Заглушка | |
| 2 | 28 5579 | Болт | |
| 2 | 28 5579-20 | Болт | |
| 3 | Шайба 16 OT | Шайба 16 OT | |
| 4 | 404-26-219СП(SP) | Тройник | |
| 4 | 404-26-219-20СП(SP) | Тройник | |
| 5 | Шайба 12 OT | Шайба 12 OT | |
| 6 | Болт M12-6gx35 | Болт M12-6gx35 | |
| 7 | 012-016-25-2-51-1668 | Кольцо 012-016-25-2-51-1668 | |
| 8 | 404-26-213СП(SP) | Рукав d.12 | |
| 8 | 404-26-213-20СП(SP) | Рукав d.12 | |
| 9 | 28 5397-20 | Болт | |
| 9 | 28 5397 | Болт | |
| 10 | 312501-91-141 | Пробка | |
| 11 | 032-038-36-2-51-1668 | Кольцо ГОСТ 18829-73/ТУ 38.005.204-84 | |
| 12 | 016-020-25-2-51-1668 | Кольцо ГОСТ 9833-73/ГОСТ 18829-73 | |
| 13 | 312501-91-131-01-20 | Корпус | |
| 13 | 312501-91-131-01 | Корпус | |
| 14 | 312501-91-148-01 | Золотник | |
| 15 | 312501-91-148 | Золотник | |
| 16 | H.036.23.022 | Контргайка | |
| 16 | H.036.23.022-20 | Контргайка | |
| 17 | 2501-26-294 | Заглушка | |
| 18 | 018-022-25-2-51-1668 | Кольцо ГОСТ 9833-73/ТУ 38.005.204-84 | |
| 19 | 28 0555 | Болт М16х1,5-6gх55 ГОСТ 7796-70 | |
| 19 | 28 0555-20 | Болт М16х1,5-6gх55 ГОСТ 7796-70 | |
| 20 | 312501-91-130 | Корпус | |
| 20 | 312501-91-130-20 | Корпус | |
| 21 | 3501-26-242 | Заглушка | |
| 22 | 2601-28-21СП(SP) | Клапан | |
| 23 | 042-050-46-2-51-1668 | Кольцо ГОСТ 18829-73/ТУ 38.005.204-84 | |
| 24 | 700-40-5117 | Шайба защитная | |
| 25 | 312501-91-163 | Втулка | |
| 26 | 31 0225 | Шайба | |
| 27 | 30 0208 | Гайка М12x1,25 | |
| 27 | 30 0208-20 | Гайка М12x1,25 | |
| 28 | 404-26-218-20СП(SP) | Тройник | |
| 28 | 404-26-218СП(SP) | Тройник | |
| 29 | 312501-91-31-20СП(SP) | Крышка | |
| 29 | 312501-91-31СП(SP) | Крышка | |
| 30 | 31 5271 | Шайба |
Содержащиеся в справочниках-каталогах запасные части и детали не предлагаются к продаже, а носят исключительно информационный характер