Каталог запасных частей к технике: Промтрактор ТГ-301К. 312002-95-1СП Портал
1
2
2
3
3
4
4
5
6
7
7
7
8
8
8
9
9
10
11
12
12
13
14
15
16
16
17
17
18
18
19
19
20
20
21
22
22
23
23
24
24
25
26
27
27
27
28
28
29
30
30
31
32
33
33
34
34
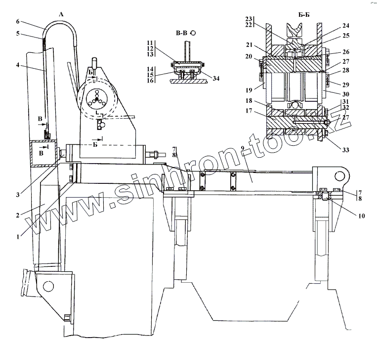
| Позиция на иллюстрации | Заводской номер детали | Название детали | |
|---|---|---|---|
| 1 | 312002-95-19 | Прокладка | |
| 2 | 312002-95-13СП(SP) | Кронштейн стрелы | |
| 2 | 312002-95-13-20СП(SP) | Кронштейн стрелы | |
| 3 | 312501-95-7СП(SP) | Буфер | |
| 3 | 312501-95-7-20СП(SP) | Буфер | |
| 4 | 312001-95-16СП(SP) | Рычаг | |
| 4 | 312001-95-16-20СП(SP) | Рычаг | |
| 5 | 312001-95-90 | Проволока | |
| 6 | 312001-95-73 | Стяжка | |
| 7 | 28 0904 | Болт М27x2-6gx65 | |
| 7 | 28 0904-20 | Болт М27x2-6gx65 | |
| 8 | 31 0408-20 | Шайба 27x4 | |
| 8 | 31 0408 | Шайба 27x4 | |
| 9 | 312002-95-10-20СП(SP) | Распорка | |
| 9 | 312002-95-10СП(SP) | Распорка | |
| 10 | 32 5760 | Штифт | |
| 11 | 47 5470 | Ось | |
| 12 | 31 0280 | Шайба 16х1.01.10,019 ГОСТ 10450-78 | |
| 12 | 31 0280-20 | Шайба 16х1.01.10.0221 ГОСТ 10450-78 | |
| 13 | Шплинт 3,2x25 | Шплинт 3,2x25 | |
| 14 | Болт М8-6gx16 | Болт М8-6gx16 | |
| 15 | Шайба 8Т | Шайба 8Т | |
| 16 | 31 0150-20 | Шайба 8.01.08кп.0221 ГОСТ 11371-78 | |
| 16 | 31 0150 | Шайба 8 ГОСТ 11371-78 | |
| 17 | 312002-95-24-20 | Ось | |
| 17 | 312002-95-24 | Ось | |
| 18 | 312001-95-67 | Ролик | |
| 18 | 312001-95-67-20 | Ролик | |
| 19 | 312002-95-28 | Крышка | |
| 19 | 312002-95-28-20 | Крышка | |
| 20 | 312002-95-25-20 | Ось | |
| 20 | 312002-95-25 | Ось | |
| 21 | 312002-95-26 | Втулка | |
| 22 | 312501-92-481 | Блок | |
| 22 | 312501-92-481-20 | Блок | |
| 23 | 312501-92-496 | Блок | |
| 23 | 312501-92-496-20 | Блок | |
| 24 | 58 0850 | Кольцо С150.Ц9хр ГОСТ 13941-86 | |
| 24 | 58 0850-20 | Кольцо С150 | |
| 25 | 42217 | Подшипник 42217 | |
| 26 | 312501-92-488 | Кольцо | |
| 27 | Масленка 1.2.Ц6хр | Масленка 1.2.Ц6хр | |
| 27 | Масленка 1.2.кд6хр | Масленка 1.2.кд6хр | |
| 28 | 28 0339 | Болт 3М12-6gх30 ГОСТ 7796-70 | |
| 28 | 28 0339-20 | Болт 3М12-6gх30 ГОСТ 7796-70 | |
| 29 | Проволока 1,6-0-С | Проволока 1,6-0-С | |
| 30 | 312002-95-27-20 | Крышка | |
| 30 | 312002-95-27 | Крышка | |
| 31 | Болт М12x1,25-6gx25 | Болт М12x1,25-6gx25 | |
| 32 | Шайба 12 | Шайба 12 | |
| 33 | 312001-95-69-20 | Пластина | |
| 33 | 312001-95-69 | Пластина | |
| 34 | 312001-95-24-20СП(SP) | Кронштейн | |
| 34 | 312001-95-24СП(SP) | Кронштейн |
Содержащиеся в справочниках-каталогах запасные части и детали не предлагаются к продаже, а носят исключительно информационный характер