Каталог запасных частей к технике: Промтрактор ТГ-301К. 312002-93-1СП Установка противовеса
1
1
2
2
2
2
2
2
3
3
3
3
3
3
4
4
4
4
4
4
5
5
6
7
8
8
9
9
10
11
11
12
12
13
14
14
14
14
14
15
15
16
16
17
17
18
18
19
19
20
20
21
21
22
23
24
24
25
25
26
27
28
29
30
31
32
33
33
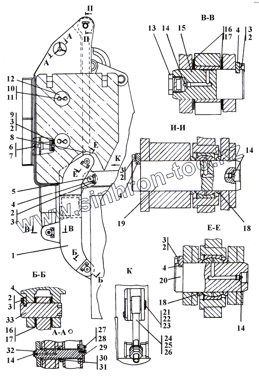
| Позиция на иллюстрации | Заводской номер детали | Название детали | |
|---|---|---|---|
| 1 | 312002-93-30СП(SP) | Кронштейн противовеса | |
| 1 | 312002-93-30-20СП(SP) | Кронштейн противовеса | |
| 2 | Шайба 12 ОТ | Шайба 12 ОТ | |
| 3 | Болт М12x1,25-6gx30 | Болт М12x1,25-6gx30 | |
| 4 | 312501-94-103-20 | Пластина | |
| 4 | 312501-94-103 | Пластина | |
| 5 | 312001-94-6-20 | Палец | |
| 5 | 312001-94-6 | Палец | |
| 6 | 38 5760 | Пружина | |
| 7 | 312002-93-70 | Упор | |
| 8 | 312002-93-18-20СП(SP) | Тяга | |
| 8 | 312002-93-18СП(SP) | Тяга | |
| 9 | 312002-93-71-20 | Крышка | |
| 9 | 312002-93-71 | Крышка | |
| 10 | Проволока 1,6-0-С | Проволока 1,6-0-С | |
| 11 | 28 5943-20 | Болт | |
| 11 | 28 5943 | Болт | |
| 12 | 312501-93-11 | Шайба | |
| 12 | 312501-93-11-20 | Шайба | |
| 13 | 37 5950 | Пробка | |
| 14 | Масленка 1.2кд6хр | Масленка 1.2кд6хр | |
| 14 | Масленка 1.2Ц6хр | Масленка 1.2Ц6хр | |
| 15 | 312002-93-43 | Ось | |
| 15 | 312002-93-43-20 | Ось | |
| 16 | 312002-93-28 | Шайба регулировочная | |
| 17 | 312001-93-01 | Шайба регулировочная | |
| 18 | 312002-93-53 | Кольцо | |
| 19 | 312002-93-44-01-20 | Ось | |
| 19 | 312002-93-44-01 | Ось | |
| 20 | 312002-93-44 | Ось | |
| 20 | 312002-93-44-20 | Ось | |
| 21 | 312002-94-12СП(SP) | Палец | |
| 21 | 312002-94-12-20СП(SP) | Палец | |
| 22 | Болт М10-6gx30 | Болт М10-6gx30 | |
| 23 | Шайба 10 ОТ | Шайба 10 ОТ | |
| 24 | 313502-93-140-20 | Болт | |
| 24 | 313502-93-140 | Болт | |
| 25 | 30 0411 | Гайка М30x2 | |
| 25 | 30 0411-20 | Гайка М30x2 | |
| 26 | 31 0410-01 | Шайба 30 | |
| 27 | 28 0544 | Болт М16х1,5-6gх45.109.40Х.019 ГОСТ 7796-70 | |
| 28 | Шайба 16 ОТ | Шайба 16 ОТ | |
| 29 | 312002-93-87 | Крышка | |
| 30 | 312501-94-134 | Прокладка | |
| 31 | 312501-94-134-01 | Прокладка | |
| 32 | 312002-93-89 | Ось | |
| 33 | 312001-94-6-01-20 | Палец | |
| 33 | 312001-94-6-01 | Палец |
Содержащиеся в справочниках-каталогах запасные части и детали не предлагаются к продаже, а носят исключительно информационный характер