Каталог запасных частей к технике: Промтрактор ТГ-301К. 312002-26-1СП Установка гидросистемы
1
1
2
3
3
4
4
4
5
6
7
7
8
8
9
10
10
11
12
12
13
13
14
14
15
15
16
17
17
18
18
19
19
19
20
21
23
24
25
25
26
26
27
27
28
28
28
29
29
30
31
31
32
33
33
34
34
35
35
36
37
37
38
39
40
41
41
43
44
44
45
46
46
47
47
48
48
49
50
51
51
52
52
53
53
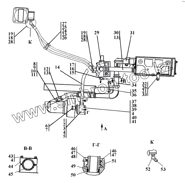
| Позиция на иллюстрации | Заводской номер детали | Название детали | |
|---|---|---|---|
| 312002-26-1-20СП(SP) | 312002-26-1-20СП(SP) | Установка гидросистемы | |
| 312002-26-1СП(SP) | 312002-26-1СП(SP) | Установка гидросистемы | |
| 1 | 2501-26-303-20 | Фланец | |
| 1 | 2501-26-303 | Фланец | |
| 2 | Болт М10-6gx70 | Болт М10-6gx70 | |
| 3 | 28 0210-20 | Болт М10-6gx35 | |
| 3 | 28 0210 | Болт M10-6gx35 | |
| 4 | Шайба 10 ОТ | Шайба 10 ОТ | |
| 5 | 039-045-36-2-51-1668 | Кольцо ГОСТ 18829-73/ТУ 38.005.204-84 | |
| 6 | 312001-26-48 | Муфта | |
| 7 | 700-58-2332-20 | Кольцо С25 | |
| 7 | 700-58-2332 | Кольцо С25 ГОСТ 13940-86 | |
| 8 | 312001-26-15СП(SP) | Трубопровод | |
| 8 | 312001-26-15-20СП(SP) | Трубопровод | |
| 9 | 31 5220 | Шайба | |
| 10 | 28 0504 | Болт М14-6gx70 | |
| 10 | 28 0504-20 | Болт М14-6gx70 | |
| 11 | 049-055-36-2-51-1668 | Кольцо ГОСТ 18829-73/ТУ 38.005.204-84 | |
| 12 | 46 1501-01-20 | Рукав | |
| 12 | 46 1501-01 | Рукав | |
| 13 | 1070-У-02 | Хомут 1070-У-02 | |
| 14 | 3501-26-177-05-20СП(SP) | Рукав d.25 | |
| 14 | 3501-26-177-05СП(SP) | Рукав d.25 | |
| 15 | Н.,36.23.022-01 | Контргайка | |
| 15 | Н.036.23.022 | Контргайка | |
| 16 | 018-022-25-2-51-1668 | Кольцо ГОСТ 9833-73/ТУ 38.005.204-84 | |
| 17 | 5001-26-77-01 | Штуцер | |
| 17 | 5001-26-77-01-20 | Угольник поворотный | |
| 18 | 021-027-36-2-51-1668 | Кольцо 021-027-36-2-51-1668 | |
| 19 | 312002-26-11-20СП(SP) | Угольник | |
| 19 | 312002-26-11СП(SP) | Угольник | |
| 20 | Гайка М16x1,5 | Гайка М16x1,5 | |
| 21 | Шайба 16 ОТ | Шайба 16 ОТ | |
| 23 | Болт М16x1,5-6gx60 | Болт М16x1,5-6gx60 | |
| 24 | 40 0354-05 | Втулка | |
| 25 | 2501-26-301-20 | Планка | |
| 25 | 2501-26-301 | Планка | |
| 26 | 28 0520-20 | Болт М16х1,5-6gх30 ГОСТ 7796-70 | |
| 26 | 28 0520 | Болт М16х1,5-6gх30.109.40Х.019 ГОСТ 7796-70 | |
| 27 | 2501-26-300 | Скоба | |
| 27 | 2501-26-300-20 | Скоба | |
| 28 | Н.036.23.072-01 | Контргайка | |
| 28 | Н.036.23.072 | Контргайка | |
| 29 | 312001-26-25СП(SP) | Распределитель | |
| 29 | 312001-26-25-20СП(SP) | Распределитель | |
| 30 | 1101-26-121-05 | Рукав | |
| 31 | 312001-26-16СП(SP) | Трубопровод | |
| 31 | 312001-26-16-20СП(SP) | Трубопровод | |
| 32 | 405-26-25 | Планка | |
| 33 | 31 0270-20 | Шайба 16.0Т.10.0221 ГОСТ 11371-78 | |
| 33 | 31 0270 | Шайба 16 ГОСТ 11371-78 | |
| 34 | 312001-26-13СП(SP) | Трубопровод | |
| 34 | 312001-26-13-20СП(SP) | Трубопровод | |
| 35 | 404-26-213-01СП(SP) | Рукав диам.12 | |
| 35 | 404-26-213-01-20СП(SP) | Рукав d.12 | |
| 36 | 012-016-25-2-51-1668 | Кольцо 012-016-25-2-51-1668 | |
| 37 | 29 5220-20 | Шпилька | |
| 37 | 29 5220 | Шпилька | |
| 38 | Болт М10-6gx30 | Болт М10-6gx30 | |
| 39 | Гайка М10 | Гайка М10 | |
| 40 | 088-095-46-2-51-1668 | Кольцо | |
| 41 | Насос НШ50А-3-Т | Насос НШ50А-3-Т | |
| 41 | Насос НШ50А-3 | Насос НШ50А-3 | |
| 43 | Болт М8-6gx70 | Болт М8-6gx70 | |
| 44 | 312501-94-105-20 | Бугель | |
| 44 | 312501-94-105 | Бугель | |
| 45 | 700-40-6684-01 | Прокладка | |
| 46 | Болт М12x1,25-6gx35 | Болт М12x1,25-6gx35 | |
| 47 | Шайба 12 ОТ | Шайба 12 ОТ | |
| 48 | 31 0210-20 | Шайба 12х2 ГОСТ 11371-78 | |
| 48 | 31 0210 | Шайба 12х2.01.08кп.019 ГОСТ 11371-78 | |
| 49 | 44 0038 | Кольцо защитное | |
| 50 | 032-038-36-2-51-1668 | Кольцо ГОСТ 18829-73/ТУ 38.005.204-84 | |
| 51 | 2501-26-83 | Фланец | |
| 51 | 2501-26-83-20 | Фланец | |
| 52 | Н.036.01.005-01 | Гайка накидная | |
| 52 | Н.036.01.005 | Гайка накидная | |
| 53 | 400-26-55 | Заглушка | |
| 53 | 400-26-55-20 | Заглушка |
Содержащиеся в справочниках-каталогах запасные части и детали не предлагаются к продаже, а носят исключительно информационный характер