Каталог запасных частей к технике: Промтрактор ТГ-301К. 312001-16-1-03СП Установка трансмиссии
1
1
2
3
4
4
5
6
6
7
7
7
10
10
10
10
10
10
10
13
13
13
14
14
14
14
15
15
16
17
17
18
18
19
19
20
20
21
21
23
23
24
24
26
26
30
30
34
35
35
36
36
37
37
39
39
40
40
41
41
42
42
43
44
46
46
47
47
49
49
50
50
52
52
54
54
55
56
58
58
60
60
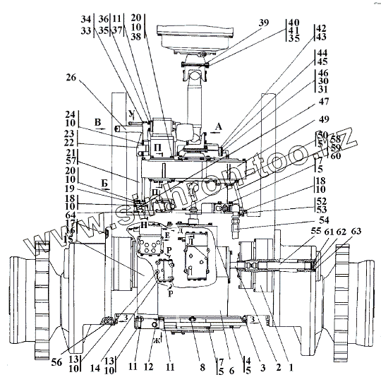
| Позиция на иллюстрации | Заводской номер детали | Название детали | |
|---|---|---|---|
| 312001-16-16-03-20СП(SP) | 312001-16-16-03-20СП(SP) | Установка трансмиссии | |
| 312001-16-16-03СП(SP) | 312001-16-16-03СП(SP) | Установка трансмиссии | |
| 1 | 312001-19-1-20СП(SP) | Передача бортовая, фрикцион и тормоз | |
| 1 | 312001-19-1СП(SP) | Передача бортовая, фрикцион и тормоз | |
| 2 | 2001-16-110СП(SP) | Торсион | |
| 3 | 32 5463 | Штифт | |
| 4 | 28 0562 | Болт М16х1,5-6gх75 | |
| 4 | 28 0562-20 | Болт М16х1,5-6gх75 | |
| 5 | Шайба 16 ОТ | Шайба 16 ОТ | |
| 6 | 2001-12-13-20СП(SP) | Блок трансмиссии | |
| 6 | 2001-12-13СП(SP) | Блок трансмиссии | |
| 7 | 28 0570 | Болт М16х1,5-6gх105 ГОСТ 7796-70 | |
| 7 | 28 0570-20 | Болт М16х1,5-6gх105 ГОСТ 7796-70 | |
| 10 | Шайба 12 ОТ | Шайба 12 ОТ | |
| 13 | 28 0388-20 | Болт М12-6gх90.58.029 ГОСТ 7795-70 | |
| 13 | 28 0388 | Болт М12-6gх90.58.019 ГОСТ 7795-70 | |
| 14 | 312001-15-17-20СП(SP) | Делитель потока | |
| 14 | 312001-15-17СП(SP) | Делитель потока | |
| 14 | 1101-15-15-01-20СП(SP) | Делитель потока | |
| 14 | 1101-15-15-01СП(SP) | Делитель потока | |
| 15 | 312001-15-10СП(SP) | Фильтр | |
| 15 | 312001-15-10-20СП(SP) | Фильтр | |
| 16 | Шайба 20 ОТ | Шайба 20 ОТ | |
| 17 | 28 0728 | Болт М20-6gx60 | |
| 17 | 28 0728-20 | Болт М20-6gx60 | |
| 18 | Болт М12-6gx30 | Болт М12-6gx30 | |
| 19 | 2501-26-83-20 | Фланец | |
| 19 | 2501-26-83 | Фланец | |
| 20 | Болт М12-6gx35 | Болт М12-6gx35 | |
| 21 | 2001-16-112-20СП(SP) | Труба | |
| 21 | 2001-16-112СП(SP) | Труба | |
| 23 | 1501-16-1 | Фланец | |
| 23 | 1501-16-1-20 | Фланец | |
| 24 | 28 0379-20 | Болт 3М12-6gх65.109.40Х 029 ГОСТ 7796-70 | |
| 24 | 28 0379 | Болт 3М12-6gх65 | |
| 25 | 46-14-141-20СП(SP) | Сапун | |
| 25 | 46-14-141СП(SP) | Сапун | |
| 26 | 2501-15-124-20СП(SP) | Пробка | |
| 26 | 2501-15-124СП(SP) | Пробка | |
| 30 | Н.036.23.022 | Контргайка | |
| 30 | Н.036.23.022-20 | Контргайка | |
| 34 | 37 5783 | Пробка | |
| 35 | Шайба 10 ОТ | Шайба 10 ОТ | |
| 36 | 28 0230-20 | Болт М10-6gх25 ГОСТ 7796-70 | |
| 36 | 28 0230 | Болт М10-6gх25 ГОСТ 7796-70 | |
| 37 | 2001-16-11-20 | Фланец | |
| 37 | 2001-16-11 | Фланец | |
| 39 | 2001-49-1-04-20 | Вал карданный | |
| 39 | 2001-49-1-04 | Вал карданный | |
| 40 | 28 0242 | Болт М10x1,25-6gx35 | |
| 40 | 28 0242-20 | Болт М10x1,25-6gx35 | |
| 41 | 30 5186 | Гайка М10х1,25 | |
| 41 | 30 5186-20 | Гайка М10х1,25 | |
| 42 | 2001-16-31-20 | Фланец | |
| 42 | 2001-16-31 | Фланец | |
| 43 | Шайба 8Т | Шайба 8Т | |
| 44 | Болт М8-6gx30 | Болт М8-6gx30 | |
| 46 | 3501-26-159СП(SP) | Угольник | |
| 46 | 3501-26-159-20СП(SP) | Угольник | |
| 47 | 3501-16-28 | Фланец | |
| 47 | 3501-16-28-20 | Фланец | |
| 49 | 2001-14-1-01-20СП(SP) | Гидротрансформатор с редуктором привода насосов | |
| 49 | 2001-14-1-01СП(SP) | Гидротрансформатор с редуктором привода насосов | |
| 50 | 28 0544-20 | Болт М16х1,5-6gх45.109.40Х.029 ГОСТ 7796-70 | |
| 50 | 28 0544 | Болт М16х1,5-6gх45.109.40Х.019 ГОСТ 7796-70 | |
| 52 | 312001-16-100-20СП(SP) | Крышка | |
| 52 | 312001-16-100СП(SP) | Крышка | |
| 54 | 46-60-392-07-20СП(SP) | Рукав | |
| 54 | 46-60-392-07СП(SP) | Рукав | |
| 55 | 2001-16-111-01СП(SP) | Торсион | |
| 56 | 32 5580 | Штифт | |
| 58 | 404-26-213-24-20СП(SP) | Рукав | |
| 58 | 404-26-213-24СП(SP) | Рукав | |
| 60 | 5001-26-78-20 | Штуцер ввертной | |
| 60 | 5001-26-78 | Штуцер ввертной |
Содержащиеся в справочниках-каталогах запасные части и детали не предлагаются к продаже, а носят исключительно информационный характер