Вернуться на главную
Поиск
Каталоги запчастей к технике
Спецтехника
Промтрактор
ТГ-221Я
312001-57-2СП Установка вентиляторов кабины
Каталог запасных частей к технике: Промтрактор ТГ-221Я. 312001-57-2СП Установка вентиляторов кабины
zoom-in
zoom-out
enlarge
shrink
circle-right
circle-left
file-text2
info
cart
Тип техники
Не выбрано
Легковые автомобили
Грузовые автомобили и прицепы
Автобусы
Сельхозтехника
Спецтехника
Двигатели
Мототехника
Марка
Не выбрано
Ammann
BOMAG
CARMIX
CASE IH
Changlin
ChengGong
Dimex
Doosan
DYNAPAC
Foton
HAMM
Hidromek
Hitachi
Hyundai
JCB
JLG
John Deere
Komatsu
LIEBHERR
LiuGong
Lonking (LongGong)
Luneng
MANITOU
Mitsuber
New Holland
PENGPU
RM-Terex
SANY
SDLG
SEM
Shantui
Shehwa HBXG
Soosan
TIGARBO
VOGELE
Volvo
WAY
WIRTGEN
XCMG
XGMA
Xiamen
YTO
Yuchai
Zoomlion
Автокран
АЗСМ
Алтайлесмаш
Амкодор
АОМЗ
Атек
АТЗ
Балканкар Рекорд
БелАЗ
Беловеж
Борекс
Брянский Арсенал
Булат
ВЭКС
ГАЗ
Геомаш
Гидромаш
Донекс
Дормаш
Дормашина
Дорэлектромаш
ДЭЗ
ЕлАЗ
ЗЗГТ
Ижнефтемаш
Канаш-электрокар
КЗКТ
ККЗ
Клевер
Клинцовский автокрановый завод
КМЗ
КМЗ 1 Мая
Ковровец
Коммаш
Кранэкс
КЭЗ
КЭМЗ
ЛЗА
МАЗ
МЗИК
МЗКМ
МЗКТ
Михневский РМЗ
МоАЗ
Мозырский МЗ
МТЗ
ОЗП
Онежец
ПАО "ТЗА"
ППС Детва
Промтрактор
ПТЗ
Раскат
СпецАгрегат
ТВЭКС
ТТМ
УВЗ
Угличмаш
УЗТМ
ХТЗ
ЧЗКМ
ЧСДМ
ЧТЗ
ЭКСКО
ЭКСМАШ
ЮрМаш
Модель
Не выбрано
ПК-12.02 (2007)
ПК-12.02К (2007)
ПК-60.01 (2007)
Т-11.01К (2008)
Т-11.01Я
Т-11.02К (2008)
Т-11.02Я (2008)
Т-15.01К (2007)
Т-15.01Я (2000)
Т-15.02K (2009)
Т-15.02Я (2009)
Т-20.01К
Т-20.01Я (2000)
Т-20.01Я (2005) (2005)
Т-20.02К (Четра) (2009)
Т-20.02Я (Четра) (2009)
Т-25.01К1 (2008)
Т-25.01Я (2006)
Т-330 (2006)
Т-35.01К (2007)
Т-35.01Я
Т-40.01К (2008)
Т-50.01 (1998)
Т-500 (1999)
Т-9.01Я (2007)
ТГ-121Я (2004)
ТГ-221КМ (2006)
ТГ-221Я (2004)
ТГ-301К (2006)
ТГ-301Я (2004)
ТГ-302Я (2010)
ТГ-503К (2006)
ТГ-503Я (2006)
ТГ-511 (2008)
Шасси ТП-20.02 (2008)
Схема
>
Не выбрано
312001-59-1СП Кабина
312001-59-1СП Кабина
312001-59-1СП Кабина
312001-59-1СП Кабина
312001-59-1СП Кабина
312001-89-1СП Обивка кабины
312001-89-1СП Обивка кабины
312001-89-1СП Обивка кабины
311502-55-1СП Облицовка
311502-55-1СП Облицовка
311502-55-1СП Облицовка
312001-13-1СП Управление трактором
312001-13-1СП Управление трактором
312001-13-50СП Привод управления
312001-13-50СП Привод управления
312001-13-50СП Привод управления
312001-13-50СП Привод управления
3501-13-143СП Блок управления
312001-24-1СП Пол
2501-23-1СП Установка сиденья
312001-53-1СП Установка системы вентиляции и отопления кабины
312001-53-52СП Установка независимого отопителя кабины
312002-43-40СП Установка отопителя кабины
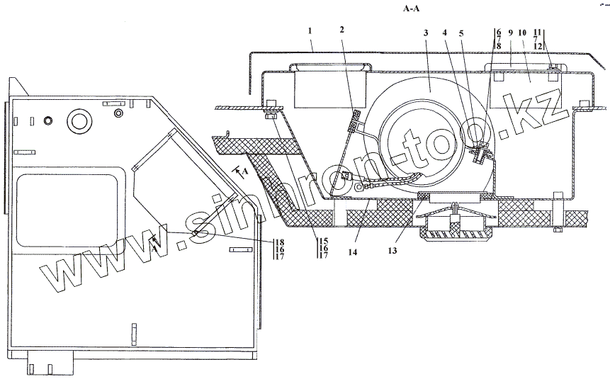
312001-57-2СП Установка вентиляторов кабины
311502-01-1СП Установка двигателя ЯМЗ-238
311502-05-2СП Установка систем воздухоочистки и выпуска
311502-05-2СП Установка систем воздухоочистки и выпуска
311502-05-14СП Воздухоочиститель
2002-43-3-01СП Установка системы подогрева
2002-43-3-01СП Установка системы подогрева
311502-25-1СП Установка топливного бака
311502-25-1СП Установка топливного бака
311502-25-10СП Бак топливный
311502-25-10СП Бак топливный
311502-60-2СП Система охлаждения двигателя и трансмиссии
311502-60-2СП Система охлаждения двигателя и трансмиссии
311502-60-2СП Система охлаждения двигателя и трансмиссии
2002-60-143СП Блок радиаторов
311502-11-1СП Рама
311502-21-1СП Система ходовая
311502-21-2СП/3СП Тележка
1501-21-15СП Каток поддерживающий
311502-21-17СП Механизм натяжения
1501-21-37СП Механизм сдавания
1501-21-44-02СП/-03СП Каток опорный
311502-21-47СП Колесо натяжное
ТЖ216-22-000 Гусеница
312001-51-1СП Установка прицепного устройства
311502-64-1СП Установка кожухов
312001-16-1-02СП Установка трансмиссии
312001-16-1-02СП Установка трансмиссии
2001-12-13СП Блок трансмиссии
2001-12-12СП Передача главная
2001-12-12СП Передача главная
2001-12-11СП Коробка передач
2001-12-10СП Коробка передач планетарная
2001-12-100СП Бустер
2001-12-102СП Водило
2001-12-103СП Водило
2001-12-118СП Водило
2001-14-1-01СП Гидротрансформатор с редуктором привода насосов
2001-14-1-01СП Гидротрансформатор с редуктором привода насосов
2001-14-1-01СП Гидротрансформатор с редуктором привода насосов
312001-15-9СП Крышка
312001-15-10СП Фильтр
1101-15-15-01СП Делитель потока
1501-15-20СП Блок управления
1501-15-41СП Блок управления
1101-16-112СП Клапан
2001-18-10-01СП Фрикцион бортовой и тормоз остановочный
311502-19-10СП Передача бортовая
311502-19-10СП Передача бортовая
1102-20-10-01СП Корпус муфты
1102-20-10-101СП Муфта упругая
311502-10-1/-07СП Электрооборудование
311502-10-11СП Электрооборудование
311502-10-12СП Электрооборудование пола кабины
311502-10-12СП Электрооборудование пола кабины
311502-10-12СП Электрооборудование пола кабины
311502-10-13-01СП Установка электрооборудования на раме
311502-10-14СП Электрооборудование стрелы грузовой
311502-10-16СП Электрооборудование отопительной установки
311502-10-17-02СП Электрооборудование подогревателя ПЖД30Г
311502-10-18СП Электрооборудование передней облицовки
311502-10-19СП Электрооборудование обоймы подвесной
311502-10-100СП Блок выключателей
311502-10-103СП Щиток приборов
311502-10-120СП Модуль защиты от опасного напряжения
311502-10-139СП Установка блока автоматики
2002-10-12-01СП Электрооборудование двигателя
312001-10-12-01СП Электрооборудование крыши кабины
312001-10-12-01СП Электрооборудование крыши кабины
312001-10-16СП Электрооборудование топливного бака
312001-10-16СП Электрооборудование топливного бака
2502-10-153-02СП Щиток приборов
ТТ2501-10-145СП Электрооборудование гидробака
405-10-133СП Блок выключателей
312001-26-1СП Установка гидросистемы
312001-26-1СП Установка гидросистемы
312001-26-25СП Распределитель
312001-26-30СП Бак гидросистемы
2601-28-21СП Клапан
312001-26-50-02СП Гидроцилиндр
312001-26-51СП Гидрозамок
312001-90-1-02П Установка лебедок
312001-90-9СП Лебедка
312001-90-10СП Редуктор
312001-90-12СП Редуктор
312001-90-13СП Фрикцион
312001-90-14СП Бустер тормоза
312001-90-18СП Бустер
312001-90-19СП Водило
312001-91-1СП Распределитель лебедки
312501-91-10-01СП Распределитель гидромоторов
312501-91-10-01СП Распределитель гидромоторов
312501-91-11СП Клапан
312001-92-1СП Установка стрелы и полиспастов
312001-92-1СП Установка стрелы и полиспастов
312001-92-50СП Обойма подвесная
312001-92-60СП Обойма стреловая
312001-92-70СП Подвеска крюка
311502-93-1СП Установка противовеса
311502-93-1СП Установка противовеса
312001-94-1-03СП Установка привода лебедки с системой гидроуправления
312001-94-1-03СП Установка привода лебедки с системой гидроуправления
312001-94-1-03СП Установка привода лебедки с системой гидроуправления
312001-94-1-03СП Установка привода лебедки с системой гидроуправления
312001-94-27СП Клапан
3501-26-65СП Пилот управления
311502-95-1СП Портал
311502-95-1СП Портал
311502-95-1СП Портал
1
1
2
3
4
5
5
6
7
7
8
8
9
9
10
11
12
12
13
14
14
15
16
16
17
17
17
18
Позиция на иллюстрации
Заводской номер детали
Название детали
312001-57-2-20СП
312001-57-2-20СП
Установка вентиляторов кабины
312001-57-2СП
312001-57-2СП
Установка вентиляторов кабины
1
312001-57-2-20
Крышка
1
312001-57-2
Крышка
2
700-40-6955-04
Уплотнение
3
45 7375 3864
Вентилятор отопителя 42 3780
4
700-40-6695
Кольцо
5
46-57-62
Втулка
5
46-57-62-20
Втулка
6
Болт М6-6gx20
Болт М6-6gx20
7
Шайба 6Т
Шайба 6Т
8
31 0120-20
Шайба 6.01.08кп.0221 ГОСТ 6958-78
8
31 0120
Шайба 6.01.08кп.019 ГОСТ 6958-78
9
2501-57-123СП
Рамка
9
2501-57-123-20СП
Рамка
10
12.1109.080
Элемент фильтрующий воздушного фильтра
11
Болт М6-6gx16
Болт М6-6gx16
12
31 0110
Шайба 6.01.08кп.019 ГОСТ 11371-78
12
31 0110-20
Шайба 6.01.08кп.0221 ГОСТ 11371-78
13
2501-57-82
Прокладка
14
312001-57-101-20СП
Основание
14
312001-57-101СП
Основание
15
Болт М8-6gx20
Болт М8-6gx20
16
Шайба 8Т
Шайба 8Т
17
31 0150
Шайба 8 ГОСТ 11371-78
17
31 0150-20
Шайба 8.01.08кп.0221 ГОСТ 11371-78
18
Болт М8-6gx16
Болт М8-6gx16
Содержащиеся в справочниках-каталогах запасные части и детали не предлагаются к продаже, а носят исключительно информационный характер
Дополнительная информация
×
Название:
Номер:
Примечание: