Каталог запасных частей к технике: Промтрактор ТГ-221Я. 311502-55-1СП Облицовка
1
1
2
2
3
3
4
4
5
5
5
5
5
5
5
6
6
6
6
6
7
7
7
7
7
7
7
8
8
9
9
10
10
11
12
13
13
14
15
15
16
16
17
17
18
18
19
19
20
20
21
22
22
23
23
24
24
25
25
25
26
26
26
26
27
27
28
28
29
29
30
30
31
31
32
33
33
34
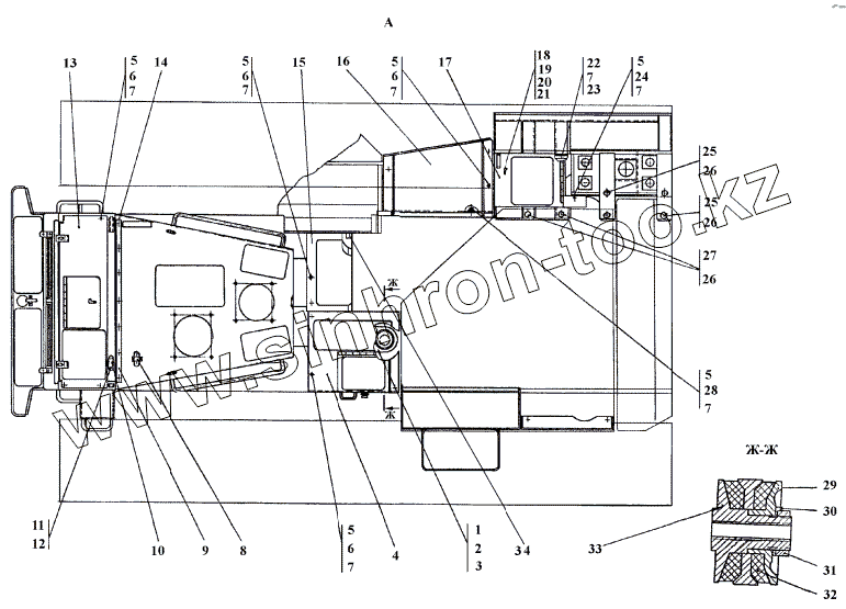
| Позиция на иллюстрации | Заводской номер детали | Название детали | |
|---|---|---|---|
| 1 | 312001-55-14-01СП | Кронштейн | |
| 1 | 312001-55-14-01-20СП | Кронштейн | |
| 2 | ТТ2501-55-230-20 | Шайба | |
| 2 | ТТ2501-55-230 | Шайба | |
| 3 | 28 0720 | Болт М20х1,5-6gх40.109.40Х.019 | |
| 3 | 28 0720-20 | Болт М20х1,5-6gх40.109.40Х.029 | |
| 4 | 311502-55-16СП | Щиток | |
| 4 | 311502-55-16-20СП | Щиток | |
| 5 | 31 5211-20 | Шайба | |
| 5 | 31 5211 | Шайба | |
| 6 | 28 0342 | Болт М12х1,25-6gх30.109.40Х.019 ГОСТ 7796-70 | |
| 6 | 28 0342-20 | Болт М12х1,25-6gх30.109.40Х.029 ГОСТ 7796-70 | |
| 7 | Шайба 12 ОТ | Шайба 12 ОТ | |
| 8 | А.30.06.100-20 | Хомут | |
| 8 | А.30.06.100 | Хомут | |
| 9 | 2001-55-135 | Закладка | |
| 9 | 2001-55-135-20 | Закладка | |
| 10 | 46-55-228-20СП | Хомут | |
| 10 | 46-55-228СП | Хомут | |
| 11 | Болт М8-6gx16 | Болт М8-6gx16 | |
| 12 | Шайба 8Т | Шайба 8Т | |
| 13 | 311502-55-13-20СП | Крышка | |
| 13 | 311502-55-13СП | Крышка | |
| 14 | 312001-55-166-01 | Прокладка | |
| 15 | 311502-55-20СП | Щиток | |
| 15 | 311502-55-20-20СП | Щиток | |
| 16 | 311502-55-18СП | Защита | |
| 16 | 311502-55-18-20СП | Защита | |
| 17 | 312001-55-31СП | Кожух | |
| 17 | 312001-55-31-20СП | Кожух | |
| 18 | 312001-55-16СП | Крыло | |
| 18 | 312001-55-16-20СП | Крыло | |
| 19 | 312001-55-161-20 | Планка | |
| 19 | 312001-55-161 | Планка | |
| 20 | 700-38-2563-20 | Пружина | |
| 20 | 700-38-2563 | Пружина | |
| 21 | Шплинт 4x25 | Шплинт 4x25 | |
| 22 | 28 0385 | Болт М12х1,25-6gх80 ГОСТ 7795-70 | |
| 22 | 28 0385-20 | Болт М12х1,25-6х80.109.40Х.029 ГОСТ 7795-70 | |
| 23 | 31 0230-20 | Шайба 12.01.10.0221 ГОСТ 6958-78 | |
| 23 | 31 0230 | Шайба 12.01.10.019 ГОСТ 6958-78 | |
| 24 | 28 0361 | Болт М12х1,25-6gх45 | |
| 24 | 28 0361-20 | Болт М12х1,25-6gх45 | |
| 25 | 28 0850-20 | Болт М24x2-6gx110 | |
| 25 | 28 0850 | Болт М24x2-6gx110 | |
| 26 | 31 0350-20 | Шайба 24.01.10.0221 ГОСТ 11371-78 | |
| 26 | 31 0350 | Шайба 24 ГОСТ 11371-78 | |
| 27 | 28 0845 | Болт М24x2-6gx100 | |
| 27 | 28 0845-20 | Болт М24x2-6gx100 | |
| 28 | 28 1379-20 | Болт М12х1,25-6gх65 ГОСТ 795-70 | |
| 28 | 28 1379 | Болт М12х1,25-6gх65 ГОСТ 7795-70 | |
| 29 | 2501-20-26-20 | Прижим | |
| 29 | 2501-20-26 | Прижим | |
| 30 | 31 0460 | Шайба 42.01.019 ГОСТ 11872-80 | |
| 30 | 31 0460-20 | Шайба Н42.01.019 ГОСТ 11872-89 | |
| 31 | 30 5485 | Гайка | |
| 31 | 30 5485-20 | Гайка | |
| 32 | 40 0224 | Амортизатор | |
| 33 | 2501-60-134 | Упор | |
| 33 | 2501-60-134-20 | Упор | |
| 34 | 40 0085 | Опора |
Содержащиеся в справочниках-каталогах запасные части и детали не предлагаются к продаже, а носят исключительно информационный характер