Каталог запасных частей к технике: Промтрактор ТГ-221Я. 311502-21-2СП/3СП Тележка
1
1
1
2
2
2
3
4
4
4
4
4
5
5
5
5
5
6
6
7
7
8
9
9
10
10
11
12
13
14
14
15
16
16
17
17
18
18
19
19
20
20
20
20
21
21
22
22
23
23
24
25
26
27
27
28
29
30
31
32
33
34
35
36
36
37
38
38
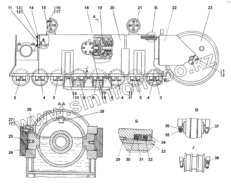
| Позиция на иллюстрации | Заводской номер детали | Название детали | |
|---|---|---|---|
| 311502-21-2-20СП | 311502-21-2-20СП | Тележка | |
| 311502-21-3СП | 311502-21-3СП | Тележка | |
| 311502-21-3-20СП | 311502-21-3-20СП | Тележка | |
| 311502-21-2СП | 311502-21-2СП | Тележка | |
| 1 | 31 5317-20 | Шайба | |
| 1 | 31 5317 | Шайба | |
| 2 | 28 0746-20 | Болт M20x1,5-6gx90 | |
| 2 | 28 0746 | Болт M20x1,5-6gx90 | |
| 3 | 311502-21-25 | Крышка | |
| 4 | 311502-21-44-02СП | Каток опорный | |
| 4 | 311502-21-44-02-20-СП | Каток опорный | |
| 5 | 311502-21-44-03-20СП | Каток опорный | |
| 5 | 311502-21-44-03СП | Каток опорный | |
| 6 | 311502-21-26СП | Щиток | |
| 6 | 311502-21-26-20СП | Щиток | |
| 7 | 28 0750 | Болт M20x1,5-6gx120 | |
| 7 | 28 0750-20 | Болт M20x1,5-6gx120 | |
| 8 | Шайба 20 ОТ | Шайба 20 ОТ | |
| 9 | 28 0730-20 | Болт М20х1,5-6gх60 ГОСТ 7796-70 | |
| 9 | 28 0730 | Болт М20х1,5-6gх60 ГОСТ 7796-70 | |
| 10 | 31 5271 | Шайба | |
| 10 | 31 5271-20 | Шайба | |
| 11 | 403-21-95 | Крышка | |
| 12 | Шайба 12 ОТ | Шайба 12 ОТ | |
| 13 | Болт М12x1,25-6gx30 | Болт М12x1,25-6gx30 | |
| 14 | 45 0084 | Прокладка | |
| 14 | 45 0084-20 | Прокладка | |
| 15 | 1501-21-122 | Опора | |
| 16 | 28 0580 | Болт М16х1,5-6gх170 ГОСТ 7795-70 | |
| 16 | 28 0580-20 | Болт М16х1,5-6gх170ГОСТ 77970 | |
| 17 | Шайба 16 ОТ | Шайба 16 ОТ | |
| 18 | 311502-21-17СП | Механизм натяжения | |
| 18 | 311502-21-17-20СП | Механизм натяжения | |
| 19 | 1501-21-37-20СП | Механизм сдавания | |
| 19 | 1501-21-37СП | Механизм сдавания | |
| 20 | 311502-21-12-20СП | Рама тележки | |
| 20 | 311502-21-12СП | Рама тележки | |
| 20 | 311502-21-11-20СП | Рама тележки | |
| 20 | 311502-21-11СП | Рама тележки | |
| 21 | 1501-21-15СП | Каток поддерживающий | |
| 21 | 1501-21-15-20СП | Каток поддерживающий | |
| 22 | 1501-21-9СП | Рама тележки передняя | |
| 22 | 1501-21-9-20СП | Рама тележки передняя | |
| 23 | 311502-21-43-20СП | Колесо натяжное | |
| 23 | 311502-21-43СП | Колесо натяжное | |
| 24 | 088-095-46-2-51-1668 | Кольцо | |
| 25 | 1501-21-65 | Крышка | |
| 26 | 1501-21-68 | Вкладыш | |
| 27 | 28 0535 | Болт М16х1,25-6gх38.109.40Х.019 ГОСТ 7796-70 | |
| 27 | 28 0535-20 | Болт М16х1,25-6gх38.109.40Х.029 ГОСТ 7796-70 | |
| 28 | 2001-21-56 | Штифт | |
| 29 | 1501-21-99 | Втулка | |
| 30 | 40 0456 | Кольцо упругое | |
| 31 | 1501-21-63 | Манжета | |
| 32 | 40 0466 | Кольцо упругое | |
| 33 | 1501-21-62 | Манжета | |
| 34 | 1501-21-64 | Каркас | |
| 35 | 1501-21-55 | Крышка | |
| 36 | 32 0260 | Штифт | |
| 36 | 32 0260-20 | Штифт | |
| 37 | 1501-21-57 | Крышка | |
| 38 | 32 5381 | Штифт | |
| 38 | 32 5381 -20 | Штифт |
Содержащиеся в справочниках-каталогах запасные части и детали не предлагаются к продаже, а носят исключительно информационный характер