Каталог запасных частей к технике: Промтрактор ТГ-121Я. 3501-13-143СП Блок управления
1
1
1
2
2
3
3
3
3
4
5
6
7
7
8
9
10
10
10
11
11
12
13
14
15
15
16
17
17
18
19
20
20
21
22
23
24
24
24
25
26
27
28
29
29
30
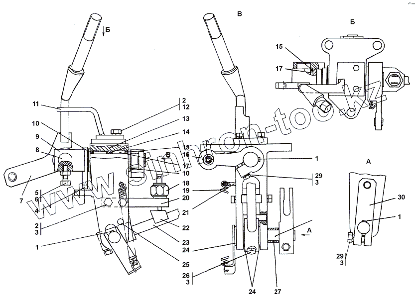
| Позиция на иллюстрации | Заводской номер детали | Название детали | |
|---|---|---|---|
| 3501-13-143СП | 3501-13-143СП | Блок управления | |
| 1 | 34 0350 | Шпонка 5х7,5 ГОСТ 24071-80 | |
| 2 | Болт М6-6gx16 | Болт М6-6gx16 | |
| 3 | Шайба 6Т | Шайба 6Т | |
| 4 | 2501-13-333 | Кулачок | |
| 5 | Болт М6-6gx20 | Болт М6-6gx20 | |
| 6 | Гайка М6 | Гайка М6 | |
| 7 | 3501-13-273СП | Рычаг | |
| 7 | 3501-13-273-20СП | Рычаг | |
| 8 | 2501-13-133 | Ось | |
| 9 | 2501-13-292 | Вилка | |
| 10 | 31 0330-20 | Шайба 20.01.08кп.0221 ГОСТ 10450-78 | |
| 10 | 31 0330 | Шайба 20.01.08кп.019 ГОСТ 10450-78 | |
| 11 | 3501-13-281-20СП | Планка разделительная | |
| 11 | 3501-13-281СП | Планка разделительная | |
| 12 | Шайба 8Т | Шайба 8Т | |
| 13 | 3501-13-144СП | Корпус | |
| 14 | 3501-13-139 | Втулка | |
| 15 | 50 0093 | Кольцо СП26,5-19-3,5 ТУ 17 РСФСР 35-7755-84 | |
| 16 | 2501-13-232СП | Рычаг | |
| 17 | 942/20 | Подшипник ГОСТ 4060-78 | |
| 18 | ВК415 | Выключатель света заднего хода ТУ 37.003.1213-84 | |
| 19 | 700-38-2729-01 | Пружина | |
| 20 | 3501-13-259-20 | Проставка | |
| 20 | 3501-13-259 | Проставка | |
| 21 | 2501-13-134 | Упор | |
| 22 | 3501-13-258 | Упор | |
| 23 | 3501-13-120СП | Рукоятка | |
| 24 | 31 0280 | Шайба 16х1.01.10,019 ГОСТ 10450-78 | |
| 24 | 31 0280-20 | Шайба 16х1.01.10.0221 ГОСТ 10450-78 | |
| 25 | 3501-13-144 | Штифт | |
| 26 | Болт М8-6gx25 | Болт М8-6gx25 | |
| 27 | 2501-13-194-01 | Проставка | |
| 28 | 3501-13-153СП | Валик | |
| 29 | Болт М8-6gx30 | Болт М8-6gx30 | |
| 30 | 2501-13-188-01 | Рычаг |
Содержащиеся в справочниках-каталогах запасные части и детали не предлагаются к продаже, а носят исключительно информационный характер