Каталог запасных частей к технике: Промтрактор ТГ-121Я. 312001-59-1СП Кабина
1
1
2
2
3
3
4
5
6
7
7
8
9
10
11
12
13
13
14
15
15
16
16
17
17
18
18
19
20
20
21
21
22
22
23
23
24
24
25
25
26
26
27
28
28
29
29
30
31
31
32
32
33
35
36
36
37
37
37
38
38
39
40
40
41
41
41
42
42
43
44
44
45
46
47
48
49
49
50
51
52
52
53
54
55
56
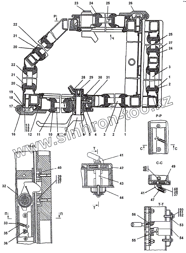
| Позиция на иллюстрации | Заводской номер детали | Название детали | |
|---|---|---|---|
| 1 | 2501-59-73-05 | Окантовка | |
| 2 | 46-59-419-04 | Кант №23 | |
| 3 | ТТ2501-59-111СП | Стеклопакет СПТК | |
| 4 | 2501-59-81-01 | Втулка | |
| 5 | 2501-59-84-01 | Втулка | |
| 6 | 2501-59-84 | Втулка | |
| 7 | 2501-59-134СП | Ручка | |
| 7 | 2501-59-134-20СП | Ручка | |
| 8 | 2501-59-83-01 | Поводок | |
| 9 | 2501-59-118СП | Стеклопакет | |
| 10 | 46-59-419-01 | Кант №23 | |
| 11 | 2501-59-73-01 | Окантовка | |
| 12 | 400-460 | Уплотнитель двери | |
| 13 | 28 0353 | Болт М16x1,5-6gx38 | |
| 13 | 28 0535-20 | Болт М16х1,25-6gх38.109.40Х.029 ГОСТ 7796-70 | |
| 14 | Шайба 16 ОТ | Шайба 16 ОТ | |
| 15 | 31 0270-20 | Шайба 16.0Т.10.0221 ГОСТ 11371-78 | |
| 15 | 31 0270 | Шайба 16 ГОСТ 11371-78 | |
| 16 | ТТ2501-59-140-01-20СП | Дверь | |
| 16 | ТТ2501-59-140-01СП | Дверь | |
| 17 | 2501-59-105-20 | Стержень | |
| 17 | 2501-59-105 | Стержень | |
| 18 | 46-59-245СП | Створка | |
| 18 | 46-59-245-20СП | Створка | |
| 19 | 401-59-422 | Планка | |
| 20 | 46-59-419-02 | Кант №23 | |
| 21 | 2501-59-73-06 | Окантовка | |
| 22 | ТТ2501-59-110СП | Стеклопакет СПТК | |
| 23 | 312001-59-108-20СП | Ось | |
| 23 | 312001-59-108СП | Ось | |
| 24 | 2501-59-73-04 | Окантовка | |
| 25 | ТТ2501-59-112СП | Стеклопакет СПТК | |
| 26 | 312001-59-107-20СП | Форточка | |
| 26 | 312001-59-107СП | Форточка | |
| 27 | 46-59-419 | Кант №23 | |
| 28 | 2501-59-135СП | Ручка | |
| 28 | 2501-59-135-20СП | Ручка | |
| 29 | 2501-59-102 | Винт | |
| 29 | 2501-59-102-20 | Винт | |
| 30 | 2107-6107018 | Уплотнитель 2107-6107018 | |
| 31 | 2501-59-82-01-20 | Защелка | |
| 31 | 2501-59-82-01 | Защелка | |
| 32 | 2501-59-85-01-20 | Пружина | |
| 32 | 2501-59-85-01 | Пружина | |
| 33 | 2501-59-262 | Стержень | |
| 35 | 700-38-2641 | Пружина | |
| 36 | 2501-59-100 | Ось | |
| 36 | 2501-59-100-20 | Ось | |
| 37 | 31 0150 | Шайба 8 ГОСТ 11371-78 | |
| 37 | 31 0150-20 | Шайба 8.01.08кп.0221 ГОСТ 11371-78 | |
| 38 | Шайба 8Т | Шайба 8Т | |
| 39 | Болт М8-6gx30 | Болт М8-6gx30 | |
| 40 | 2501-59-103-20 | Планка | |
| 40 | 2501-59-103 | Планка | |
| 41 | 2501-59-137-20СП | Стопор | |
| 41 | 2501-59-137СП | Стопор | |
| 42 | 2501-59-130-20СП | Крышка | |
| 42 | 2501-59-130СП | Крышка | |
| 43 | МЦ8-6.00.00Г4 | Механизм секрета МЦ8-6.00.00Г4 | |
| 44 | 2501-59-265-20 | Накладка | |
| 44 | 2501-59-265 | Накладка | |
| 45 | Шайба | Шайба | |
| 46 | Шайба 6Т | Шайба 6Т | |
| 47 | 2501-59-101 | Ручка | |
| 48 | Болт М8-6gx20 | Болт М8-6gx20 | |
| 49 | 2501-59-89-20 | Накладка | |
| 49 | 2501-59-89 | Накладка | |
| 50 | Винт ВМ5-6gx2 | Винт ВМ5-6gx2 | |
| 51 | Шайба 5 | Шайба 5 | |
| 52 | 31 0110 | Шайба 6.01.08кп.019 ГОСТ 11371-78 | |
| 52 | 31 0110-20 | Шайба 6.01.08кп.0221 ГОСТ 11371-78 | |
| 53 | 2501-59-266 | Втулка | |
| 54 | 2501-59-199 | Пластина | |
| 55 | 2501-59-264 | Поводок | |
| 56 | Винт ВМ4-6gx16 | Винт ВМ4-6gx16 |
Содержащиеся в справочниках-каталогах запасные части и детали не предлагаются к продаже, а носят исключительно информационный характер