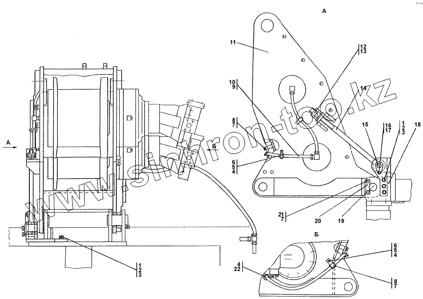
Каталог запасных частей к технике: Промтрактор ТГ-121Я. 311102-94-1СП Установка привода лебедок
1
1
1
2
2
2
3
3
4
4
4
5
5
5
6
6
6
7
7
7
8
8
9
10
10
11
11
12
12
13
13
14
14
15
16
17
18
18
19
19
20
20
21
22
| Позиция на иллюстрации | Заводской номер детали | Название детали | |
|---|---|---|---|
| 311102-94-1-20СП | 311102-94-1-20СП | Установка привода лебедок | |
| 311102-94-1СП | 311102-94-1СП | Установка привода лебедок | |
| 1 | 28 0550-20 | Болт М16х1,5-6gх50.109.40Х.029 ГОСТ 7796-70 | |
| 1 | 28 0550 | Болт М16х1,5-6gх50.109.40Х.019 ГОСТ 7796-70 | |
| 2 | 700-31-2209-20 | Шайба ГОСТ 11371-78 | |
| 2 | 700-31-2209 | Шайба ГОСТ 11371-78 | |
| 3 | Шайба 16 ОТ | Шайба 16 ОТ | |
| 4 | 40 0354-05 | Втулка | |
| 5 | 2501-26-217 | Планка | |
| 5 | 2501-26-217-20 | Планка | |
| 6 | 2501-26-216 | Скоба | |
| 6 | 2501-26-216-20 | Скоба | |
| 7 | Шайба 12 ОТ | Шайба 12 ОТ | |
| 8 | Болт М12x1,25-6gx25 | Болт М12x1,25-6gx25 | |
| 9 | 012-016-25-2-51-1668 | Кольцо 012-016-25-2-51-1668 | |
| 10 | 404-26-213-19СП | Рукав диаметр 12 | |
| 10 | 404-26-213-19-20СП | Рукав диаметр 12 | |
| 11 | 311102-90-1СП | Установка лебедок | |
| 11 | 311102-90-1-20СП | Установка лебедок | |
| 12 | 30 0411-20 | Гайка М30x2 | |
| 12 | 30 0411 | Гайка М30x2 | |
| 13 | 31 5412 | Шайба | |
| 13 | 31 5412-20 | Шайба | |
| 14 | 312501-93-7-01-20 | Болт | |
| 14 | 312501-93-7-01 | Болт | |
| 15 | 312001-94-12-01СП | Палец | |
| 16 | Болт М10-6gx30 | Болт М10-6gx30 | |
| 17 | Шайба 10 ОТ | Шайба 10 ОТ | |
| 18 | 311102-94-10-20СП | Кронштейн | |
| 18 | 311102-94-10СП | Кронштейн | |
| 19 | 311102-93-22 | Палец | |
| 19 | 311102-93-22-20 | Палец | |
| 20 | 312501-94-103-20 | Пластина | |
| 20 | 312501-94-103 | Пластина | |
| 21 | Болт М12x1,25-6gx30 | Болт М12x1,25-6gx30 | |
| 22 | 700-41-3178 | Хомутик |
Содержащиеся в справочниках-каталогах запасные части и детали не предлагаются к продаже, а носят исключительно информационный характер