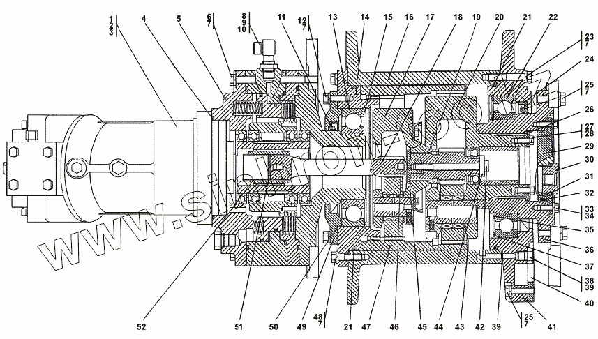
Каталог запасных частей к технике: Промтрактор ТГ-121Я. 311102-90-10СП Лебедка
1
2
2
3
4
5
6
6
7
7
7
7
7
7
8
8
9
9
10
11
12
12
13
14
14
15
16
16
17
18
19
20
21
21
22
23
23
24
25
25
25
26
27
27
29
29
30
30
31
32
33
33
34
35
36
36
37
38
39
39
40
41
41
42
42
43
44
45
46
47
48
48
49
49
50
51
52
| Позиция на иллюстрации | Заводской номер детали | Название детали | |
|---|---|---|---|
| 311102-90-10-20СП | 311102-90-10-20СП | Лебедка | |
| 311102-90-10СП | 311102-90-10СП | Лебедка | |
| 1 | 303.3.112.501.000. 5.УХЛ1 | Гидромотор 303.3.112.501.000. 5.УХЛ1 | |
| 2 | 28 0550 | Болт М16х1,5-6gх50.109.40Х.019 ГОСТ 7796-70 | |
| 2 | 28 0550-20 | Болт М16х1,5-6gх50.109.40Х.029 ГОСТ 7796-70 | |
| 3 | Шайба 16 ОТ | Шайба 16 ОТ | |
| 4 | 170-175-36-2-3 | Кольцо 170-175-36-2-3 | |
| 5 | 311102-90-100СП | Тормоз | |
| 6 | 28 1394 | Болт М12x1,25-6gx150 | |
| 6 | 28 1394-20 | Болт М12x1,25-6gx150 | |
| 7 | Шайба 12 ОТ | Шайба 12 ОТ | |
| 8 | 311102-26-569-20 | Угольник поворотный | |
| 8 | 311102-26-569 | Угольник поворотный | |
| 9 | Н.036.23.022-01 | Контргайка | |
| 9 | Н.036.23.022 | Контргайка | |
| 10 | 018-022-25-2-51-1668 | Кольцо ГОСТ 9833-73/ТУ 38.005.204-84 | |
| 11 | 22-125x155-3 | Манжета 22-125x155-3 | |
| 12 | 28 0342 | Болт М12х1,25-6gх30.109.40Х.019 ГОСТ 7796-70 | |
| 12 | 28 0342-20 | Болт М12х1,25-6gх30.109.40Х.029 ГОСТ 7796-70 | |
| 13 | 222 | Подшипник 222 | |
| 14 | 311102-90-4-20 | Крышка | |
| 14 | 311102-90-4 | Крышка | |
| 15 | 58 0910 | Кольцо С200 ГОСТ 13941-86 | |
| 16 | 311102-90-3-20 | Барабан | |
| 16 | 311102-90-3 | Барабан | |
| 17 | 311102-90-101СП | Водило | |
| 18 | 311102-90-15 | Торсион | |
| 19 | 311102-90-47 | Втулка | |
| 20 | 311102-90-102СП | Водило | |
| 21 | 270-280-58-2-3 | Кольцо ГОСТ 18829-73 | |
| 22 | 132 | Подшипник 132 | |
| 23 | 28 1379-20 | Болт М12х1,25-6gх65 ГОСТ 795-70 | |
| 23 | 28 1379 | Болт М12х1,25-6gх65 ГОСТ 7795-70 | |
| 24 | 2.2-180x220-3 | Манжета 2.2-180x220-3 | |
| 25 | 28 0350 | Болт М12-6gх40 ГОСТ 7798-70 | |
| 25 | 28 0350-20 | Болт М12-6gx40 | |
| 26 | 311102-90-26 | Кольцо | |
| 27 | 28 0231-20 | Болт 3M10-6gx25 | |
| 27 | 28 0231 | Болт 3М10-6gх25 | |
| 29 | 311102-90-44-20 | Крышка | |
| 29 | 311102-90-44 | Крышка | |
| 30 | 37 5999 | Пробка | |
| 30 | 37 5999-20 | Пробка | |
| 31 | 045-050-30-2-51-1668 | Кольцо ГОСТ 9833-73/ГОСТ 18829-73 | |
| 32 | 110-120-58-2-3 | Кольцо ГОСТ 9833-73/ГОСТ 18829-73 | |
| 33 | 28 0230-20 | Болт М10-6gх25 ГОСТ 7796-70 | |
| 33 | 28 0230 | Болт М10-6gх25 ГОСТ 7796-70 | |
| 34 | Шайба 10 ОТ | Шайба 10 ОТ | |
| 35 | 700-58-2095 | Кольцо С160 ГОСТ 13940-86 | |
| 36 | 311102-90-25 | Фланец | |
| 36 | 311102-90-25-20 | Фланец | |
| 37 | 700-58-2396 | Кольцо С240 ГОСТ 13941-86 | |
| 38 | 37 5516 | Пробка | |
| 39 | 012-016-25-2-51-1668 | Кольцо 012-016-25-2-51-1668 | |
| 40 | 311102-90-28 | Планка | |
| 41 | 311102-90-2 | Реборда | |
| 41 | 311102-90-2-20 | Реборда | |
| 42 | 28 0393 | Болт 3М12-6gх130 ГОСТ 7796-70 | |
| 42 | 28 0393-20 | Болт 3М12-6gх130 ГОСТ 7796-70 | |
| 43 | 58 5950 | Кольцо | |
| 44 | 311102-90-38 | Кольцо | |
| 45 | 311102-90-35 | Фиксатор | |
| 46 | 311102-90-13 | Пята | |
| 47 | 311102-90-16 | Шестерня | |
| 48 | 28 0361 | Болт М12х1,25-6gх45 | |
| 48 | 28 0361-20 | Болт М12х1,25-6gх45 | |
| 49 | 311102-90-41-20 | Крышка | |
| 49 | 311102-90-41 | Крышка | |
| 50 | 205-215-46-2-3 | Кольцо ГОСТ 9833-73 | |
| 51 | 58 0421 | Кольцо С42 | |
| 52 | 311102-90-40 | Муфта |
Содержащиеся в справочниках-каталогах запасные части и детали не предлагаются к продаже, а носят исключительно информационный характер