Вернуться на главную
Поиск
Каталоги запчастей к технике
Спецтехника
Промтрактор
ТГ-121Я
311102-90-100СП Тормоз
Каталог запасных частей к технике: Промтрактор ТГ-121Я. 311102-90-100СП Тормоз
zoom-in
zoom-out
enlarge
shrink
circle-right
circle-left
file-text2
info
cart
Тип техники
Не выбрано
Легковые автомобили
Грузовые автомобили и прицепы
Автобусы
Сельхозтехника
Спецтехника
Двигатели
Мототехника
Марка
Не выбрано
Ammann
BOMAG
CARMIX
CASE IH
Changlin
ChengGong
Dimex
Doosan
DYNAPAC
Foton
HAMM
Hidromek
Hitachi
Hyundai
JCB
JLG
John Deere
Komatsu
LIEBHERR
LiuGong
Lonking (LongGong)
Luneng
MANITOU
Mitsuber
New Holland
PENGPU
RM-Terex
SANY
SDLG
SEM
Shantui
Shehwa HBXG
Soosan
TIGARBO
VOGELE
Volvo
WAY
WIRTGEN
XCMG
XGMA
Xiamen
YTO
Yuchai
Zoomlion
Автокран
АЗСМ
Алтайлесмаш
Амкодор
АОМЗ
Атек
АТЗ
Балканкар Рекорд
БелАЗ
Беловеж
Борекс
Брянский Арсенал
Булат
ВЭКС
ГАЗ
Геомаш
Гидромаш
Донекс
Дормаш
Дормашина
Дорэлектромаш
ДЭЗ
ЕлАЗ
ЗЗГТ
Ижнефтемаш
Канаш-электрокар
КЗКТ
ККЗ
Клевер
Клинцовский автокрановый завод
КМЗ
КМЗ 1 Мая
Ковровец
Коммаш
Кранэкс
КЭЗ
КЭМЗ
ЛЗА
МАЗ
МЗИК
МЗКМ
МЗКТ
Михневский РМЗ
МоАЗ
Мозырский МЗ
МТЗ
ОЗП
Онежец
ПАО "ТЗА"
ППС Детва
Промтрактор
ПТЗ
Раскат
СпецАгрегат
ТВЭКС
ТТМ
УВЗ
Угличмаш
УЗТМ
ХТЗ
ЧЗКМ
ЧСДМ
ЧТЗ
ЭКСКО
ЭКСМАШ
ЮрМаш
Модель
Не выбрано
ПК-12.02 (2007)
ПК-12.02К (2007)
ПК-60.01 (2007)
Т-11.01К (2008)
Т-11.01Я
Т-11.02К (2008)
Т-11.02Я (2008)
Т-15.01К (2007)
Т-15.01Я (2000)
Т-15.02K (2009)
Т-15.02Я (2009)
Т-20.01К
Т-20.01Я (2000)
Т-20.01Я (2005) (2005)
Т-20.02К (Четра) (2009)
Т-20.02Я (Четра) (2009)
Т-25.01К1 (2008)
Т-25.01Я (2006)
Т-330 (2006)
Т-35.01К (2007)
Т-35.01Я
Т-40.01К (2008)
Т-50.01 (1998)
Т-500 (1999)
Т-9.01Я (2007)
ТГ-121Я (2004)
ТГ-221КМ (2006)
ТГ-221Я (2004)
ТГ-301К (2006)
ТГ-301Я (2004)
ТГ-302Я (2010)
ТГ-503К (2006)
ТГ-503Я (2006)
ТГ-511 (2008)
Шасси ТП-20.02 (2008)
Схема
>
Не выбрано
312001-59-1СП Кабина
312001-59-1СП Кабина
312001-59-1СП Кабина
312001-59-1СП Кабина
312001-59-1СП Кабина
3501-13-143СП Блок управления
311102-13-1СП Управление трактором
311102-13-1СП Управление трактором
311102-13-50СП Привод управления
311102-13-50СП Привод управления
2501-23-1СП Установка сиденья
311102-24-1СП Пол
312002-43-40-01СП Установка отопителя кабины
312001-53-1-03СП/-04СП Установка системы вентиляции и отопления кабины
312001-53-52СП Установка независимого отопителя кабины
312001-57-2СП Установка вентиляторов кабины
311102-55-1СП Облицовка
311102-55-1СП Облицовка
1102-01-1-01СП Установка двигателя ЯМЗ-236ДК-7
1102-01-1-01СП Установка двигателя ЯМЗ-236ДК-7
1102-01-10-01СП Двигатель ЯМЗ-236 с оборудованием
1102-05-1СП Установка систем воздухоочистки и выпуска
311102-43-1СП Установка системы подогрева
311102-43-1СП Установка системы подогрева
311102-25-1СП Установка бака
311102-25-1СП Установка бака
1101-21-10-02СП Бак
1101-21-10-02СП Бак
311102-60-1СП Система охлаждения двигателя и трансмиссии
311102-60-1СП Система охлаждения двигателя и трансмиссии
311102-60-1СП Система охлаждения двигателя и трансмиссии
311102-60-117СП Блок радиаторов
311102-60-116СП Радиатор
311102-11-1СП Рама
311102-21-1СП Система ходовая
311102-21-12СП/-13СП Тележка
1101-21-15СП Каток поддерживающий
1101-21-16СП Механизм сдавания
1101-21-42СП/-42-01СП Механизм натяжения
1101-21-40СП/-40-01СП Каток опорный
1101-21-41СП Колесо натяжное
ТЖ203-22-000-02 Гусеница
1101-51-1-01СП Установка прицепного устройства
1101-51-1-01СП Установка прицепного устройства
311102-64-1СП Установка кожухов
1101-16-1-02СП Установка трансмиссии
1101-16-1-02СП Установка трансмиссии
1101-12-16СП Блок трансмиссии
1101-12-15СП Передача главная
1101-12-15СП Передача главная
1101-12-14СП Коробка передач
1101-12-9СП Коробка передач планетарная
1101-12-100СП Бустер
1101-12-101СП Водило
1101-12-103СП Водило
1101-12-105СП Водило
1101-14-1-01СП Гидротрансформатор с редуктором привода насосов
1101-14-1-01СП Гидротрансформатор с редуктором привода насосов
1101-15-10СП Фильтр
1101-15-9СП Крышка
1101-15-15-01СП Делитель потока
1501-15-20СП Блок управления
1501-15-20СП Блок управления
1501-15-41СП Блок управления
1101-16-112СП Клапан
1101-18-10СП Фрикцион бортовой и тормоз остановочный
1112-19-1СП Передача бортовая, фрикцион и тормоз
1112-19-10СП Передача бортовая
1102-20-100СП Муфта упругая
1101-49-1-01 Вал карданный
311502-10-1-06СП Электрооборудование
311502-10-11-06СП Электрооборудование
311502-10-12-01СП Электрооборудование пола кабины
311502-10-12-01СП Электрооборудование пола кабины
311502-10-12-01СП Электрооборудование пола кабины
311502-10-13-06СП Установка электрооборудования на раме
311502-10-13-06СП Установка электрооборудования на раме
311502-10-14-02СП Электрооборудование стрелы грузовой
311502-10-16-01СП Электрооборудование отопительной установки
311502-10-18СП Электрооборудование передней облицовки
311502-10-19СП Электрооборудование обоймы подвесной
311502-10-100СП Блок выключателей
311502-10-103СП Щиток приборов
311502-10-120СП Модуль защиты от опасного напряжения
312001-10-12-02СП Электрооборудование крыши кабины
312001-10-12-02СП Электрооборудование крыши кабины
1102-10-12-01СП Электрооборудование двигателя
1102-10-12-01СП Электрооборудование двигателя
1106-10-14-01СП Электрооборудование топливного бака
1106-10-14-01СП Электрооборудование топливного бака
1106-10-14-01СП Электрооборудование топливного бака
1106-10-16-01СП Электрооборудование подогревателя ПЖД30Г
2502-10-153-03СП Щиток приборов
404-10-270СП Установка фары
405-10-133СП Блок выключателей
311102-26-500СП/-500-01СП Гидросистема управления навесным оборудованием
311102-26-500СП/-500-01СП Гидросистема управления навесным оборудованием
311102-26-500СП/-500-01СП Гидросистема управления навесным оборудованием
311102-26-30СП Распределитель секционный
311102-26-30-01СП Распределитель секционный
311102-26-31СП Распределитель
311102-26-32СП/-32-01СП Распределитель
311102-26-33СП Клапан
311102-26-35СП Клапан
311102-26-38СП Клапан
311102-26-39СП Клапан
311102-26-40СП Клапан
311102-26-501СП/-501-01СП Пульт управления
311102-26-502СП Пульт управления
311102-26-504СП Гидроцилиндр
312001-26-51СП Гидрозамок
311102-90-1СП Установка лебедок
311102-90-10СП Лебедка
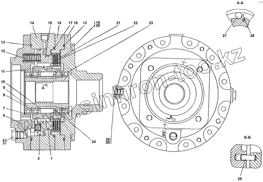
311102-90-100СП Тормоз
311102-90-101СП Водило
311102-90-102СП Водило
311102-92-1СП Установка стрелы и полиспастов
311102-92-1-20СП Установка стрелы и полиспастов
311102-92-15СП Подвеска крюка
311102-92-17СП Обойма стреловая
311102-92-22СП Обойма подвесная
311102-93-1СП Установка противовеса
311102-94-1СП Установка привода лебедок
311102-95-1СП Портал
1
2
3
4
6
6
7
8
9
10
11
12
13
13
14
15
16
16
17
18
18
19
19
20
21
22
23
24
25
25
26
27
28
29
Позиция на иллюстрации
Заводской номер детали
Название детали
311102-90-100-20СП
311102-90-100-20СП
Тормоз
311102-90-100СП
311102-90-100СП
Тормоз
1
2501-12-181-27
Кольцо уплотнительное
2
2501-12-181-47
Кольцо уплотнительное
3
018-022-25-2-51-1668
Кольцо ГОСТ 9833-73/ТУ 38.005.204-84
4
37 5625
Пробка
6
311102-90-1-20
Корпус
6
311102-90-1
Корпус
7
58 0818
Кольцо С125 ГОСТ 13941-86
8
58 0705
Кольцо С90
9
311102-90-18
Ступица
10
312501-90-207-02
Стержень
11
311102-90-17
Обойма
12
38 5577
Пружина предохранительного клапана
13
270-280-58-2-3
Кольцо ГОСТ 18829-73
14
311102-90-6
Корпус
15
311102-90-19
Поршень
16
311102-90-7
Барабан
16
311102-90-7-20
Барабан
17
255-265-58-2-3
Кольцо 255-265-58-2-3
18
311102-90-5-20
Опора
18
311102-90-5
Опора
19
28 5386
Болт
19
28 5396-20
Болт
20
Шайба 12 ОТ
Шайба 12 ОТ
21
312001-90-17СП
Диск
22
312001-90-39
Диск
23
1000918
Подшипник 1000918
24
311102-90-20
Кольцо
25
37 5516-20
Пробка
25
37 5516
Пробка
26
012-016-25-2-51-1668
Кольцо 012-016-25-2-51-1668
27
Ролик 13x38НРДV
Ролик 13x38НРДV
28
312501-90-178
Пружина автолога
29
32 5280
Штифт
Содержащиеся в справочниках-каталогах запасные части и детали не предлагаются к продаже, а носят исключительно информационный характер
Дополнительная информация
×
Название:
Номер:
Примечание: