Каталог запасных частей к технике: Промтрактор ТГ-121Я. 1101-16-1-02СП Установка трансмиссии
1
1
2
2
3
3
4
4
4
4
4
4
4
5
6
7
7
8
9
9
10
11
11
12
13
14
14
15
15
16
16
17
17
18
18
19
19
20
20
21
21
22
23
23
24
24
25
26
27
28
29
29
30
30
31
32
32
33
33
33
33
34
34
35
35
36
36
37
37
37
38
39
39
39
40
40
41
42
43
44
44
45
46
46
47
48
49
49
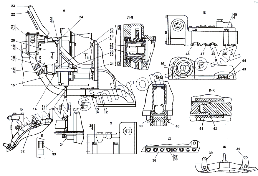
| Позиция на иллюстрации | Заводской номер детали | Название детали | |
|---|---|---|---|
| 1 | 1101-16-100-20СП | Трубопровод | |
| 1 | 1101-16-100СП | Трубопровод | |
| 2 | 075-081-36-2-ИРП1314-1 | Кольцо 075-081-36-2-ИРП1314-1 | |
| 3 | Болт М12-6gx25 | Болт М12-6gx25 | |
| 4 | Шайба 12 ОТ | Шайба 12 ОТ | |
| 5 | 46 1602 | Рукав | |
| 6 | 1070-У-02 | Хомут 1070-У-02 | |
| 7 | 28 0150 | Болт М8-6gх55 | |
| 7 | 28 0150-20 | Болт М8-6gх55 | |
| 8 | Шайба 8Т | Шайба 8Т | |
| 9 | 1101-16-3-20 | Бугель | |
| 9 | 1101-16-3 | Бугель | |
| 10 | 40 0040 | Пластина 2Н-I ТМКЩ-С2-3 | |
| 11 | 1101-16-101-20СП | Опора | |
| 11 | 1101-16-101СП | Опора | |
| 12 | Болт М10-6gx20 | Болт М10-6gx20 | |
| 13 | Шайба 10 ОТ | Шайба 10 ОТ | |
| 14 | 2501-26-83-20 | Фланец | |
| 14 | 2501-26-83 | Фланец | |
| 15 | 1101-16-5-20 | Труба | |
| 15 | 1101-16-5 | Труба | |
| 16 | 28 1391-20 | Болт M12-6gx110 | |
| 16 | 28 1391 | Болт 3М 12-6х110 ГОСТ 7796-70 | |
| 17 | 060-070-58-2-51-1668 | Кольцо ГОСТ 18829-73/ТУ 38.005.204-84 | |
| 18 | 1101-16-2-20 | Фланец | |
| 18 | 1101-16-2 | Фланец | |
| 19 | Болт М12-6gx30 | Болт М12-6gx30 | |
| 20 | Насос НШ100А-3 | Насос НШ100А-3 | |
| 20 | Насос НШ100А-3Т | Насос НШ100А-3Т | |
| 21 | 1101-16-103СП | Заборник | |
| 21 | 1101-16-103-20СП | Заборник | |
| 22 | 1101-16-106-01СП | Линейка | |
| 23 | 2501-15-124-20СП | Пробка | |
| 23 | 2501-15-124СП | Пробка | |
| 24 | 1101-16-115-20СП | Кожух | |
| 24 | 1101-16-115СП | Кожух | |
| 25 | 28 0500 | Болт 3М14х1,5-6gx35 | |
| 26 | Шайба 14 ОТ | Шайба 14 ОТ | |
| 27 | 2501-15-103 | Муфта | |
| 28 | С34 | Кольцо С34 | |
| 29 | 1101-16-104-20СП | Труба | |
| 29 | 1101-16-104СП | Труба | |
| 30 | 032-038-36-2-51-1668 | Кольцо ГОСТ 18829-73/ТУ 38.005.204-84 | |
| 31 | 039-045-36-2-51-1668 | Кольцо ГОСТ 18829-73/ТУ 38.005.204-84 | |
| 32 | 400-18-8-20 | Планка | |
| 32 | 400-10-8 | Планка | |
| 33 | 46-14-141СП | Сапун | |
| 33 | 2001-16-15-20 | Кронштейн | |
| 33 | 46-14-141-20СП | Сапун | |
| 33 | 2001-16-15 | Кронштейн | |
| 34 | 45 0310 | Прокладка | |
| 34 | 45 0310-20 | Прокладка | |
| 35 | 28 0379-20 | Болт 3М12-6gх65.109.40Х 029 ГОСТ 7796-70 | |
| 35 | 28 0379 | Болт 3М12-6gх65 | |
| 36 | 1101-16-4-20 | Планка | |
| 36 | 1101-16-4 | Планка | |
| 37 | 28 0500-20 | Болт 3М14х1,5-6gх35 | |
| 37 | 28 0551 | Болт M16-6gx50 | |
| 37 | 28 0551-20 | Болт M16-6gx50 | |
| 38 | Шайба 16 ОТ | Шайба 16 ОТ | |
| 39 | 311102-26-600-20 | Планка | |
| 39 | 311102-26-600 | Планка | |
| 40 | 1101-16-112-20СП | Клапан | |
| 40 | 1101-16-112СП | Клапан | |
| 41 | 1101-16-6 | Муфта | |
| 42 | С38 | Кольцо С38 | |
| 43 | 045-050-30-2-51-1668 | Кольцо ГОСТ 9833-73/ГОСТ 18829-73 | |
| 44 | 700-37-2140-20 | Пробка | |
| 44 | 700-37-2140 | Пробка | |
| 45 | 014-018-25-2-51-1668 | Кольцо 014-018-25-2-51-1668 | |
| 46 | 025-030-30-2-51-1668 | Кольцо ГОСТ 9833-73 | |
| 46 | 115-125-58-2-51-1668 | Кольцо 115-125-58-2-51-1668 | |
| 47 | 049-055-36-2-51-1668 | Кольцо ГОСТ 18829-73/ТУ 38.005.204-84 | |
| 48 | 034-038-25-2-3 | Кольцо 034-038-25-2-3 | |
| 49 | 28 0383-01 | Болт М12-6gх85 | |
| 49 | 28 0383-01-20 | Болт М12-6gх85 |
Содержащиеся в справочниках-каталогах запасные части и детали не предлагаются к продаже, а носят исключительно информационный характер