Вернуться на главную
Поиск
Каталоги запчастей к технике
Спецтехника
Промтрактор
Т-9.01Я
Гидросистема бульдозерного оборудования
Каталог запасных частей к технике: Промтрактор Т-9.01Я. Гидросистема бульдозерного оборудования
zoom-in
zoom-out
enlarge
shrink
circle-right
circle-left
file-text2
info
cart
Тип техники
Не выбрано
Легковые автомобили
Грузовые автомобили и прицепы
Автобусы
Сельхозтехника
Спецтехника
Двигатели
Мототехника
Марка
Не выбрано
Ammann
BOMAG
CARMIX
CASE IH
Changlin
ChengGong
Dimex
Doosan
DYNAPAC
Foton
HAMM
Hidromek
Hitachi
Hyundai
JCB
JLG
John Deere
Komatsu
LIEBHERR
LiuGong
Lonking (LongGong)
Luneng
MANITOU
Mitsuber
New Holland
PENGPU
RM-Terex
SANY
SDLG
SEM
Shantui
Shehwa HBXG
Soosan
TIGARBO
VOGELE
Volvo
WAY
WIRTGEN
XCMG
XGMA
Xiamen
YTO
Yuchai
Zoomlion
Автокран
АЗСМ
Алтайлесмаш
Амкодор
АОМЗ
Атек
АТЗ
Балканкар Рекорд
БелАЗ
Беловеж
Борекс
Брянский Арсенал
Булат
ВЭКС
ГАЗ
Геомаш
Гидромаш
Донекс
Дормаш
Дормашина
Дорэлектромаш
ДЭЗ
ЕлАЗ
ЗЗГТ
Ижнефтемаш
Канаш-электрокар
КЗКТ
ККЗ
Клевер
Клинцовский автокрановый завод
КМЗ
КМЗ 1 Мая
Ковровец
Коммаш
Кранэкс
КЭЗ
КЭМЗ
ЛЗА
МАЗ
МЗИК
МЗКМ
МЗКТ
Михневский РМЗ
МоАЗ
Мозырский МЗ
МТЗ
ОЗП
Онежец
ПАО "ТЗА"
ППС Детва
Промтрактор
ПТЗ
Раскат
СпецАгрегат
ТВЭКС
ТТМ
УВЗ
Угличмаш
УЗТМ
ХТЗ
ЧЗКМ
ЧСДМ
ЧТЗ
ЭКСКО
ЭКСМАШ
ЮрМаш
Модель
Не выбрано
ПК-12.02 (2007)
ПК-12.02К (2007)
ПК-60.01 (2007)
Т-11.01К (2008)
Т-11.01Я
Т-11.02К (2008)
Т-11.02Я (2008)
Т-15.01К (2007)
Т-15.01Я (2000)
Т-15.02K (2009)
Т-15.02Я (2009)
Т-20.01К
Т-20.01Я (2000)
Т-20.01Я (2005) (2005)
Т-20.02К (Четра) (2009)
Т-20.02Я (Четра) (2009)
Т-25.01К1 (2008)
Т-25.01Я (2006)
Т-330 (2006)
Т-35.01К (2007)
Т-35.01Я
Т-40.01К (2008)
Т-50.01 (1998)
Т-500 (1999)
Т-9.01Я (2007)
ТГ-121Я (2004)
ТГ-221КМ (2006)
ТГ-221Я (2004)
ТГ-301К (2006)
ТГ-301Я (2004)
ТГ-302Я (2010)
ТГ-503К (2006)
ТГ-503Я (2006)
ТГ-511 (2008)
Шасси ТП-20.02 (2008)
Схема
>
Не выбрано
Управление трактором
Привод управления
Привод управления
Привод управления
Установка сиденья
Пол
Пол
Установка зависимого отопителя кабины
Установка независимого отопителя кабины
Установка вентиляторов кабины
Установка защиты кабины
Кабина
Кабина
Кабина
Кабина
Облицовка
Облицовка
Облицовка
Кабина
Кабина
Кабина
Машинокомплект деталей и сборочных единиц интерьера кабины «Четра»
Установка двигателя
Установка двигателя
Установка систем воздухоочистки и выпуска
Установка систем воздухоочистки и выпуска
Установка системы подогрева
Установка бака
Установка бака
Бак
Система охлаждения
Система охлаждения
Рама
Балка
Система ходовая
Тележка
Шарнир
Каток поддерживающий
Каток поддерживающий
Механизм сдавания
Механизм натяжения
Каток опорный
Колесо натяжное
Гусеница
Установка кожуха
Установка трансмиссии
Установка трансмиссии
Коробка передач планетарная
Коробка передач с системой гидроуправления
Передача главная
Блок трансмиссии
Бустер
Водило
Водило
Водило
Гидротрансформатор с редуктором привода насосов
Блок управления
Клапан
Клапан
Клапан-модулятор
Блок управления
Клапан
Клапан
Фильтр
Система диагностики
Фрикцион бортовой и тормоз остановочный
Передача бортовая, фрикцион и тормоз
Передача бортовая
Муфта упругая
Установка гидросистемы
Установка гидросистемы
Установка гидросистемы
Установка гидросистемы
Установка гидроцилиндров
Пульт управления
Пульт управления
Пульт управления
Клапан
Клапан
Гидроцилиндр диам. 80
Клапан
Устройство перепускное
Электрооборудование
Установка электрооборудования на раме
Установка электрооборудования в контейнере АКБ
Электрооборудование передней облицовки
Электрооборудование топливного бака
Электрооборудование топливного бака
Установка звуковых сигналов
Электрооборудование двигателя
Электрооборудование двигателя
Электрооборудование крыши кабины
Электрооборудование крыши кабины
Электрооборудование отопителя
Электрооборудование пола кабины
Блок выключателей
Установка электрооборудования пола кабины
Установка блока выключателей
Щиток приборов
Щиток выключателей
Электрооборудование подогревателя ПЖД 30Г
Установка фары
Оборудование бульдозерное полусферическое
Оборудование бульдозерное полусферическое
Отвал
Раскос винтовой
Тяга диагональная
Гидросистема бульдозерного оборудования
Гидрораскос диам. 125
Гидрораскос
Гидрозамок
Оборудование рыхлительное
Зуб
Гидросистема рыхлительного оборудования
Гидросистема рыхлительного оборудования
Гидроцилиндр диам. 100
Агрегат тяговый
Агрегат тяговый
Лебедка
Лебедка
Установка роликов
Тормоз
Редуктор планетарный
Устройство прицепное
Клапан
Оборудование бульдозерное поворотное
Оборудование бульдозерное поворотное
Отвал
Раскос винтовой
Гидросистема бульдозерного оборудования
Гидрораскос
Гидроцилиндр
Установка двигателя ЯМЗ - 236
Установка двигателя$Engine mounting
Установка систем воздухоочистки и выпуска
Установка систем воздухоочистки и выпуска
Рама
Балка
Установка трансмиссии
Установка трансмиссии
Передача бортовая, фрикцион и тормоз
Передача бортовая
Система ходовая
Тележка
Шарнир
Механизм натяжения
Гусеница
Система охлаждения
Система охлаждения
Гидросистема бульдозерного оборудования
Оборудование бульдозерное прямое
Оборудование бульдозерное прямое
Отвал
Гидросистема бульдозерного оборудования
Гидрораскос
Гидрозамок
Раскос винтовой
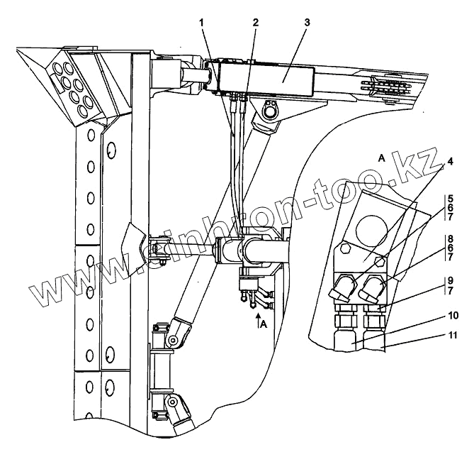
010901-93-500-01СП(SP)
010901-93-500
1
1
2
2
3
3
4
4
5
5
6
6
6
7
7
7
8
8
9
9
10
10
11
11
Позиция на иллюстрации
Заводской номер детали
Название детали
010901-93-500-01СП(SP)
010901-93-500-01СП(SP)
Гидросистема бульдозерного оборудования
010901-93-500
010901-93-500
Гидросистема бульдозерного оборудования
1
012001-93-512-23 -20СП(SP)
Рукав высокого давления
1
012001-93-512-23СП (SP)
Рукав высокого давления
2
012001-93-512-24 -20СП(SP)
Рукав высокого давления
2
012001-93-512-24СП (SP)
Рукав высокого давления
3
010901-93-533СП(SP)
Гидрораскос
3
010901-93-533-20СП -20(SP)
Гидрораскос
4
011132-93-502-20СП -20(SP)
Коллектор
4
011132-93-502СП(SP)
Коллектор
5
312001-26-54СП(SP)
Угольник
5
312001-26-54-20СП -20(SP)
Угольник
6
Н.036.23.072
Контргайка
6
Н.036.23.072-01
Контргайка
7
Кольцо 021-027-36-2-51-1668
Кольцо 021-027-36-2-51-1668
8
312001-26-54 -01СП(SP)
Угольник
8
312001-26-54-01 -20СП(SP)
Угольник
9
Н.036.04.011
Штуцер ввертной
9
Н.036.04.011-01
Штуцер ввертной
10
012001-93-512-13 -20СП(SP)
Рукав высокого давления
10
012001-93-512-13СП (SP)
Рукав высокого давления
11
012001-93-512-14 -20СП(SP)
Рукав высокого давления
11
012001-93-512-14СП (SP)
Рукав высокого давления
Содержащиеся в справочниках-каталогах запасные части и детали не предлагаются к продаже, а носят исключительно информационный характер
Дополнительная информация
×
Название:
Номер:
Примечание: