Вернуться на главную
Поиск
Каталоги запчастей к технике
Спецтехника
Промтрактор
Т-50.01
Оборудование рыхлительное
Каталог запасных частей к технике: Промтрактор Т-50.01. Оборудование рыхлительное
zoom-in
zoom-out
enlarge
shrink
circle-right
circle-left
file-text2
info
cart
Тип техники
Не выбрано
Легковые автомобили
Грузовые автомобили и прицепы
Автобусы
Сельхозтехника
Спецтехника
Двигатели
Мототехника
Марка
Не выбрано
Ammann
BOMAG
CARMIX
CASE IH
Changlin
ChengGong
Dimex
Doosan
DYNAPAC
Foton
HAMM
Hidromek
Hitachi
Hyundai
JCB
JLG
John Deere
Komatsu
LIEBHERR
LiuGong
Lonking (LongGong)
Luneng
MANITOU
Mitsuber
New Holland
PENGPU
RM-Terex
SANY
SDLG
SEM
Shantui
Shehwa HBXG
Soosan
TIGARBO
VOGELE
Volvo
WAY
WIRTGEN
XCMG
XGMA
Xiamen
YTO
Yuchai
Zoomlion
Автокран
АЗСМ
Алтайлесмаш
Амкодор
АОМЗ
Атек
АТЗ
Балканкар Рекорд
БелАЗ
Беловеж
Борекс
Брянский Арсенал
Булат
ВЭКС
ГАЗ
Геомаш
Гидромаш
Донекс
Дормаш
Дормашина
Дорэлектромаш
ДЭЗ
ЕлАЗ
ЗЗГТ
Ижнефтемаш
Канаш-электрокар
КЗКТ
ККЗ
Клевер
Клинцовский автокрановый завод
КМЗ
КМЗ 1 Мая
Ковровец
Коммаш
Кранэкс
КЭЗ
КЭМЗ
ЛЗА
МАЗ
МЗИК
МЗКМ
МЗКТ
Михневский РМЗ
МоАЗ
Мозырский МЗ
МТЗ
ОЗП
Онежец
ПАО "ТЗА"
ППС Детва
Промтрактор
ПТЗ
Раскат
СпецАгрегат
ТВЭКС
ТТМ
УВЗ
Угличмаш
УЗТМ
ХТЗ
ЧЗКМ
ЧСДМ
ЧТЗ
ЭКСКО
ЭКСМАШ
ЮрМаш
Модель
Не выбрано
ПК-12.02 (2007)
ПК-12.02К (2007)
ПК-60.01 (2007)
Т-11.01К (2008)
Т-11.01Я
Т-11.02К (2008)
Т-11.02Я (2008)
Т-15.01К (2007)
Т-15.01Я (2000)
Т-15.02K (2009)
Т-15.02Я (2009)
Т-20.01К
Т-20.01Я (2000)
Т-20.01Я (2005) (2005)
Т-20.02К (Четра) (2009)
Т-20.02Я (Четра) (2009)
Т-25.01К1 (2008)
Т-25.01Я (2006)
Т-330 (2006)
Т-35.01К (2007)
Т-35.01Я
Т-40.01К (2008)
Т-50.01 (1998)
Т-500 (1999)
Т-9.01Я (2007)
ТГ-121Я (2004)
ТГ-221КМ (2006)
ТГ-221Я (2004)
ТГ-301К (2006)
ТГ-301Я (2004)
ТГ-302Я (2010)
ТГ-503К (2006)
ТГ-503Я (2006)
ТГ-511 (2008)
Шасси ТП-20.02 (2008)
Схема
>
Не выбрано
Кабина
Кабина
Кабина
Пол
Установка защиты кабины
Сиденье
Установка вентиляторов кабины
Вентилятор
Установка кожухов
Установка двигателя
Установка топливного бака
Система охлаждения двигателя и трансмиссии
Система охлаждения двигателя и трансмиссии
Блок радиаторов
Установка систем воздухоочистки и выпуска
Установка систем воздухоочистки и выпуска
Воздухоочиститель
Установка трансмиссии
Установка трансмиссии
Гидротрансформатор
Редуктор привода насосов
Коробка передач планетарная
Коробка передач с системой гидроуправления
Коробка передач с системой гидроуправления
Трансмиссия
Трансмиссия
Водило. Бустер
Передача карданная
Фрикцион бортовой и тормоз остановочный
Передача бортовая
Рама
Балка
Тележка
Тележка
Колесо натяжное
Каток опорный
Каток поддерживающий
Гусеница
Механизм сдавания
Управление трактором
Управление трактором
Электрооборудование
Установка электрооборудования на раме
Электрооборудование двигателя
Электрооборудование двигателя
Электрооборудование передней облицовки
Электрооборудование топливного бака
Электрооборудование топливного бака
Электрооборудование крыши кабины
Электрооборудование пола кабины
Электрооборудование пола кабины
Электрооборудование пола кабины
Установка фары
Блок выключателей
Блок выключателей
Блок выключателей
Щиток приборов
Установка гидросистемы
Установка гидросистемы
Установка гидроцилиндров
Установка гидроцилиндров
Гидроцилиндр
Распределитель секционный 5001-26-69СП
Распределитель секционный 5001-26-70СП
Устройство перепускное
Бак гидросистемы
Распределитель 3501-26-64СП
Распределитель 2701-26-40
Распределитель 2701-26-40
Гидросистема бульдозерного оборудования
Гидрозамок
Гидрораскос
Гидросистема рыхлительного оборудования
Гидросистема рыхлительного оборудования
Гидроцилиндр 46-98-510/46-98-510-01СП
Гидроцилиндр 46-98-511-01СП/46-98-511-02СП
Оборудование бульдозерное
Оборудование бульдозерное
Отвал
Раскос
Тяга поперечная
Оборудование рыхлительное
Оборудование рыхлительное
Механизм изменения вылета зуба
Зуб
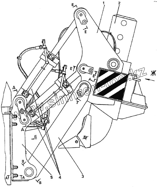
Промышленный трактор Т-50.01
1
1
2
2
3
3
4
4
5
5
Позиция на иллюстрации
Заводской номер детали
Название детали
5001-98-1-20СП
5001-98-1-20СП
Оборудование рыхлительное Т
5001-98-1СП
5001-98-1СП
Оборудование рыхлительное УХЛ
1
5001-98-100СП
Балка рабочая
1
5001-98-100-20СП
Балка рабочая
2
5001-98-180СП
Зуб
2
5001-98-180-20СП
Зуб
3
5001-98-70СП
Тяга
3
5001-98-70-20
Тяга
4
5001-98-550СП
Гидросистема рыхлительного оборудования
4
5001-98-550-20СП
Гидросистема рыхлительного оборудования
5
5001-98-60СП
Кронштейн левый
5
5001-98-60-20СП
Кронштейн левый
Содержащиеся в справочниках-каталогах запасные части и детали не предлагаются к продаже, а носят исключительно информационный характер
Дополнительная информация
×
Название:
Номер:
Примечание: