Вернуться на главную
Поиск
Каталоги запчастей к технике
Спецтехника
Промтрактор
Т-40.01К
4001-12-14СП Блок трансмиссии
Каталог запасных частей к технике: Промтрактор Т-40.01К. 4001-12-14СП Блок трансмиссии
zoom-in
zoom-out
enlarge
shrink
circle-right
circle-left
file-text2
info
cart
Тип техники
Не выбрано
Легковые автомобили
Грузовые автомобили и прицепы
Автобусы
Сельхозтехника
Спецтехника
Двигатели
Мототехника
Марка
Не выбрано
Ammann
BOMAG
CARMIX
CASE IH
Changlin
ChengGong
Dimex
Doosan
DYNAPAC
Foton
HAMM
Hidromek
Hitachi
Hyundai
JCB
JLG
John Deere
Komatsu
LIEBHERR
LiuGong
Lonking (LongGong)
Luneng
MANITOU
Mitsuber
New Holland
PENGPU
RM-Terex
SANY
SDLG
SEM
Shantui
Shehwa HBXG
Soosan
TIGARBO
VOGELE
Volvo
WAY
WIRTGEN
XCMG
XGMA
Xiamen
YTO
Yuchai
Zoomlion
Автокран
АЗСМ
Алтайлесмаш
Амкодор
АОМЗ
Атек
АТЗ
Балканкар Рекорд
БелАЗ
Беловеж
Борекс
Брянский Арсенал
Булат
ВЭКС
ГАЗ
Геомаш
Гидромаш
Донекс
Дормаш
Дормашина
Дорэлектромаш
ДЭЗ
ЕлАЗ
ЗЗГТ
Ижнефтемаш
Канаш-электрокар
КЗКТ
ККЗ
Клевер
Клинцовский автокрановый завод
КМЗ
КМЗ 1 Мая
Ковровец
Коммаш
Кранэкс
КЭЗ
КЭМЗ
ЛЗА
МАЗ
МЗИК
МЗКМ
МЗКТ
Михневский РМЗ
МоАЗ
Мозырский МЗ
МТЗ
ОЗП
Онежец
ПАО "ТЗА"
ППС Детва
Промтрактор
ПТЗ
Раскат
СпецАгрегат
ТВЭКС
ТТМ
УВЗ
Угличмаш
УЗТМ
ХТЗ
ЧЗКМ
ЧСДМ
ЧТЗ
ЭКСКО
ЭКСМАШ
ЮрМаш
Модель
Не выбрано
ПК-12.02 (2007)
ПК-12.02К (2007)
ПК-60.01 (2007)
Т-11.01К (2008)
Т-11.01Я
Т-11.02К (2008)
Т-11.02Я (2008)
Т-15.01К (2007)
Т-15.01Я (2000)
Т-15.02K (2009)
Т-15.02Я (2009)
Т-20.01К
Т-20.01Я (2000)
Т-20.01Я (2005) (2005)
Т-20.02К (Четра) (2009)
Т-20.02Я (Четра) (2009)
Т-25.01К1 (2008)
Т-25.01Я (2006)
Т-330 (2006)
Т-35.01К (2007)
Т-35.01Я
Т-40.01К (2008)
Т-50.01 (1998)
Т-500 (1999)
Т-9.01Я (2007)
ТГ-121Я (2004)
ТГ-221КМ (2006)
ТГ-221Я (2004)
ТГ-301К (2006)
ТГ-301Я (2004)
ТГ-302Я (2010)
ТГ-503К (2006)
ТГ-503Я (2006)
ТГ-511 (2008)
Шасси ТП-20.02 (2008)
Схема
>
Не выбрано
4001-111-01СП Кабина
4001-111-01СП Кабина
4001-59-1СП Кабина
4001-59-1СП Кабина
4001-59-1СП Кабина
4001-61-1СП Установка защиты кабины
2501-23-1СП Установка сиденья
4001-13-1СП Управление трактором
4001-24-1СП Пол
4001-24-1СП Пол
4001-47-1СП Установка зависимого отопителя кабины
4001-53-1СП Установка независимого отопителя кабины
4002-55-1-01СП Облицовка
4002-55-1-01СП Облицовка
4006-01-1СП Установка двигателя QSK19-C520 «Cummins»
4006-01-1СП Установка двигателя QSK19-C520 «Cummins»
4006-01-1СП Установка двигателя QSK19-C520 «Cummins»
4006-05-1СП Установка систем воздухоочистки и выпуска
4006-05-1СП Установка систем воздухоочистки и выпуска
2504-05-15СП Воздухоочиститель
4006-43-1СП Установка системы подогрева
4006-43-1СП Установка системы подогрева
4006-43-1СП Установка системы подогрева
4006-25-1СП Установка топливного бака
4006-25-1СП Установка топливного бака
4006-25-1СП Установка топливного бака
4001-25-10СП Бак топливный
4006-60-3СП Система охлаждения
4006-60-3СП Система охлаждения
4006-60-112СП Установка радиаторная
4001-11-2СП Рама
4001-21-1СП Система ходовая
К280-22-000-03 Гусеница
К280-22-100СП Цепь гусеничная
4001-21-12СП-/13СП Тележка
4001-21-18СП Шарнир
4001-21-82СП/-01СП Каретка
4001-21-80СП/-01СП Каретка
4001-21-115СП Каток поддерживающий
4001-21-150СП Каток поддерживающий
4001-21-116СП Механизм сдавания
4001-21-117СП/-117-01СП Механизм натяжения
4001-21-136СП Механизм сдавания
4001-21-140СП/-140-01СП Каток опорный
4001-21-141СП Колесо натяжное
4001-64-1СП Установка кожухов
4001-16-1СП Установка трансмиссии
4001-16-1СП Установка трансмиссии
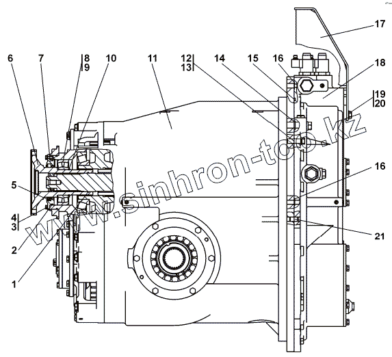
4001-12-14СП Блок трансмиссии
4001-12-12CП Передача главная
4001-12-11СП Коробка передач с системой гидроуправления
4001-12-10СП Коробка передач планетарная
4001-12-100СП Бустер
4001-12-101CП Водило
4001-12-102СП Водило
4001-12-103СП Водило
4001-14-1СП Гидротрансформатор с редуктором привода насосов
4001-14-1СП Гидротрансформатор с редуктором привода насосов
313512-15-6СП Клапан
4001-15-5СП Клапан
4001-15-7СП Клапан предохранительный
4001-15-8СП/-01СП Клапан
4001-15-9СП Клапан
4001-15-10CП Фильтр
4001-15-12CП Клапан
313512-15-1СП Блок управления
313512-15-2СП Клапан
4001-15-100СП Клапан
4001-15-102СП Клапан
1101-16-112СП Клапан
4001-18-10СП Фрикцион бортовой и тормоз остановочный
4001-18-102СП Пакет дисков
4001-19-10СП Передача бортовая
4001-19-100СП Корпус
4001-19-101CП Водило
4001-15-106СП Клапан
313512-15-11СП/-01СП Клапан-модулятор
4002-10-1-01СП Электрооборудование
4002-10-11-01СП Установка электрооборудования на раме
4002-10-13СП Электрооборудование передней облицовки
4002-10-14СП Электрооборудование крыши кабины
4002-10-16СП Электрооборудование контейнера АКБ
4002-10-17-01СП Электрооборудование трансмиссии
4002-10-18СП Электрооборудование топливного бака
4002-10-108СП Щиток выключателей
4006-10-12СП Электрооборудование двигателя
4006-10-13СП Электрооборудование пола кабины
4006-10-105СП Щиток приборов 2
4006-10-109СП Плата
4006-10-111СП Щиток приборов 1
4006-10-114СП Панель
4006-10-116СП Блок предохранителей
4006-10-121СП Панель
404-10-270СП Установка фары
4001-26-1СП Установка гидросистемы
4001-26-1СП Установка гидросистемы
4001-26-10СП Установка гидроцилиндров
4001-26-10СП Установка гидроцилиндров
4001-26-10СП Установка гидроцилиндров
4001-26-29СП Пульт управления
4001-26-30СП Распределитель
4001-26-30СП Распределитель
4001-26-31СП Блок клапанов
4001-26-40СП Бак гидросистемы
0901-26-25СП Клапан
0602-26-49СП Клапан
3501-26-62-01СП Распределитель секционный
3501-26-150СП Клапан
46-26-625-02СП Гидроцилиндр d.160
014001-93-1СП Оборудование бульдозерное полусферическое
014001-93-1СП Оборудование бульдозерное полусферическое
014001-93-20CП Отвал
014001-93-130CП Раскос винтовой
014001-93-500СП Гидросистема бульдозерного оборудования
014001-93-516CП Гидрораскос
014001-93-517CП Гидрораскос
3501-93-506СП Гидрозамок
014001-97-1СП Оборудование рыхлительное
014001-97-1СП Оборудование рыхлительное
014001-97-180СП Зуб
014001-98-1CП Оборудование рыхлительное
014001-98-1CП Оборудование рыхлительное
014001-98-501СП Гидросистема рыхлительного оборудования
014001-98-501СП Гидросистема рыхлительного оборудования
014001-98-512СП/-01СП/-02СП/-03СП Гидроцилиндр
1
2
3
4
5
6
7
8
9
10
11
12
13
14
15
16
16
17
18
18
19
19
20
20
21
Позиция на иллюстрации
Заводской номер детали
Название детали
4001-12-14-20СП(SP)
4001-12-14-20СП(SP)
Блок трансмиссии
4001-12-14СП(SP)
4001-12-14СП(SP)
Блок трансмиссии
1
066-071-30-2-51-1668
Кольцо 066-071-30-2-51-1668
2
150-160-46-2ИРП1314-1
Кольцо 150-160-46-2ИРП1314-1
3
Шайба 8Т
Шайба 8Т
4
Болт М8-6gx25
Болт М8-6gx25
5
105-130-12 BAFUDSLX7 (Art.-Nr.335177)
Манжета 105-130-12 BAFUDSLX7 (Art.-Nr.335177)
6
4001-12-107СП(SP)
Фланец
7
4001-12-67
Крышка
8
3518Н
Подшипник 3518Н
9
22218MBW33
Подшипник 22218MBW33
10
С90
Кольцо С90
11
4001-12-12СП(SP)
Передача главная
12
28 0550
Болт М16х1,5-6gх50.109.40Х.019 ГОСТ 7796-70
13
Шайба 16 ОТ
Шайба 16 ОТ
14
032-038-36-2-51-1668
Кольцо ГОСТ 18829-73/ТУ 38.005.204-84
15
40 0468-35
Кольцо
16
022-026-25-2-51-1668
Кольцо 022-026-25-2-51-1668
17
4001-12-111СП(SP)
Кожух
18
4001-12-11СП(SP)
Коробка передач с системой гидроуправления
18
4001-12-11-20СП(SP)
Коробка передач с системой гидроуправления
19
28 0535
Болт М16х1,25-6gх38.109.40Х.019 ГОСТ 7796-70
19
28 0535-20
Болт М16х1,25-6gх38.109.40Х.029 ГОСТ 7796-70
20
31 0270
Шайба 16 ГОСТ 11371-78
20
31 0270-20
Шайба 16.0Т.10.0221 ГОСТ 11371-78
21
32 5463
Штифт
Содержащиеся в справочниках-каталогах запасные части и детали не предлагаются к продаже, а носят исключительно информационный характер
Дополнительная информация
×
Название:
Номер:
Примечание: