Каталог запасных частей к технике: Промтрактор Т-35.01Я. Электрооборудование пола кабины
1
2
2
2
2
3
3
4
5
6
6
7
7
7
8
8
8
8
9
9
9
9
10
10
12
12
12
14
16
16
17
17
18
18
19
19
21
21
22
23
23
23
25
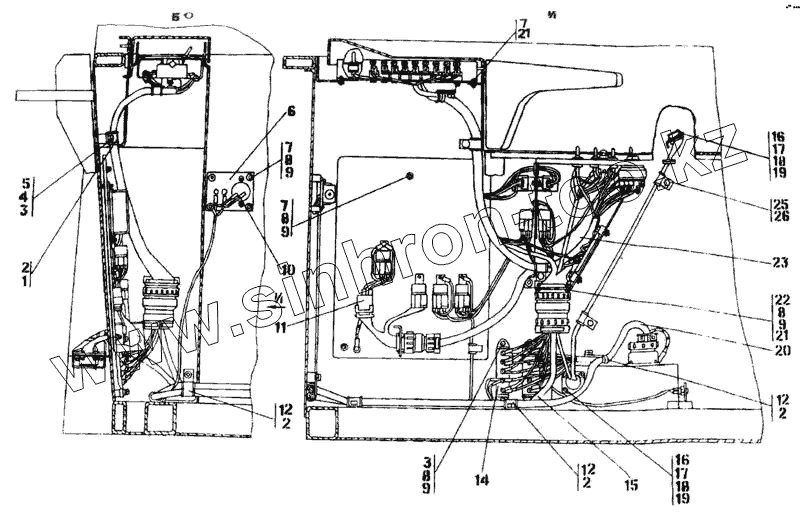
| Позиция на иллюстрации | Заводской номер детали | Название детали | |
|---|---|---|---|
| 1 | 700-41-2548 | Хомутик | |
| 2 | 700-40-6684-03 | Прокладка | |
| 3 | 31 0150 | Шайба 8 ГОСТ 11371-78 | |
| 4 | Шайба 8Т ГОСТ 6402-70 | Шайба 8Т ГОСТ 6402-70 | |
| 5 | М8-6gх16 ГОСТ 7796-70 | Болт | |
| 6 | 3501-10-139-20СП | Панель | |
| 6 | 3501-10-139СП | Панель | |
| 7 | Винт В.М6-6gх12 ГОСТ 17473-80 | Винт В.М6-6gх12 ГОСТ 17473-80 | |
| 8 | Шайба 6Т ГОСТ 6402-70 | Шайба 6Т ГОСТ 6402-70 | |
| 9 | 31 0110 | Шайба 6.01.08кп.019 ГОСТ 11371-78 | |
| 10 | 3501-10-144-20СП | Провод | |
| 10 | 3501-10-144СП | Провод | |
| 12 | 41 5178 | Хомутик | |
| 13 | Болт М6-6gх25 ГОСТ 7798-70 | Болт М6-6gх25 ГОСТ 7798-70 | |
| 14 | 17.3723000 | Панель соединительная ТУ 37.003.1358-88 | |
| 16 | Винт В.М3-бgх10 ГОСТ 17473-80 | Винт В.М3-бgх10 ГОСТ 17473-80 | |
| 17 | Гайка М3-7Н ГОСТ 5927-70 | Гайка М3-7Н ГОСТ 5927-70 | |
| 18 | Шайба 3 ГОСТ 6402-70 | Шайба 3 ГОСТ 6402-70 | |
| 19 | 31 0020 | Шайба 3.01.08кп.019 ГОСТ 11 371-78 | |
| 21 | 2501-89-123СП | Клипса | |
| 22 | Винт В.М6-6gх16 ГОСТ 17473-80 | Винт В.М6-6gх16 ГОСТ 17473-80 | |
| 23 | 2502-10-156-01-10СП | Блок выключателей | |
| 23 | 2502-10-156-01-20СП | Блок выключателей | |
| 23 | 2502-10-156-01СП | Блок выключателей | |
| 24 | 700-40-6684-06 | Прокладка | |
| 25 | 41 5119 | Хомутик |
Содержащиеся в справочниках-каталогах запасные части и детали не предлагаются к продаже, а носят исключительно информационный характер