Каталог запасных частей к технике: Промтрактор Т-35.01Я. Электрооборудование
1
1
1
2
2
2
2
3
3
3
4
4
4
5
5
5
5
6
6
6
7
7
8
8
9
9
10
10
11
11
12
12
13
14
15
16
17
17
17
18
19
20
20
20
21
21
22
22
23
23
24
25
25
26
26
26
26
26
27
27
27
27
27
28
29
30
31
31
32
33
34
35
36
37
37
37
38
38
38
38
39
40
40
40
42
42
42
43
43
43
44
44
44
45
45
46
46
47
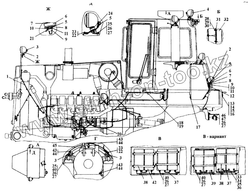
| Позиция на иллюстрации | Заводской номер детали | Название детали | |
|---|---|---|---|
| 31 0150-20 | 31 0150-20 | Шайба 8.01.08кп.0221 ГОСТ 11371-78 | |
| 31 0210-20 | 31 0210-20 | Шайба 12х2 ГОСТ 11371-78 | |
| 2502-10-2-01СП | 2502-10-2-01СП | Электрооборудование | |
| 2502-10-2-01-20СП | 2502-10-2-01-20СП | Электрооборудование | |
| 1 | 2501-10-111-03-20СП | Электрооборудование передней облицовки | |
| 1 | 2501-10-111-03СП | Электрооборудование передней облицовки | |
| 1 | 2501-10-111-03-10СП | Электрооборудование передней облицовки | |
| 2 | 3131.3711010 | Фара ГОСТ 3544-75 | |
| 2 | 3136.3711010 | Фара ГОСТ 3544-75 | |
| 2 | 3137.3711010 | Фара ГОСТ 3544-75 | |
| 3 | 700-40-5607 | Наконечник | |
| 4 | 404-10-270-10СП | Установка фары | |
| 4 | 404-10-270-20-СП | Установка фары | |
| 4 | 404-10-270-СП | Установка фары | |
| 5 | 46-10-85 | Опора | |
| 5 | 46-10-85-20 | Опора | |
| 6 | 46-10-86 | Опора | |
| 6 | 46-10-86-20 | Опора | |
| 7 | 700-40-6018 | Опора | |
| 8 | Кольцо 14х12х4-6а ОСТ 38.05 156-78 | Кольцо 14х12х4-6а ОСТ 38.05 156-78 | |
| 9 | Гайка М12х1,25-6Н ГОСТ 7796-70 | Гайка М12х1,25-6Н ГОСТ 7796-70 | |
| 10 | Шайба 12 ГОСТ 6402-7 | Шайба 12 ГОСТ 6402-7 | |
| 11 | 31 0210 | Шайба 12х2.01.08кп.019 ГОСТ 11371-78 | |
| 12 | 2502-10-151-29-20СП | Провод | |
| 12 | 2502-10-151-29СП | Провод | |
| 13 | Винт ВМ6-6gх12 ГОСТ 17473-80 | Винт ВМ6-6gх12 ГОСТ 17473-80 | |
| 14 | Шайба 6Т ГОСТ 6402-70 | Шайба 6Т ГОСТ 6402-70 | |
| 15 | 31 0110 | Шайба 6.01.08кп.019 ГОСТ 11371-78 | |
| 16 | ФП310Е | Световозвращатель ТУ 37.003.079-80 | |
| 17 | 3501-10-18-10СП | Электрооборудование топливного бака | |
| 17 | 3501-10-18-20СП | Электрооборудование топливного бака | |
| 17 | 3501-10-18СП | Электрооборудование топливного бака | |
| 18 | 700-40-6684-02 | Прокладка | |
| 19 | 700-41-2548 | Хомутик | |
| 20 | 2502-10-17-01СП | Установка электрооборудования на раме | |
| 20 | 2502-10-17-01-10СП | Установка электрооборудования на раме | |
| 20 | 2502-10-17-01-20СП | Установка электрооборудования на раме | |
| 21 | 46-10-637-20СП | Провод | |
| 21 | 46-10-637СП | Провод | |
| 22 | 700-40-6684-06 | Прокладка | |
| 23 | 41 5119 | Хомутик | |
| 24 | 602602 | Колодка гнездовая ОСТ 37.003.032-88 | |
| 25 | М8-6gх16 ГОСТ 7796-70 | Болт | |
| 26 | Шайба 8Т ГОСТ 6402-70 | Шайба 8Т ГОСТ 6402-70 | |
| 27 | 31 0150 | Шайба 8 ГОСТ 11371-78 | |
| 28 | Гайка М6-7Н ГОСТ 5915-70 | Гайка М6-7Н ГОСТ 5915-70 | |
| 29 | Шайба 6Т.65Г | Шайба 6Т.65Г | |
| 30 | 31 0110-20 | Шайба 6.01.08кп.0221 ГОСТ 11371-78 | |
| 31 | ТТ2501-10-8-20 | Прокладка | |
| 31 | ТТ2501-10-8 | Прокладка | |
| 32 | ФП134-Б | Фонарь освещения номерного знака ТУ 37.003.675-82 | |
| 33 | БолтМ10-6gх30 ГОСТ 7796-70 | БолтМ10-6gх30 ГОСТ 7796-70 | |
| 34 | Гайка М10-7Н ГОСТ 7796-70 | Гайка М10-7Н ГОСТ 7796-70 | |
| 35 | Шайба 10 ГОСТ 6402-70 | Шайба 10 ГОСТ 6402-70 | |
| 36 | 31 0170 | Шайба 10 ГОСТ 11371-78 | |
| 37 | 404-10-374СП | Провод | |
| 37 | 404-10-374-20СП | Провод | |
| 38 | 46-10-676-20СП | Рамка | |
| 38 | 46-10-702СП | Рамка | |
| 38 | 46-10-676СП | Рамка | |
| 39 | Батарея 6СТ-190А ТУ 16-729.384-83 | Батарея 6СТ-190А ТУ 16-729.384-83 | |
| 40 | Гайка М8-6Н ГОСТ 7796-70 | Гайка М8-6Н ГОСТ 7796-70 | |
| 42 | 6СТ-190ТМ тропики | Батарея 6СТ-190ТМ тропики ТУ 16-529.951-78 | |
| 42 | 6СТ-190ТМ | Батарея 6СТ-190ТМ ТУ 16-529.951-78 | |
| 42 | 6СТ-190ТМ экспорт | Батарея 6СТ-190ТМ экспорт ТУ 16-529.951-78 | |
| 43 | 700-40-6684-07 | Прокладка | |
| 44 | 700-41-3310 | Хомутик | |
| 45 | 3501-10-129-31-20СП | Провод | |
| 45 | 3501-10-129-31СП | Провод | |
| 46 | 3501-10-198-20СП | Установка фары заднего хода | |
| 46 | 3501-10-198СП | Установка фары заднего хода | |
| 47 | Болт М8-6gх35 ГОСТ 7796-70 | Болт М8-6gх35 ГОСТ 7796-70 |
Содержащиеся в справочниках-каталогах запасные части и детали не предлагаются к продаже, а носят исключительно информационный характер