Вернуться на главную
Поиск
Каталоги запчастей к технике
Спецтехника
Промтрактор
Т-35.01К
3501-98-1СП Оборудование рыхлительное
Каталог запасных частей к технике: Промтрактор Т-35.01К. 3501-98-1СП Оборудование рыхлительное
zoom-in
zoom-out
enlarge
shrink
circle-right
circle-left
file-text2
info
cart
Тип техники
Не выбрано
Легковые автомобили
Грузовые автомобили и прицепы
Автобусы
Сельхозтехника
Спецтехника
Двигатели
Мототехника
Марка
Не выбрано
Ammann
BOMAG
CARMIX
CASE IH
Changlin
ChengGong
Dimex
Doosan
DYNAPAC
Foton
HAMM
Hidromek
Hitachi
Hyundai
JCB
JLG
John Deere
Komatsu
LIEBHERR
LiuGong
Lonking (LongGong)
Luneng
MANITOU
Mitsuber
New Holland
PENGPU
RM-Terex
SANY
SDLG
SEM
Shantui
Shehwa HBXG
Soosan
TIGARBO
VOGELE
Volvo
WAY
WIRTGEN
XCMG
XGMA
Xiamen
YTO
Yuchai
Zoomlion
Автокран
АЗСМ
Алтайлесмаш
Амкодор
АОМЗ
Атек
АТЗ
Балканкар Рекорд
БелАЗ
Беловеж
Борекс
Брянский Арсенал
Булат
ВЭКС
ГАЗ
Геомаш
Гидромаш
Донекс
Дормаш
Дормашина
Дорэлектромаш
ДЭЗ
ЕлАЗ
ЗЗГТ
Ижнефтемаш
Канаш-электрокар
КЗКТ
ККЗ
Клевер
Клинцовский автокрановый завод
КМЗ
КМЗ 1 Мая
Ковровец
Коммаш
Кранэкс
КЭЗ
КЭМЗ
ЛЗА
МАЗ
МЗИК
МЗКМ
МЗКТ
Михневский РМЗ
МоАЗ
Мозырский МЗ
МТЗ
ОЗП
Онежец
ПАО "ТЗА"
ППС Детва
Промтрактор
ПТЗ
Раскат
СпецАгрегат
ТВЭКС
ТТМ
УВЗ
Угличмаш
УЗТМ
ХТЗ
ЧЗКМ
ЧСДМ
ЧТЗ
ЭКСКО
ЭКСМАШ
ЮрМаш
Модель
Не выбрано
ПК-12.02 (2007)
ПК-12.02К (2007)
ПК-60.01 (2007)
Т-11.01К (2008)
Т-11.01Я
Т-11.02К (2008)
Т-11.02Я (2008)
Т-15.01К (2007)
Т-15.01Я (2000)
Т-15.02K (2009)
Т-15.02Я (2009)
Т-20.01К
Т-20.01Я (2000)
Т-20.01Я (2005) (2005)
Т-20.02К (Четра) (2009)
Т-20.02Я (Четра) (2009)
Т-25.01К1 (2008)
Т-25.01Я (2006)
Т-330 (2006)
Т-35.01К (2007)
Т-35.01Я
Т-40.01К (2008)
Т-50.01 (1998)
Т-500 (1999)
Т-9.01Я (2007)
ТГ-121Я (2004)
ТГ-221КМ (2006)
ТГ-221Я (2004)
ТГ-301К (2006)
ТГ-301Я (2004)
ТГ-302Я (2010)
ТГ-503К (2006)
ТГ-503Я (2006)
ТГ-511 (2008)
Шасси ТП-20.02 (2008)
Схема
>
Не выбрано
1101-111-05СП-11СП-12СП Кабина
1101-111-05СП-11СП-12СП Кабина
1101-111-05СП-11СП-12СП Кабина
1101-111-05СП-11СП-12СП Кабина
1101-111-34СП-35СП-36СП Кабина
1101-111-34СП-35СП-36СП Кабина
1101-111-34СП-35СП-36СП Кабина
1101-111-34СП-35СП-36СП Кабина
2501-59-1СП-1-01СП Кабина
2501-59-1СП-1-01СП Кабина
2501-59-1СП-1-01СП Кабина
3501-61-3СП-3-01СП Установка защиты кабины
1101-89-2МК Машинокомплект деталей и сборочных единиц нтерьера кабины
3506-13-1СП-1-01СП Управление трактором
3506-13-1СП-1-01СП Управление трактором
1101-23-1СП Установка сиденья
3501-24-1СП Пол
1101-47-1СП Установка отопителя кабины
2502-48-2-01СП Установка кондиционера
312505-53-1-01СП Система отопления и вентиляции кабины
312001-57-2СП Установка вентиляторов кабины
3501-55-2-02СП Облицовка
3501-55-2-02СП Облицовка
3506-01-1СП-1-02СП Установка двигателя «Cummins»
3506-01-1СП-1-02СП Установка двигателя «Cummins»
3506-05-2СП Установка систем воздухоочистки и выпуска
2702-05-19СП-01СП Воздухоочиститель
3506-43-4-01СП Установка системы подогрева
3506-43-4-01СП Установка системы подогрева
3506-25-1СП Установка топливного бака
3506-25-1СП Установка топливного бака
3506-25-10СП Бак топливный
3506-25-10СП Бак топливный
3506-60-2CП Система охлаждения двигателя и трансмиссии
3506-60-2CП Система охлаждения двигателя и трансмиссии
3506-60-2CП Система охлаждения двигателя и трансмиссии
3506-60-149СП Установка радиаторная
313502-60-131-04СП Радиатор
313502-60-131-04СП Радиатор
3506-11-2СП Рама
3501-11-17СП Балка
3502-11-4СП Рама
3502-11-15СП Балка
3501-21-1СП Система ходовая
3501-21-2СП- 3СП Тележка
3501-21-2СП- 3СП Тележка
3501-21-15СП-15-01СП Колесо натяжное
3501-21-18СП Шарнир
3501-21-18-01СП Шарнир
403-21-15СП Каток поддерживающий
403-21-15СП Каток поддерживающий
Т35-21-000- 000-01 Каток опорный
3501-21-40СП Механизм сдавания
3501-21-47СП Механизм сдавания
403-22-1СП Гусеница
3501-22-1СП Гусеница
3501-64-2-02СП Установка кожухов
2501-65-1СП Установка щитка
3501-21-1СП Система ходовая
3501-21-102СП- 103СП Тележка
3501-21-102СП- 103СП Тележка
3501-21-190СП Шарнир
3501-21-150СП Каток поддерживающий
3501-21-160СП Колесо натяжное
3501-21-180СП Механизм сдавания
313512-21-140-04СП- 05СП Каток опорный
4001-21-117-02СП-03СП Механизм натяжения
3501-22-1СП Гусеница
3501-16-1-04СП Установка трансмиссии
3501-16-1-04СП Установка трансмиссии
2501-12-17СП Блок трансмиссии
2501-12-15СП Передача главная
2501-12-19СП Коробка передач с системой гидроуправления
2501-12-19СП Коробка передач с системой гидроуправления
2501- 12-20СП Коробка передач планетарная
2501-12-120СП Бустер
2501-12-121CП Водило
2501-12-123СП Водило
2501-12-153СП Водило
2501-14-12СП Гидротрансформатор
2501-14-12СП Гидротрансформатор
2501-15-20СП Блок управления
2501-15-22СП Клапан
2501-15-138-01СП Клапан
1101-16-112СП Клапан
1501-15-41СП Блок управления
2501-18-16-01СП Фрикцион бортовой и тормоз остановочный
2501-18-106СП Пакет дисков
2501-20-3СП-01СП Установка редуктора привода насосов
2501-20-11-02СП-03СП Редуктор привода насосов
2501-20-11-02СП-03СП Редуктор привода насосов
2601-15-10-02СП-03СП Фильтр
3501-19-12СП Передача бортовая
3501-19-104СП Водило
81-4250010-30 Вал карданный
3506-10-1-04СП-1-05СП Электрооборудование
3506-10-12СП Электрооборудование двигателя
3506-10-12СП Электрооборудование двигателя
3506-10-13СП13-04СП Установка электрооборудования на раме
1102-10-13-01СП Электрооборудование крыши кабины
1102-10-13-02СП Электрооборудование крыши кабины
1102-10-17-01СП Электрооборудование отопителя
1102-10-18-11СП Электрооборудование пола кабины
1102-10-155-02СП Установка электрооборудования пола кабины
1102-10-156-01СП Установка блока выключателей
1102-10-157-01СП Установка жгута
1102-10-163-04СП Щиток приборов
1102-10-165СП-01СП-02СП Щиток выключателей
1106-10-140СП Блок выключателей
2501-10-5-02СП Установка электрооборудования в контейнер АКБ
2501-10-111-02СП Электрооборудование передней облицовки
3501-10-18СП Электрооборудование топливного бака
3501-10-198СП Установка фонаря заднего хода
404-10-270СП Установка фары
2502-10-169СП Установка жгута к контейнеру АКБ
3501-26-3-01СП Установка гидросистемы
3501-26-3-01СП Установка гидросистемы
3501-26-3-01СП Установка гидросистемы
3501-26-61СП Распределитель
3501-26-61СП Распределитель
3501-26-62СП Распределитель секционный
3501-26-63СП Распределитель секционный
3501-26-64СП Распределитель
3501-26-65СП Пилот управления
3501-26-150СП Клапан
3501-96-30-01СП Установка гидросистемы
3501-96-30-01СП Установка гидросистемы
3501-96-30-01СП Установка гидросистемы
3501-96-300СП Клапан
3502-26-101СП Бак гидросистемы
3506-26-10СП/-01СП Установка гидроцилиндров
3506-26-10СП/-01СП Установка гидроцилиндров
0901-26-25СП Клапан
46-26-625-03СП Гидроцилиндр d.160
1101-16-112СП Клапан
3501-92-1СП Оборудование бульдозерное
3501-92-1СП Оборудование бульдозерное
3501-92-20СП Отвал
3501-93-1СП Оборудование бульдозерное
3501-93-1СП Оборудование бульдозерное
3501-93-20СП Отвал
3501-93-240СП Раскос винтовой
3501-93-270СП Тяга поперечная
3501-93-500СП Гидросистема бульдозерного оборудования
3501-93-502СП Гидрораскос
3501-93-508СП Гидрораскос
3501-93-506СП Гидрозамок
404-93-1СП Оборудование бульдозерное
404-93-1СП Оборудование бульдозерное
404-93-20СП Отвал
404-93-160СП Раскос винтовой
3501-97-1СП Оборудование рыхлительное
3501-97-1СП Оборудование рыхлительное
3501-97-180СП Зуб
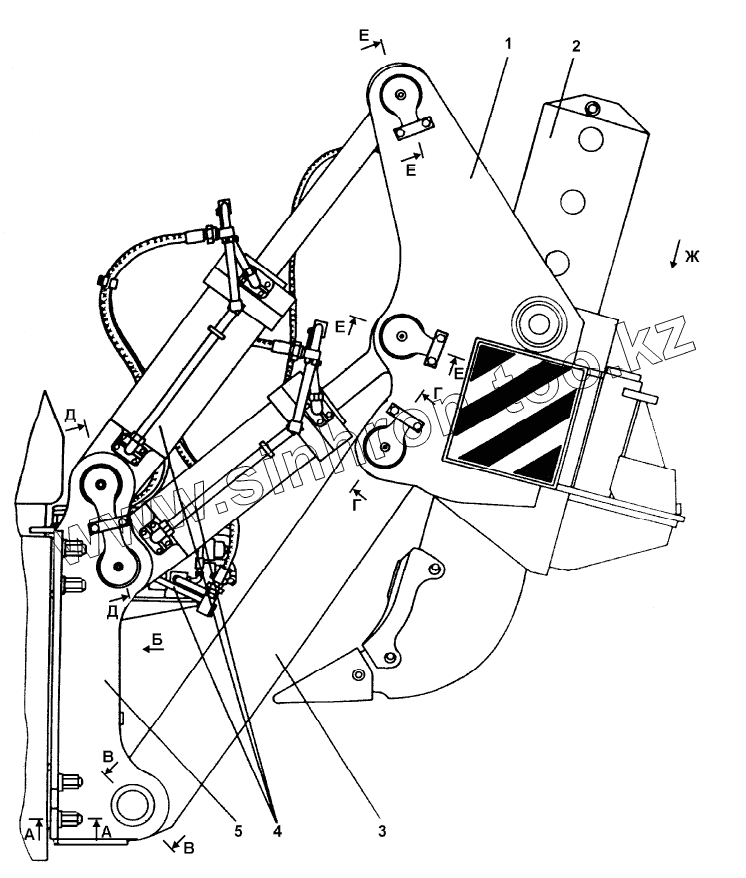
3501-98-1СП Оборудование рыхлительное
3501-98-1СП Оборудование рыхлительное
3501-98-501СП Гидросистема рыхлительного оборудования
3501-98-501СП Гидросистема рыхлительного оборудования
46-98-180СП Зуб
46-98-510-02СП-03СП-04СП-05СП Гидроцилиндр
46-98-511-03СП-511-04СП Гидроцилиндр
3501-96-1СП Агрегат тяговый
3501-96-1СП Агрегат тяговый
3501-96-10СП Лебедка
3501-96-35CП Установка гидросистемы привода лебедки
3501-96-35CП Установка гидросистемы привода лебедки
3501-96-250СП Зуб
3501-96-100СП Бустер
3501-96-101СП Водило
3501-96-102СП Механизм планетарный
3501-96-103СП Бустер
3501-51-1СП Установка прицепного устройства
3501-98-1СП(SP)
3501-98-1-20СП(SP)
1
1
2
2
3
3
4
4
5
5
Позиция на иллюстрации
Заводской номер детали
Название детали
3501-98-1СП(SP)
3501-98-1СП(SP)
Оборудование рыхлительное
3501-98-1-20СП(SP)
3501-98-1-20СП(SP)
Оборудование рыхлительное
1
3501-98-230СП(SP)
Балка рабочая
1
3501-98-230-20СП -20SP
Балка рабочая
2
46-98-180СП(SP)
Зуб
2
46-98-180-20СП(SP)
Зуб
3
3501-98-210СП(SP)
Тяга
3
3501-98-210-20СП -20SP
Тяга
4
3501-98-501СП(SP)
Гидросистема рыхлительного оборудования
4
3501-98-501-20СП -20SP
Гидросистема рыхлительного оборудования
5
3501-98-50СП(SP)
Опора
5
3501-98-50-20СП(SP)
Опора
Содержащиеся в справочниках-каталогах запасные части и детали не предлагаются к продаже, а носят исключительно информационный характер
Дополнительная информация
×
Название:
Номер:
Примечание: