Каталог запасных частей к технике: Промтрактор Т-35.01К. 3501-55-2-02СП Облицовка
1
1
2
2
3
3
3
3
4
4
4
4
5
5
5
6
6
6
6
6
6
6
6
6
6
6
7
7
7
7
7
7
7
7
7
8
9
10
10
11
11
12
13
13
14
14
14
14
14
14
14
14
15
15
16
16
17
17
17
17
18
18
19
19
19
19
19
20
20
20
20
20
21
21
22
22
23
23
24
24
25
25
26
26
27
27
27
28
28
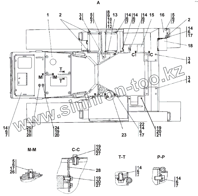
| Позиция на иллюстрации | Заводской номер детали | Название детали | |
|---|---|---|---|
| 1 | 3501-55-155-02-20СП -20SP | Крышка | |
| 1 | 3501-55-155-02СП(SP) | Крышка | |
| 2 | 40 0085 | Опора | |
| 3 | 28 0840 | Болт М24х2-6gх90.109.40Х.019 ГОСТ 7796-70 | |
| 3 | 28 0840-20 | Болт М24х2-6gх90.109.40Х. 029 ГОСТ 7796-70 | |
| 4 | 31 0350 | Шайба 24 ГОСТ 11371-78 | |
| 4 | 31 0350-20 | Шайба 24.01.10.0221 ГОСТ 11371-78 | |
| 5 | Болт М12x1,25-6gx20 | Болт М12x1,25-6gx20 | |
| 6 | Шайба 12 ОТ | Шайба 12 ОТ | |
| 7 | 31 0210 | Шайба 12х2.01.08кп.019 ГОСТ 11371-78 | |
| 7 | 31 0210-20 | Шайба 12х2 ГОСТ 11371-78 | |
| 8 | 2501-55-170СП(SP) | Ручка | |
| 9 | 2501-55-215 | Стержень | |
| 10 | 46-43-105-01 | Кольцо | |
| 10 | 46-43-105-01-20 | Кольцо | |
| 11 | 700-38-2563 | Пружина | |
| 11 | 700-38-2563-20 | Пружина | |
| 12 | Шплинт 4x25 | Шплинт 4x25 | |
| 13 | 2501-55-194СП(SP) | Крышка | |
| 13 | 2501-55-194-20СП(SP) | Крышка | |
| 14 | Болт М12x1,25-6gx25 | Болт М12x1,25-6gx25 | |
| 15 | 3501-55-172 | Крышка | |
| 15 | 3501-55-172-20 | Крышка | |
| 16 | 3501-55-137СП(SP) | Ящик | |
| 16 | 3501-55-137-20СП(SP) | Ящик | |
| 17 | 31 0230 | Шайба 12.01.10.019 ГОСТ 6958-78 | |
| 17 | 31 0230-20 | Шайба 12.01.10.0221 ГОСТ 6958-78 | |
| 18 | 2501-55-222СП(SP) | Ступенька | |
| 18 | 2501-55-222-20СП(SP) | Ступенька | |
| 19 | Болт М8-6gx20 | Болт М8-6gx20 | |
| 20 | Шайба 8Т | Шайба 8Т | |
| 21 | 31 0150 | Шайба 8 ГОСТ 11371-78 | |
| 21 | 31 0150-20 | Шайба 8.01.08кп.0221 ГОСТ 11371-78 | |
| 22 | 2501-55-205СП(SP) | Опора | |
| 22 | 2501-55-205-20СП(SP) | Опора | |
| 23 | 2501-55-193СП(SP) | Крышка | |
| 23 | 2501-55-193-20СП(SP) | Крышка | |
| 24 | 46-55-228СП(SP) | Хомут | |
| 24 | 46-55-228-20СП(SP) | Хомут | |
| 25 | А30.06.100 | Хомут | |
| 25 | А30.06.100-20 | Хомут | |
| 26 | 31 0320 | Шайба 20.04.20.019 ГОСТ 6958-78 | |
| 26 | 31 0320-20 | Шайба 20.04.20.0221 ГОСТ 6958-78 | |
| 27 | 31 0140 | Шайба 8.01.10.019 ГОСТ 6958-78 | |
| 27 | 31 0140-20 | Шайба 8 ГОСТ 6958-78 | |
| 28 | 2501-55-202СП(SP) | Опора | |
| 28 | 2501-55-202-20СП(SP) | Опора |
Содержащиеся в справочниках-каталогах запасные части и детали не предлагаются к продаже, а носят исключительно информационный характер