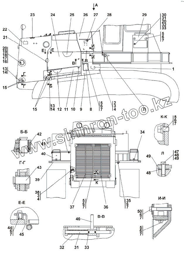
Каталог запасных частей к технике: Промтрактор Т-35.01К. 3501-55-2-02СП Облицовка
3501-55-2-02-20СП(SP)
3501-55-2-02СП(SP)
1
1
2
2
3
3
4
4
4
5
5
5
5
5
6
6
6
6
6
6
6
6
7
7
7
7
7
7
7
7
7
8
8
9
9
10
11
11
12
12
13
13
13
14
14
15
15
15
16
17
17
18
18
19
20
20
20
21
21
22
22
23
23
24
24
25
25
26
26
27
28
29
29
30
31
31
32
32
32
33
33
34
34
35
36
36
37
37
38
38
39
39
40
40
41
41
42
42
43
43
44
45
45
46
47
47
48
48
48
49
49
49
50
50
| Позиция на иллюстрации | Заводской номер детали | Название детали | |
|---|---|---|---|
| 3501-55-2-02-20СП(SP) | 3501-55-2-02-20СП(SP) | Облицовка | |
| 3501-55-2-02СП(SP) | 3501-55-2-02СП(SP) | Облицовка | |
| 1 | 3501-55-129-01-20СП -20SP | Боковина | |
| 1 | 3501-55-129-01СП(SP) | Боковина | |
| 2 | 28 0520-20 | Болт М16х1,5-6gх30 ГОСТ 7796-70 | |
| 2 | 28 0520 | Болт М16х1,5-6gх30.109.40Х.019 ГОСТ 7796-70 | |
| 3 | Шайба 16 ОТ | Шайба 16 ОТ | |
| 4 | 700-31-2209 | Шайба ГОСТ 11371-78 | |
| 4 | 700-31-2209-20 | Шайба ГОСТ 11371-78 | |
| 5 | Болт М12x1,25-6gx25 | Болт М12x1,25-6gx25 | |
| 6 | Шайба 12 ОТ | Шайба 12 ОТ | |
| 7 | 31 0230 | Шайба 12.01.10.019 ГОСТ 6958-78 | |
| 7 | 31 0230-20 | Шайба 12.01.10.0221 ГОСТ 6958-78 | |
| 8 | 3501-55-130СП(SP) | Крышка | |
| 8 | 3501-55-130-20СП(SP) | Крышка | |
| 9 | 3501-55-128СП(SP) | Боковина | |
| 9 | 3501-55-128-20СП(SP) | Боковина | |
| 10 | 2501-55-169-01СП(SP) | Ручка | |
| 11 | 3501-55-157СП(SP) | Защита | |
| 11 | 3501-55-157-20СП(SP) | Защита | |
| 12 | 3501-55-157-01СП(SP) | Защита | |
| 12 | 3501-55-157-01-20СП -20SP | Защита | |
| 13 | 28 0720-20 | Болт М20х1,5-6gх40.109.40Х.029 | |
| 13 | 28 0720 | Болт М20х1,5-6gх40.109.40Х.019 | |
| 14 | Шайба 20 ОТ | Шайба 20 ОТ | |
| 15 | 3501-55-255 | Упор | |
| 15 | 3501-55-255-20 | Упор | |
| 16 | Шплинт 2x14 | Шплинт 2x14 | |
| 17 | 30 0160 | Гайка | |
| 17 | 30 0160-20 | Гайка | |
| 18 | 401-55-384 | Защелка | |
| 18 | 401-55-384-20 | Защелка | |
| 19 | 401-55-383 | Ось | |
| 20 | 46-43-105-01 | Кольцо | |
| 20 | 46-43-105-01-10 | Кольцо | |
| 21 | 3501-55-121СП | Петля | |
| 21 | 3501-55-121-20СП -20SP | Петля | |
| 22 | 3501-55-156СП(SP) | Корпус | |
| 22 | 3501-55-156-20СП(SP) | Корпус | |
| 23 | 3501-55-142СП(SP) | Крышка | |
| 23 | 3501-55-142СП(SP) | Крышка | |
| 24 | 3501-55-145СП(SP) | Створка | |
| 24 | 3501-55-145-20СП(SP) | Створка | |
| 25 | 3501-55-146СП(SP) | Створка | |
| 25 | 3501-55-146-20СП(SP) | Створка | |
| 26 | 3501-55-127-02СП(SP) | Капот | |
| 26 | 3501-55-127-02-20СП -20SP | Капот | |
| 27 | Заклепка 3120-32-06 | Заклепка 3120-32-06 | |
| 28 | 42 0167 | Табличка 125х80 ГОСТ 12971-67 | |
| 29 | 3501-55-152СП | Кожух | |
| 29 | 3501-55-152-20СП | Кожух | |
| 30 | 2501-55-170СП | Ручка | |
| 31 | 2501-55-215 | Стержень | |
| 32 | 700-38-2563 | Пружина | |
| 32 | 700-38-2563-20 | Пружина | |
| 33 | Шплинт 4x25 | Шплинт 4x25 | |
| 34 | 3501-55-132СП(SP) | Крыло | |
| 34 | 3501-55-132-20СП(SP) | Крыло | |
| 35 | Болт М12x1,25-6gx35 | Болт М12x1,25-6gx35 | |
| 36 | 3501-55-181СП(SP) | Решетка | |
| 36 | 3501-55-181-20СП(SP) | Решетка | |
| 37 | 3501-55-182СП(SP) | Решетка | |
| 37 | 3501-55-182-20СП(SP) | Решетка | |
| 38 | 28 0535 | Болт М16х1,25-6gх38.109.40Х.019 ГОСТ 7796-70 | |
| 38 | 28 0535-20 | Болт М16х1,25-6gх38.109.40Х.029 ГОСТ 7796-70 | |
| 39 | 3501-55-133СП(SP) | Крыло | |
| 39 | 3501-55-133-20СП(SP) | Крыло | |
| 40 | 3501-55-153СП(SP) | Кожух | |
| 40 | 3501-55-153-20СП(SP) | Кожух | |
| 41 | 3501-55-139СП(SP) | Щиток | |
| 41 | 3501-55-139-20СП(SP) | Щиток | |
| 42 | 2501-55-239-01 | Палец | |
| 42 | 2501-55-239-01-20 | Палец | |
| 43 | 2501-55-239 | Палец | |
| 43 | 2501-55-239-20 | Палец | |
| 44 | Болт М12x1,25-6gx20 | Болт М12x1,25-6gx20 | |
| 45 | 3501-55-120СП(SP) | Петля | |
| 45 | 3501-55-120-20СП(SP) | Петля | |
| 46 | 2501-55-169СП(SP) | Ручка | |
| 47 | 28 0550 | Болт М16х1,5-6gх50.109.40Х.019 ГОСТ 7796-70 | |
| 47 | 28 0550-20 | Болт М16х1,5-6gх50.109.40Х.029 ГОСТ 7796-70 | |
| 48 | 700-31-2295 | Пластина стопорная | |
| 48 | 700-31-2295-20 | Пластина стопорная | |
| 49 | 2501-55-574 | Планка | |
| 49 | 2501-55-574-20 | Планка | |
| 50 | 28 0385 | Болт М12х1,25-6gх80 ГОСТ 7795-70 | |
| 50 | 28 0385-20 | Болт М12х1,25-6х80.109.40Х.029 ГОСТ 7795-70 |
Содержащиеся в справочниках-каталогах запасные части и детали не предлагаются к продаже, а носят исключительно информационный характер