Каталог запасных частей к технике: Промтрактор Т-25.01Я. Установка трансмиссии (2)
1
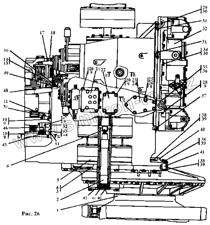
1
2
3
4
5
6
9
9
9
9
9
9
9
10
10
11
11
13
14
14
17
18
18
20
20
21
21
22
22
23
23
24
24
25
25
26
28
28
29
29
30
30
31
31
31
32
32
34
34
35
35
36
36
36
36
37
38
38
38
38
39
39
39
40
40
40
40
41
41
41
42
43
43
44
45
46
47
47
47
48
49
49
49
51
52
| Позиция на иллюстрации | Заводской номер детали | Название детали | |
|---|---|---|---|
| 1 | 2501-19-11-20-СП | Передача бортовая | |
| 1 | 2501-19-11-СП | Передача бортовая | |
| 2 | 2501-12-135СП | Торсион | |
| 3 | Проволока 1,6-0-С ГОСТ 3282-74 | Проволока 1,6-0-С ГОСТ 3282-74 | |
| 4 | 285555-01 | Болт | |
| 5 | 2501-18-15-01СП | Фрикцион бортовой и тормоз остановочный | |
| 6 | 2501-12-135-01СП | Торсион | |
| 9 | Шайба 12.ОТ.65Г ГОСТ 6402-70 | Шайба 12.ОТ.65Г ГОСТ 6402-70 | |
| 10 | Болт М12х35 ГОСТ 7796-70 | Болт М12х35 ГОСТ 7796-70 | |
| 11 | 2501-15-121 | Коллектор | |
| 11 | 2501-15-121-20 | Коллектор | |
| 13 | Хомут 1070-2-У-01 ПО 4.435.01 ТУ | Хомут 1070-2-У-01 ПО 4.435.01 ТУ | |
| 14 | 285120 | Болт (476715722810) | |
| 14 | 285120-20 | Болт | |
| 17 | Хомут стяжной червячный 108-2-У-01 ПО 4. | Хомут стяжной червячный 108-2-У-01 ПО 4.35.001 ТУ | |
| 18 | 403-16-109СП | Штуцер | |
| 18 | 403-16-109-20СП | Штуцер | |
| 20 | Болт М12х80 ГОСТ 7796-70 | Болт М12х80 ГОСТ 7796-70 | |
| 21 | 2501-15-31СП | Блок управления | |
| 21 | 2501-15-31-20СП | Блок управления | |
| 22 | 2501-15-22СП | Клапан | |
| 22 | 2501-15-22-20СП | Клапан | |
| 23 | 2501-15-105 | Крышка | |
| 23 | 2501-15-105-20 | Крышка | |
| 24 | 450155 | Прокладка | |
| 24 | 450155-20 | Прокладка | |
| 25 | 2501-10-10 | Планка | |
| 25 | 2501-10-10-20 | Планка | |
| 26 | Болт М12х40 ГОСТ 7796-70 | Болт М12х40 ГОСТ 7796-70 | |
| 28 | 280388 | Болт М12-6gх90.109.40Х.019 ГОСТ 7795-70 | |
| 28 | 280388-20 | Болт М12-6gх90.109.40Х029 ГОСТ 7795-70 | |
| 29 | 280550 | Болт М16х1,5-6gх50.109.40Х019 ГОСТ 7796-70 | |
| 29 | 280550-20 | Болт М16х1,5-6gх50.109.40Х029 ГОСТ 7796-70 | |
| 30 | Шайба 16.ОТ.65Г ГОСТ 6402-70 | Шайба 16.ОТ.65Г ГОСТ 6402-70 | |
| 31 | 042-050-46-51-1668 | Кольцо ГОСТ 18829-73/ТУ 38.005.204-80 | |
| 32 | 2501-12-18-20СП | Трансмиссия | |
| 32 | 2501-12-18СП | Трансмиссия | |
| 34 | 280562 | Болт М16х1,5х75 ГОСТ 7796-70 | |
| 34 | 280562-20 | Болт М16х1,5х75 ГОСТ 7796-70 | |
| 35 | 700-40-5336 | Прокладка | |
| 35 | 700-40-5336-20 | Прокладка | |
| 36 | 2501-15-138СП | Клапан | |
| 36 | 2501-15-138-20СП | Клапан | |
| 36 | 46-15-138-ХЛ | Клапан ТУ 23.1.248-85 | |
| 36 | 46-15-138-Т | Клапан ТУ 23.1.248-85 | |
| 37 | 325463 | Штифт | |
| 38 | 280835 | Болт М24х2-6gх75.109.40Х019 ГОСТ 7796-70 | |
| 38 | 280835-20 | Болт М24х2-6gх75 | |
| 39 | Шайба 24Т.65Г ГОСТ 6402-70 | Шайба 24Т.65Г ГОСТ 6402-70 | |
| 40 | 580676 | Кольцо С80 ГОСТ 13941-86 | |
| 40 | 2501-12-161 | Планка | |
| 40 | 2501-12-161-20 | Планка | |
| 41 | 2501-19-63 | Крышка | |
| 41 | 325580 | Штифт | |
| 42 | 069-075-36-51-1668 | Кольцо ГОСТ 18829-73/ТУ 38.005.204-80 | |
| 43 | 2501-26-83 | Фланец | |
| 43 | 2501-26-83-20 | Фланец | |
| 44 | 032-038-36-51-1668 | Кольцо ГОСТ 18829-73/ТУ 38.005.204-84 | |
| 45 | 440038 | Кольцо защитное | |
| 46 | 2501-15-142СП | Клапан | |
| 47 | 280379 | Болт 3М12-6gх65.109.40Х.019 ГОСТ 7796-70 | |
| 47 | 280379-20 | Болт 3М12-6gх65.109.40Х.029 ГОСТ 7796-70 | |
| 47 | 280379 | Болт 3М12-6gх65.109.40Х.019 ГОСТ 7796-70 | |
| 48 | 400207 | Кольцо | |
| 49 | 2501-16-4 | Кольцо | |
| 49 | 2501-16-5 | Сектор | |
| 49 | 2501-16-5-20 | Сектор | |
| 51 | Кольцо 040-048-46-2-3 ГОСТ 18829-73 | Кольцо 040-048-46-2-3 ГОСТ 18829-73 | |
| 52 | 012-016-25-51-1668 | Кольцо ГОСТ 18829-73/ТУ 38.005.204-80 |
Содержащиеся в справочниках-каталогах запасные части и детали не предлагаются к продаже, а носят исключительно информационный характер