Каталог запасных частей к технике: Промтрактор Т-25.01Я. Трансмиссия (2)
1
2
3
4
5
5
6
6
7
8
8
8
8
9
9
10
11
12
13
13
13
13
14
14
14
15
16
17
18
19
20
22
23
24
25
26
26
27
28
29
30
31
31
32
33
34
35
35
36
37
37
38
39
40
41
41
42
43
43
44
44
45
46
47
48
49
49
52
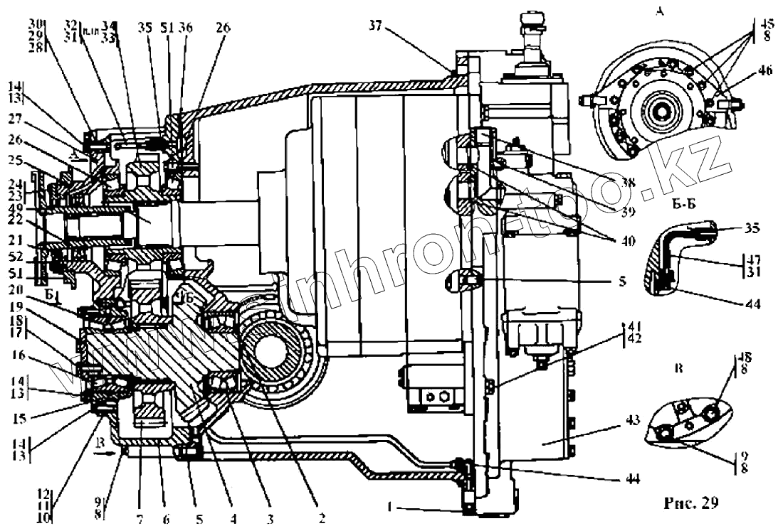
| Позиция на иллюстрации | Заводской номер детали | Название детали | |
|---|---|---|---|
| 1 | 700-37-2171 | Пробка 3КГ 3/8".45.019 ТУ 23.1.506-91 | |
| 2 | 700-58-2122 | Кольцо С80 ГОСТ 13940-86 | |
| 3 | Подшипник 3616 ГОСТ 5721-75 | Подшипник 3616 ГОСТ 5721-75 | |
| 4 | 2501-12-108 | Шестерня | |
| 5 | 325463 | Штифт | |
| 6 | 2501-12-101 | Корпус (476719267303) | |
| 6 | 2501-12-101-20 | Корпус | |
| 7 | 2501-12-129СП | Шестерня | |
| 8 | 315271 | Шайба | |
| 9 | 285585 | Болт | |
| 10 | 2501-12-115-02 | Прокладка | |
| 11 | 2501-12-115-01 | Прокладка | |
| 12 | 2501-12-115 | Прокладка | |
| 13 | 280350 | Болт М12х1,25-6gх40 ГОСТ 7798-70 | |
| 13 | 280350-20 | Болт М12х40 ГОСТ 7798-70 | |
| 14 | 310225 | Шайба | |
| 15 | 2501-12-103 | Стакан (476719267303) | |
| 16 | Подшипник 97518 ГОСТ 6364-78 | Подшипник 97518 ГОСТ 6364-78 | |
| 17 | Проволока КС 1,6 ГОСТ 792-64 | Проволока КС 1,6 ГОСТ 792-64 | |
| 18 | 280545 | Болт 3М16х1,5-6gх45.109.40Х019 ГОСТ 7796-70 | |
| 19 | 2501-12-114 | Крышка | |
| 20 | 2501-12-113 | Крышка | |
| 22 | Подшипник 3516 ГОСТ 5721-75 | Подшипник 3516 ГОСТ 5721-75 | |
| 23 | Шайба 8Т.65Г. ГОСТ 6402-70 | Шайба 8Т.65Г. ГОСТ 6402-70 | |
| 24 | Болт М8х25 ГОСТ 7796-70 | Болт М8х25 ГОСТ 7796-70 | |
| 25 | Кольцо 175-180-58-2-51-1668 ГОСТ 18829-7 | Кольцо 175-180-58-2-51-1668 ГОСТ 18829-73/ТУ 38.005.204-84 | |
| 26 | Подшипник 7224А ТУ 37.006.162-89 | Подшипник 7224А ТУ 37.006.162-89 | |
| 27 | 2501-12-102 | Стакан (476719267303) | |
| 28 | 2501-12-112-02 | Прокладка | |
| 29 | 2501-12-112-01 | Прокладка | |
| 30 | 2501-12-112 | Прокладка | |
| 31 | Проволока КС 1 ГОСТ 792-64 | Проволока КС 1 ГОСТ 792-64 | |
| 32 | 2501-12-131СП | Труба | |
| 33 | 2501-12-106 | Шестерня | |
| 34 | 2501-12-147СП | Шестерня | |
| 35 | 2501-12-123 | Штуцер (476719253105) | |
| 36 | Компаунд КЛТ-75Т ТУ38.103.606-86 | Компаунд КЛТ-75Т ТУ38.103.606-86 | |
| 37 | 400319-02 | Кольцо | |
| 37 | 400319-02-20 | Кольцо | |
| 38 | 370710 | Пробка | |
| 39 | 325583 | Штифт | |
| 40 | Кольцо 042-050-46-2-51-1668 ГОСТ 18829-7 | Кольцо 042-050-46-2-51-1668 ГОСТ 18829-73/ТУ 38.005.204-84 | |
| 41 | 280550 | Болт М16х1,5-6gх50.109.40Х019 ГОСТ 7796-70 | |
| 41 | 280550-20 | Болт М16х1,5-6gх50.109.40Х029 ГОСТ 7796-70 | |
| 42 | Шайба 16.ОТ.65. ГОСТ 6402-70 | Шайба 16.ОТ.65. ГОСТ 6402-70 | |
| 43 | 2501-12-19СП | Коробка передач с системой гидроуправления | |
| 43 | 2501-12-19-20СП | Коробка передач с системой гидроуправления | |
| 44 | 2501-12-124 | Угольник концевой (476719253204) | |
| 45 | 285586 | Болт | |
| 46 | 2501-12-140СП | Кронштейн | |
| 47 | 2501-12-130СП | Труба | |
| 48 | Болт М16х1,5х60 ГОСТ 7795-70 | Болт М16х1,5х60 ГОСТ 7795-70 | |
| 49 | 2501-12-144СП | Фланец | |
| 49 | 2501-12-144-20СП | Фланец | |
| 52 | Кольцо 150-155-36-2-3 ГОСТ 18829-73 | Кольцо 150-155-36-2-3 ГОСТ 18829-73 |
Содержащиеся в справочниках-каталогах запасные части и детали не предлагаются к продаже, а носят исключительно информационный характер