Каталог запасных частей к технике: Промтрактор Т-25.01Я. Электрооборудование крыши кабины
1
1
1
1
1
2
2
2
3
3
4
4
5
6
6
7
7
8
8
9
9
10
10
11
11
11
12
12
13
13
13
14
14
15
15
16
16
17
17
18
18
18
18
19
20
20
20
21
21
21
22
22
22
23
23
23
23
24
24
25
25
26
26
27
28
29
30
30
31
31
32
32
33
33
34
36
36
37
37
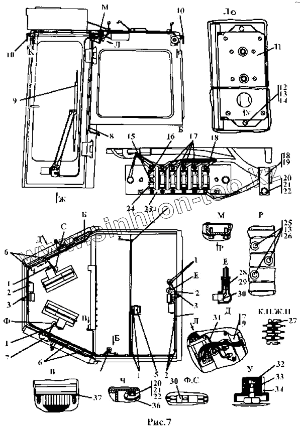
| Позиция на иллюстрации | Заводской номер детали | Название детали | |
|---|---|---|---|
| 3501-10-14-01-20СП | 3501-10-14-01-20СП | Электрооборудование крыши кабины | |
| 3501-10-14-01СП | 3501-10-14-01СП | Электрооборудование крыши кабины | |
| 1 | 700-40-6695 | Кольцо | |
| 2 | 700-40-6684-05 | Прокладка | |
| 3 | 6002.3730-А | Моторедуктор стеклоочистителя ТУ 37.003.1322-87 | |
| 4 | 3501-10-167СП | Жгут | |
| 4 | 3501-10-167-20СП | Жгут | |
| 5 | 0026.12.3714010 | Плафон 0026.12.3714010 ТУ 37.458.064-90 | |
| 6 | 700-40-6684-04 | Прокладка | |
| 7 | 6002.3720-02 | Моторедуктор стеклоочистителя ТУ 37.003.1322-87 | |
| 8 | 3501-10-116СП | Жгут | |
| 8 | 3501-10-116-20СП | Жгут | |
| 9 | 40.5205.800-06 | Пантографное устройство стеклоочистителя ТУ 37.003.1323-87 | |
| 10 | 40.5205.800-06 | Пантографное устройство стеклоочистителя ТУ 37.003.1323-87 | |
| 11 | 3501-10-169-01СП | Блок выключателей | |
| 11 | 3501-10-169-01-10СП | Блок выключателей | |
| 11 | 3501-10-169-01-20СП | Блок выключателей | |
| 12 | Винт В.М6-6gх16 ГОСТ 17473-80 | Винт В.М6-6gх16 ГОСТ 17473-80 | |
| 12 | Винт В.М6-6gх16 ГОСТ 17473-80 | Винт В.М6-6gх16 ГОСТ 17473-80 | |
| 13 | Шайба 6Т ГОСТ 6402-70 | Шайба 6Т ГОСТ 6402-70 | |
| 13 | Шайба 6Т ГОСТ 6402-70 | Шайба 6Т ГОСТ 6402-70 | |
| 14 | 310110 | Шайба 6.01.08кп.019 ГОСТ 11371-78 | |
| 14 | 310110-20 | Шайба 6.01.08кп.0221 ГОСТ 11371-78 | |
| 15 | Винт В.М4-6gх12 ГОСТ 17475-80 | Винт В.М4-6gх12 ГОСТ 17475-80 | |
| 15 | Винт В.М4-6gх12 ГОСТ 17475-80 | Винт В.М4-6gх12 ГОСТ 17475-80 | |
| 16 | ПВ-6 | Предохранитель ПВ-6, УХЛ3, 30В ТУ 16-522.001-82 | |
| 16 | ПВ-6 экспорт | Предохранитель ПВ-6, УХЛ3, 30В ТУ 16-522.001-82 экспорт | |
| 17 | ПВ-10 | Предохранитель ПВ-10, УХЛ3, 30В ТУ 16-522.001-82 | |
| 17 | ПВ-10 экспорт | Предохранитель ПВ-10, УХЛ3, 30В ТУ 16-522.001-82 экспорт | |
| 18 | ПВ-20 | Предохранитель ПВ-20, УХЛ3, 30В ТУ 16-522.001-82 | |
| 18 | ПВ-20 экспорт | Предохранитель ПВ-20, УХЛ3, 30В ТУ 16-522.001-82 экспорт | |
| 18 | 700-40-6684-02 | Прокладка | |
| 19 | 700-41-3187 | Хомутик | |
| 20 | М8-6gх16 ГОСТ 7796-70 | Болт | |
| 20 | М8-6gх16 ГОСТ 7796-70 | Болт | |
| 21 | Шайба 8Т ГОСТ 6402-70 | Шайба 8Т ГОСТ 6402-70 | |
| 21 | Шайба 8Т ГОСТ 6402-70 | Шайба 8Т ГОСТ 6402-70 | |
| 22 | 310150 | Шайба 8.01.08кп.019 ГОСТ 11371-78 | |
| 22 | 310150-20 | Шайба 8.01.08кп.0221 ГОСТ 11371-78 | |
| 23 | 405-10-36 | Втулка | |
| 23 | 405-10-36-20 | Втулка | |
| 23 | 585040 | Шинка | |
| 23 | 3501-10-13-20 | Шинка | |
| 24 | БЗ-20 | Блок защиты БЗ-20, УХЛ3, 30В ТУ 16-522.001-82 | |
| 24 | БЗ-20 экспорт | Блок защиты БЗ-20, УХЛ3, 30В ТУ 16-522.001-82 экспорт | |
| 25 | Болт М6-6gх16 ГОСТ 7798-70 | Болт М6-6gх16 ГОСТ 7798-70 | |
| 25 | Болт М6-6gх16 ГОСТ 7798-70 | Болт М6-6gх16 ГОСТ 7798-70 | |
| 26 | 310120-20 | Шайба 6.01.08кп.0221 ГОСТ 6958-78 | |
| 26 | 310120 | Шайба 6.01.08кп.019 ГОСТ 6958-78 | |
| 27 | 602602 | Колодка гнездовая ОСТ 37.003.032-88 | |
| 28 | 400195 | Колпачок | |
| 29 | 700-40-5607 | Наконечник | |
| 30 | 602602 | Колодка гнездовая ОСТ 37.003.032-88 | |
| 31 | 404-10-180-51СП | Провод | |
| 31 | 404-10-180-51-20СП | Провод | |
| 32 | Гайка М5-7Н ГОСТ 5927-70 | Гайка М5-7Н ГОСТ 5927-70 | |
| 32 | Гайка М5-7Н ГОСТ 5927-70 | Гайка М5-7Н ГОСТ 5927-70 | |
| 33 | 405-10-36 | Втулка | |
| 33 | 405-10-36-20 | Втулка | |
| 34 | 405-10-34 | Ручка | |
| 36 | 3501-10-129-33СП | Провод | |
| 36 | 3501-10-129-33-20СП | Провод | |
| 37 | 3501-10-160СП | Кожух | |
| 37 | 3501-10-160-20СП | Кожух |
Содержащиеся в справочниках-каталогах запасные части и детали не предлагаются к продаже, а носят исключительно информационный характер