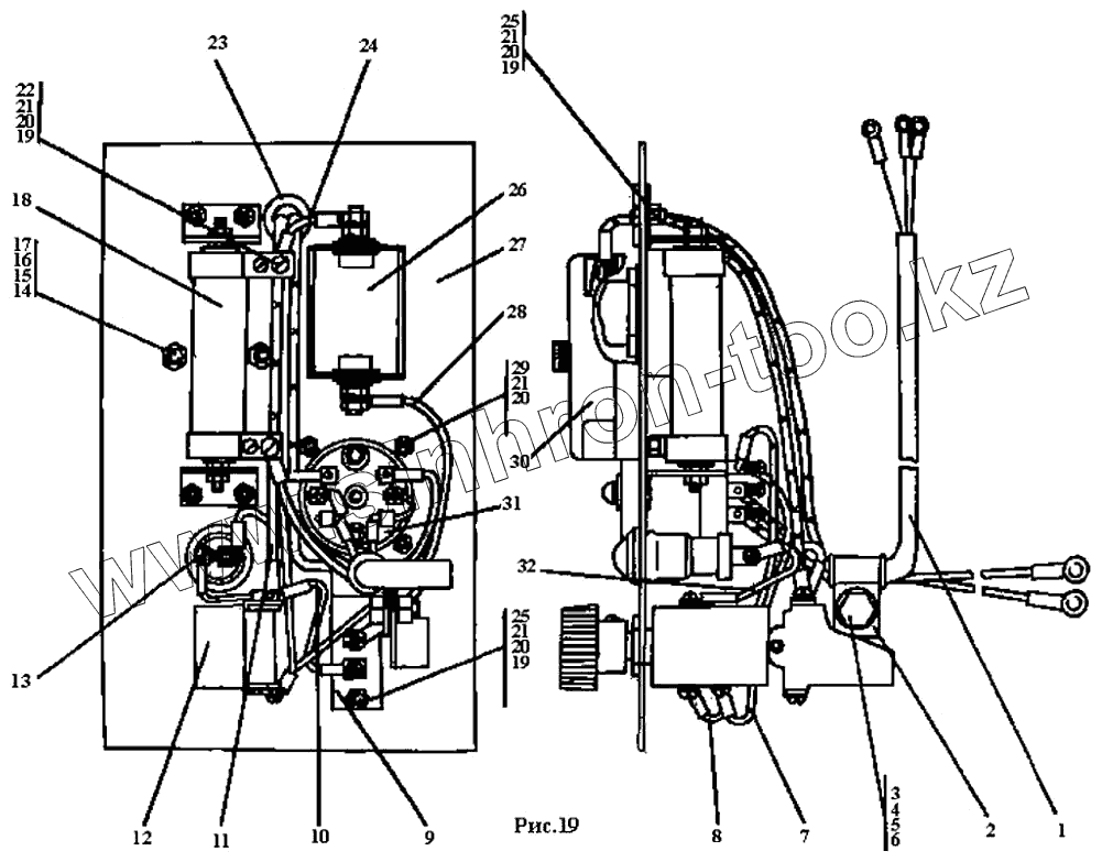
Каталог запасных частей к технике: Промтрактор Т-25.01Я. Блок управления отопителем
1
2
3
4
5
6
7
8
9
10
11
12
13
14
15
16
17
18
19
19
19
20
20
20
20
21
21
21
21
22
23
24
25
25
26
27
28
29
30
30
31
32
| Позиция на иллюстрации | Заводской номер детали | Название детали | |
|---|---|---|---|
| 312505-10-103-10СП | 312505-10-103-10СП | Блок управления отопителем | |
| 312505-10-103СП | 312505-10-103СП | Блок управления отопителем | |
| 1 | 312505-10-105СП | Жгут | |
| 2 | 700-41-2866 | Хомут | |
| 3 | Болт М8х16 ГОСТ 7796-70 | Болт М8х16 ГОСТ 7796-70 | |
| 4 | М8 ГОСТ 5915-70 | Гайка | |
| 5 | Шайба 8Т ГОСТ 6402-70 | Шайба 8Т ГОСТ 6402-70 | |
| 6 | 310150 | Шайба 8.01.08кп.019 ГОСТ 11371-78 | |
| 7 | 312505-10-112-01СП | Провод | |
| 8 | 312505-10-112-02СП | Провод | |
| 9 | Выключатель ВН-45МТУ 16-526.016-73 | Выключатель ВН-45МТУ 16-526.016-73 | |
| 10 | 312505-10-112-04СП | Провод | |
| 11 | 312505-10-112-03СП | Провод | |
| 12 | П300 | Переключатель ТУ 37.003.417-82 | |
| 13 | Фонарь контрольной лампы ПД 20-ЛТУ 37.00 | Фонарь контрольной лампы ПД 20-ЛТУ 37.003.293-72 | |
| 14 | 310080 | Шайба 5.01.10.019 ГОСТ 11371-78 | |
| 15 | Шайба 5.65Г ГОСТ 6402-70 | Шайба 5.65Г ГОСТ 6402-70 | |
| 16 | М5 ГОСТ 5927-70 | Гайка | |
| 17 | Винт В.М5х16 ГОСТ 17473-80 | Винт В.М5х16 ГОСТ 17473-80 | |
| 18 | Сопротивление 0,65 Ом | Сопротивление 0,65 Ом | |
| 19 | 310050 | Шайба 4.01.08кп.019 ГОСТ 11371-78 | |
| 20 | Шайба 4.65Г ГОСТ 6402-70 | Шайба 4.65Г ГОСТ 6402-70 | |
| 21 | Гайка М4 ГОСТ 5927-70 | Гайка М4 ГОСТ 5927-70 | |
| 22 | Винт В.М4х10 ГОСТ 17473-80 | Винт В.М4х10 ГОСТ 17473-80 | |
| 23 | 700-40-6695 | Кольцо | |
| 24 | 312505-10-112-05СП | Провод | |
| 25 | Винт В.М4х12 ГОСТ 17473-80 | Винт В.М4х12 ГОСТ 17473-80 | |
| 26 | Спираль контрольнаяТУ 37.001.381-79 | Спираль контрольнаяТУ 37.001.381-79 | |
| 27 | 312505-10-113СП | Крышка | |
| 28 | 312505-10-112-06СП | Провод | |
| 29 | Винт В.М4х16 ГОСТ 17473-80 | Винт В.М4х16 ГОСТ 17473-80 | |
| 30 | 111.3722000-Э | Блок предохранительный | |
| 30 | 111.3722000 | Блок предохранительный ТУ 37.003.754-76 | |
| 31 | Реле перегрева РС 404ТУ 37.003.288-78 | Реле перегрева РС 404ТУ 37.003.288-78 | |
| 32 | 312505-10-112СП | Провод |
Содержащиеся в справочниках-каталогах запасные части и детали не предлагаются к продаже, а носят исключительно информационный характер