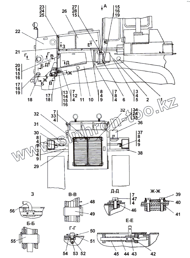
Каталог запасных частей к технике: Промтрактор Т-20.01Я (2005). 2001-55-1СП Облицовка
2001-55-1СП
1
1
2
2
2
3
3
3
4
4
4
4
4
4
4
4
4
5
5
6
6
7
7
7
7
7
8
8
8
8
9
9
9
9
9
10
10
11
11
12
13
13
14
14
14
15
15
15
15
15
16
16
16
16
17
17
17
18
18
19
19
19
20
20
21
21
22
22
23
24
24
25
25
26
26
27
27
28
28
29
29
30
30
31
31
32
32
32
33
33
34
35
35
36
36
37
37
38
38
39
39
40
40
41
41
42
43
44
45
45
46
47
48
49
50
50
51
52
52
53
54
55
56
| Позиция на иллюстрации | Заводской номер детали | Название детали | |
|---|---|---|---|
| 2001-55-1СП | 2001-55-1СП | Облицовка | |
| 1 | 2001-55-20СП | Боковина | |
| 1 | 2001-55-20-20СП | Боковина | |
| 2 | 2001-55-21-20СП | Боковина | |
| 2 | 2001-55-21СП | Боковина | |
| 3 | 28 0320 | Болт М12х1,25-6gх20 ГОСТ 7795-70 | |
| 3 | 28 0320-20 | Болт М12х1,25-6gх20 ГОСТ 7796-70 | |
| 4 | Шайба 12 ОТ | Шайба 12 ОТ | |
| 5 | 31 0210-20 | Шайба 12х2 ГОСТ 11371-78 | |
| 5 | 31 0210 | Шайба 12х2.01.08кп.019 ГОСТ 11371-78 | |
| 6 | 2001-55-33-20СП | Кронштейн | |
| 6 | 2001-55-33СП | Кронштейн | |
| 7 | 31 5211-20 | Шайба | |
| 7 | 31 5211 | Шайба | |
| 8 | Болт М12x1,25-6gx25 | Болт М12x1,25-6gx25 | |
| 9 | 31 0230 | Шайба 12.01.10.019 ГОСТ 6958-78 | |
| 9 | 31 0230-20 | Шайба 12.01.10.0221 ГОСТ 6958-78 | |
| 10 | 2001-55-19-01-20СП | Боковина | |
| 10 | 2001-55-19-01СП | Боковина | |
| 11 | 2001-55-19-20СП | Боковина | |
| 11 | 2001-55-19СП | Боковина | |
| 12 | Болт М12x1,25-6gx40 | Болт М12x1,25-6gx40 | |
| 13 | 2001-55-13-01-20СП | Стойка | |
| 13 | 2001-55-13-01СП | Стойка | |
| 14 | 700-31-2209 | Шайба ГОСТ 11371-78 | |
| 14 | 700-31-2209-20 | Шайба ГОСТ 11371-78 | |
| 15 | 28 0544 | Болт М16х1,5-6gх45.109.40Х.019 ГОСТ 7796-70 | |
| 15 | 28 0544-20 | Болт М16х1,5-6gх45.109.40Х.029 ГОСТ 7796-70 | |
| 16 | Шайба 16 ОТ | Шайба 16 ОТ | |
| 17 | 28 0535-20 | Болт М16х1,25-6gх38.109.40Х.029 ГОСТ 7796-70 | |
| 17 | 28 0535 | Болт М16х1,25-6gх38.109.40Х.019 ГОСТ 7796-70 | |
| 18 | 2501-55-297-01 | Накладка | |
| 19 | 31 0270-20 | Шайба 16.0Т.10.0221 ГОСТ 11371-78 | |
| 19 | 31 0270 | Шайба 16 ГОСТ 11371-78 | |
| 20 | 2001-55-13-20СП | Стойка | |
| 20 | 2001-55-13СП | Стойка | |
| 21 | 2001-55-135-01 | Накладка | |
| 21 | 2001-55-135-01-20 | Накладка | |
| 22 | 2001-55-10-20СП | Корпус | |
| 22 | 2001-55-10СП | Корпус | |
| 23 | Болт М8-6gx25 | Болт М8-6gx25 | |
| 24 | Шайба 8Т | Шайба 8Т | |
| 25 | 31 0150-20 | Шайба 8.01.08кп.0221 ГОСТ 11371-78 | |
| 25 | 31 0150 | Шайба 8 ГОСТ 11371-78 | |
| 26 | 2001-55-12-20СП | Капот | |
| 26 | 2001-55-12СП | Капот | |
| 27 | 2501-55-574-20 | Планка | |
| 27 | 2501-55-574 | Планка | |
| 28 | 700-31-2295 | Пластина стопорная | |
| 28 | 700-31-2295-20 | Пластина стопорная | |
| 29 | 2001-55-16СП | Крыло | |
| 29 | 2001-55-16-20СП | Крыло | |
| 30 | 1102-55-53 | Уголок | |
| 30 | 1102-55-53-20 | Уголок | |
| 31 | 2001-55-22-20СП | Кожух | |
| 31 | 2001-55-22СП | Кожух | |
| 32 | 2001-55-19-20СП | Боковина | |
| 32 | 2001-55-19СП | Боковина | |
| 33 | 28 1379-20 | Болт М12х1,25-6gх65 ГОСТ 795-70 | |
| 33 | 28 1379 | Болт М12х1,25-6gх65 ГОСТ 7795-70 | |
| 34 | Болт М8-6gx16 | Болт М8-6gx16 | |
| 35 | 31 0140 | Шайба 8.01.10.019 ГОСТ 6958-78 | |
| 35 | 31 0140-20 | Шайба 8 ГОСТ 6958-78 | |
| 36 | 2001-55-27СП | Кожух | |
| 36 | 2001-55-27-20СП | Кожух | |
| 37 | 2001-55-23-20 | Уголок | |
| 37 | 2001-55-23 | Уголок | |
| 38 | 2001-55-15-20СП | Крыло | |
| 38 | 2001-55-15СП | Крыло | |
| 39 | 28 0835 | Болт М24х2-6gх75 ГОСТ 7796-70 | |
| 39 | 28 0835-20 | Болт М24х2-6gх75 ГОСТ 7796-70 | |
| 40 | 2501-55-571 | Планка | |
| 40 | 2501-55-571-20 | Планка | |
| 41 | 700-31-2413-20 | Пластина стопорная | |
| 41 | 700-31-2413 | Пластина стопорная | |
| 42 | Шайба 4x25 | Шайба 4x25 | |
| 43 | 2501-55-169СП | Ручка | |
| 44 | 2501-55-215 | Стержень | |
| 45 | 700-38-2563-20 | Пружина | |
| 45 | 700-38-2563 | Пружина | |
| 46 | 2001-55-177 | Прокладка | |
| 47 | Болт М12x1,25-6gx30 | Болт М12x1,25-6gx30 | |
| 48 | 2501-55-297 | Накладка | |
| 49 | 2001-55-86 | Палец | |
| 50 | 46-43-105-01 | Кольцо | |
| 50 | 46-43-105-01-10 | Кольцо | |
| 51 | 401-55-383 | Ось | |
| 52 | 30 0160-20 | Гайка | |
| 52 | 30 0160 | Гайка | |
| 53 | Шайба 2x14 | Шайба 2x14 | |
| 54 | 401-55-384 | Защелка | |
| 55 | 2501-55-352 | Палец | |
| 56 | 2001-55-30СП | Ручка |
Содержащиеся в справочниках-каталогах запасные части и детали не предлагаются к продаже, а носят исключительно информационный характер