Каталог запасных частей к технике: Промтрактор Т-20.01Я. Установка трансмиссии
1
1
2
3
4
4
5
5
5
5
6
6
7
7
7
8
8
9
9
10
10
10
10
10
10
10
10
10
11
11
11
12
13
13
13
14
14
15
15
16
17
17
18
18
19
19
20
20
21
21
22
23
23
27
27
28
28
28
29
29
30
30
31
32
32
33
34
35
35
36
37
38
38
39
39
40
40
41
41
42
42
43
44
45
45
46
46
47
47
48
49
49
50
50
51
52
52
53
54
54
55
55
57
58
59
59
60
60
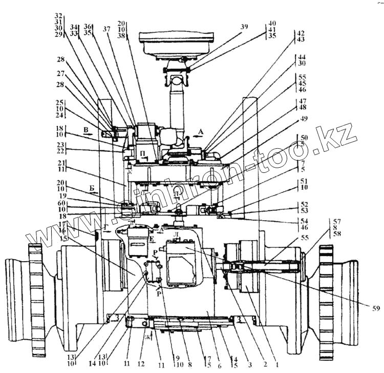
| Позиция на иллюстрации | Заводской номер детали | Название детали | |
|---|---|---|---|
| 2001-16-1-01СП | 2001-16-1-01СП | Установка трансмиссии | |
| 2001-16-1-01-20СП | 2001-16-1-01-20СП | Установка трансмиссии | |
| 1 | 2001-19-1СП | Передача бортовая, фрикцион и тормоз | |
| 1 | 2001-19-1-20СП | Передача бортовая, фрикцион и тормоз | |
| 2 | 2001-16-110СП | Торсион | |
| 3 | 325463 | Штифт | |
| 4 | 280562 | Болт М16х1,5х75 ГОСТ 7796-70 | |
| 4 | 280562-20 | Болт М16х1,5х75 ГОСТ 7796-70 | |
| 5 | Шайба 16.ОТ.65Г | Шайба 16.ОТ.65Г | |
| 6 | 2001-12-13-20СП | Блок трансмиссии | |
| 6 | 2001-12-13СП | Блок трансмиссии | |
| 7 | 280570 | Болт М16х1,5-6gх105.88.40Х019 ГОСТ 7795-70 | |
| 7 | 280570-20 | Болт М16х1,5-6gх105.88.40Х029 ГОСТ 7795-70 | |
| 8 | 580665 | Кольцо С70 ГОСТ 13943-86 | |
| 9 | 282393 | Болт М12-6gх115 | |
| 9 | 282393-20 | Болт М12-6gх115 | |
| 10 | Шайба 12.ОТ.65Г | Шайба 12.ОТ.65Г | |
| 11 | Кольцо 038-046-46-2-3 | Кольцо 038-046-46-2-3 | |
| 12 | Кольцо 135-145-58-2-51-1668 | Кольцо 135-145-58-2-51-1668 | |
| 13 | 280388 | Болт М12-6gх90.109.40Х.019 ГОСТ 7795-70 | |
| 13 | 280388-20 | Болт М12-6gх90.109.40Х029 ГОСТ 7795-70 | |
| 14 | 312001-15-15-01-20СП | Делитель потока | |
| 14 | 312001-15-15-01СП | Делитель потока | |
| 15 | 312001-15-10СП | Фильтр | |
| 15 | 312001-15-10-20СП | Фильтр | |
| 16 | Шайба 20.ОТ.65Г | Шайба 20.ОТ.65Г | |
| 17 | 280728 | Болт М20-6gх60 | |
| 17 | 280728-20 | Болт М20-6gх60 | |
| 18 | 3501-16-28 | Фланец | |
| 19 | 2501-26-83 | Фланец | |
| 19 | 2501-26-83-20 | Фланец | |
| 20 | Болт М12-6gх35 | Болт М12-6gх35 | |
| 21 | 2001-16-112-20СП | Труба | |
| 21 | 2001-16-112СП | Труба | |
| 22 | Кольцо 060-070-58-2-51-1668 | Кольцо 060-070-58-2-51-1668 | |
| 23 | 2001-16-33 | Фланец | |
| 23 | 2001-16-33-20 | Фланец | |
| 26 | 2501-15-124-20СП | Пробка | |
| 26 | 2501-15-124СП | Пробка | |
| 27 | 2501-12-170 | Пластина | |
| 27 | 400324 | Пластина | |
| 28 | 2001-16-15 | Кронштейн | |
| 28 | 2001-16-15-20 | Кронштейн | |
| 29 | 310140 | Шайба 8.01.10.019 ГОСТ 6958-78 | |
| 29 | 310140-20 | Шайба 8.01.10.0221 ГОСТ 6958-78 | |
| 30 | Шайба 8Т.65Г | Шайба 8Т.65Г | |
| 31 | Гайка М8-7Н | Гайка М8-7Н | |
| 32 | 2501-15-107 | Хомут | |
| 32 | 2501-15-107-20 | Хомут | |
| 33 | Кольцо 024-028-25-2-51-1668 | Кольцо 024-028-25-2-51-1668 | |
| 34 | 375783 | Пробка | |
| 35 | Шайба 10.ОТ.65Г | Шайба 10.ОТ.65Г | |
| 36 | Болт М10-6gх30 | Болт М10-6gх30 | |
| 37 | 2701-16-24 | Фланец | |
| 38 | 310210 | Шайба 12х2.01.10.019 ГОСТ 11371-78 | |
| 38 | 310210-20 | Шайба 12х2.01.10.0221 ГОСТ 11371-78 | |
| 39 | 2001-49-1-02-20СП | Передача карданная | |
| 39 | 2001-49-1-02СП | Передача карданная | |
| 40 | 305186 | Гайка М10х1,25-6Н | |
| 40 | 305186-20 | Гайка М10х1,25-6Н | |
| 41 | 280242 | Болт М10х1,25-6gх35 | |
| 41 | 280242-20 | Болт М10х1,25-6gх35 | |
| 42 | 2001-16-31 | Фланец | |
| 42 | 2001-16-31-20 | Фланец | |
| 43 | Кольцо 039-045-36-2-51-1668 | Кольцо 039-045-36-2-51-1668 | |
| 44 | Болт М8-6gх30 | Болт М8-6gх30 | |
| 45 | Н036.23.022 | Гайка | |
| 45 | Н036.23.022-20 | Гайка | |
| 46 | 018-022-25-2-51-1668 | Кольцо | |
| 47 | 404-26-213-01СП | Рукав диаметр 12 | |
| 47 | 404-26-213-01-20СП | Рукав диаметр 12 | |
| 48 | Кольцо 012-016-25-2-51-1668 | Кольцо 012-016-25-2-51-1668 | |
| 49 | 2001-14-1-20СП | Гидротрансформатор с редуктором привода насосов | |
| 49 | 2001-14-1СП | Гидротрансформатор с редуктором привода насосов | |
| 50 | 280544 | Болт М16х1,5-6gх45.109.40Х019 ГОСТ 7796-70 | |
| 50 | 280544-20 | Болт М16х1,5-6gх45.109.40Х029 ГОСТ 7796-70 | |
| 51 | Болт М12-6gх30 | Болт М12-6gх30 | |
| 52 | 2001-16-29 | Крышка | |
| 52 | 2001-16-29-20 | Крышка | |
| 53 | Кольцо 130-135-36-2-3 | Кольцо 130-135-36-2-3 | |
| 54 | 5001-26-78 | Штуцер ввертной | |
| 54 | 5001-26-78-20 | Штуцер ввертной | |
| 55 | 2001-16-111СП | Торсион | |
| 56 | 3501-26-159-20СП | Угольник | |
| 56 | 3501-26-159СП | Угольник | |
| 57 | Кольцо 055-065-58-2-51-1668 | Кольцо 055-065-58-2-51-1668 | |
| 58 | 2001-19-16 | Крышка | |
| 59 | 1501-15-20-20СП | Блок управления | |
| 59 | 1501-15-20СП | Блок управления | |
| 60 | 280379 | Болт 3М12-6gх65.109.40Х.019 ГОСТ 7796-70 | |
| 60 | 280379-20 | Болт 3М12-6gх65.109.40Х.029 ГОСТ 7796-70 |
Содержащиеся в справочниках-каталогах запасные части и детали не предлагаются к продаже, а носят исключительно информационный характер