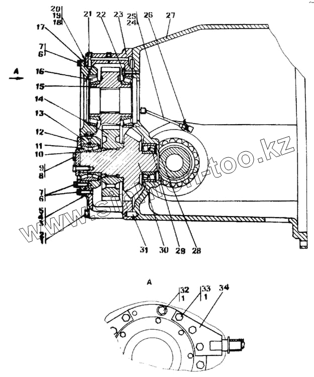
Каталог запасных частей к технике: Промтрактор Т-20.01Я. Главная передача
1
1
1
2
3
4
5
6
6
7
7
8
9
10
11
12
13
14
15
16
17
18
19
20
21
22
23
24
25
26
27
28
29
30
31
32
33
34
| Позиция на иллюстрации | Заводской номер детали | Название детали | |
|---|---|---|---|
| 1 | 315271 | Шайба | |
| 2 | 280580 | Болт М16х1,5х170 | |
| 3 | 2001-12-69-02 | Прокладка | |
| 4 | 2001-12-69-01 | Прокладка | |
| 5 | 2001-12-69 | Прокладка | |
| 6 | 310225 | Шайба | |
| 7 | 280350 | Болт М12х1,25-6gх40 ГОСТ 7798-70 | |
| 8 | Проволока КС 1,6 ГОСТ 792-67 | Проволока КС 1,6 ГОСТ 792-67 | |
| 9 | 280339 | Болт 3М12-6gх30.109.40Х019 ГОСТ 7796-70 | |
| 10 | 2001-12-63 | Крышка | |
| 11 | Подшипник 97514 ГОСТ 24696-81 | Подшипник 97514 ГОСТ 24696-81 | |
| 12 | 2001-12-64 | Пластина | |
| 13 | 2001-12-59 | Стакан | |
| 14 | 2001-12-106СП | Шестерня | |
| 15 | 2001-12-53 | Шестерня | |
| 16 | Подшипник 2007122А | Подшипник 2007122А | |
| 17 | 2001-12-58 | Стакан | |
| 18 | 2001-12-68-02 | Прокладка | |
| 19 | 2001-12-68-01 | Прокладка | |
| 20 | 2001-12-68 | Прокладка | |
| 21 | 370260 | Пробка 3-КГ 1/4" 20.019 ТУ 23.1.506-91 | |
| 22 | 280364 | Болт М16-6gх50.88.35.019 ГОСТ 7795-70 | |
| 23 | 2001-12-51 | Корпус | |
| 24 | Проволока КС 1 ГОСТ 792-67 | Проволока КС 1 ГОСТ 792-67 | |
| 25 | 2001-12-109СП | Труба | |
| 26 | 415148 | Угольник концевой | |
| 27 | 2001-12-50 | Корпус | |
| 28 | 580609 | Кольцо С60 ГОСТ 13940-86 | |
| 29 | Подшипник 53612 ТУ 37.006.162-89 | Подшипник 53612 ТУ 37.006.162-89 | |
| 30 | 2001-12-55 | Шестерня | |
| 31 | 325463 | Штифт | |
| 32 | Болт М16х1,5х60 | Болт М16х1,5х60 | |
| 33 | 280587 | Болт М16х1,5х200 | |
| 34 | 2001-12-108СП | Кронштейн |
Содержащиеся в справочниках-каталогах запасные части и детали не предлагаются к продаже, а носят исключительно информационный характер