Каталог запасных частей к технике: Промтрактор Т-20.01Я. Гидросистема рыхлительного оборудования
1
1
1
2
2
3
3
4
4
5
5
6
7
7
8
8
9
9
10
11
11
12
12
13
13
14
14
15
15
16
16
17
17
17
18
18
19
19
20
20
21
22
23
23
24
25
26
26
27
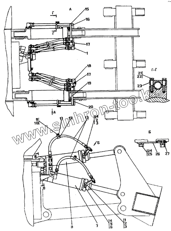
| Позиция на иллюстрации | Заводской номер детали | Название детали | |
|---|---|---|---|
| 012001-97-501СП | 012001-97-501СП | Гидросистема рыхлительного оборудования | |
| 012001-97-501-20СП | 012001-97-501-20СП | Гидросистема рыхлительного оборудования | |
| 1 | 012001-97-506СП | Трубопровод | |
| 1 | 012001-97-506-20СП | Трубопровод | |
| 2 | 2501-98-550 | Кольцо защитное | |
| 3 | Кольцо 032-038-36-2-3 | Кольцо 032-038-36-2-3 | |
| 4 | 012001-97-564 | Фланец | |
| 4 | 012001-97-564-20 | Фланец | |
| 5 | 280544 | Болт М16х1,5-6gх45.109.40Х019 ГОСТ 7796-70 | |
| 5 | 280544-20 | Болт М16х1,5-6gх45.109.40Х029 ГОСТ 7796-70 | |
| 6 | Шайба 16.ОТ.65Г | Шайба 16.ОТ.65Г | |
| 7 | 012001-97-531-01СП | Гидроцилиндр d160 | |
| 7 | 012001-97-531-01-20СП | Гидроцилиндр d160 | |
| 8 | 012001-97-531-20СП | Гидроцилиндр d160 | |
| 8 | 012001-97-531СП | Гидроцилиндр d160 | |
| 9 | 280365 | Болт М12х1,25-6gх50.88.40Х.019 ГОСТ 7796-70 | |
| 9 | 280365-20 | Болт М12х1,25-6gх50.88.40Х.029 ГОСТ 7796-70 | |
| 10 | Шайба 12.ОТ.65Г | Шайба 12.ОТ.65Г | |
| 11 | 2601-28-59 | Бугель | |
| 11 | 2601-28-59-20 | Бугель | |
| 12 | 2601-28-60 | Бугель | |
| 12 | 2601-28-60-20 | Бугель | |
| 13 | 012001-97-504СП | Рукав d20 | |
| 13 | 012001-97-504-20СП | Рукав d20 | |
| 14 | 012001-97-533-20 | Угольник | |
| 14 | 012001-97-553 | Угольник | |
| 15 | 012001-97-503-02-20СП | Трубопровод | |
| 15 | 012001-97-503-02СП | Трубопровод | |
| 16 | 012001-97-503-03-20СП | Трубопровод | |
| 16 | 012001-97-503-03СП | Трубопровод | |
| 17 | 012001-97-502-20СП | Трубопровод | |
| 17 | 012001-97-502СП | Трубопровод | |
| 18 | 012001-97-506-01-20СП | Трубопровод | |
| 18 | 012001-97-506-01СП | Трубопровод | |
| 19 | 012001-97-503СП | Трубопровод | |
| 19 | 012001-97-503-20СП | Трубопровод | |
| 20 | 012001-97-503-01-20СП | Трубопровод | |
| 20 | 012001-97-503-01СП | Трубопровод | |
| 21 | Болт М8-6gх40 | Болт М8-6gх40 | |
| 22 | Шайба 8Т.65Г | Шайба 8Т.65Г | |
| 23 | 2501-98-501 | Бугель | |
| 23 | 2501-98-501-20 | Бугель | |
| 24 | Болт М10-6gх30 | Болт М10-6gх30 | |
| 25 | Шайба 10Т.65Г | Шайба 10Т.65Г | |
| 26 | 012001-97-571 | Планка | |
| 26 | 012001-97-571-20 | Планка | |
| 27 | Шайба 10.01.10 | Шайба 10.01.10 |
Содержащиеся в справочниках-каталогах запасные части и детали не предлагаются к продаже, а носят исключительно информационный характер