Каталог запасных частей к технике: Промтрактор Т-20.01Я. Электрооборудование
1
1
2
2
3
3
3
4
4
5
5
5
6
6
6
7
7
8
8
9
10
11
11
12
12
12
13
13
14
14
15
16
16
17
17
18
19
19
20
20
21
22
23
23
24
25
25
26
27
27
28
28
28
29
29
30
30
31
31
32
33
34
35
35
36
37
38
39
40
40
41
42
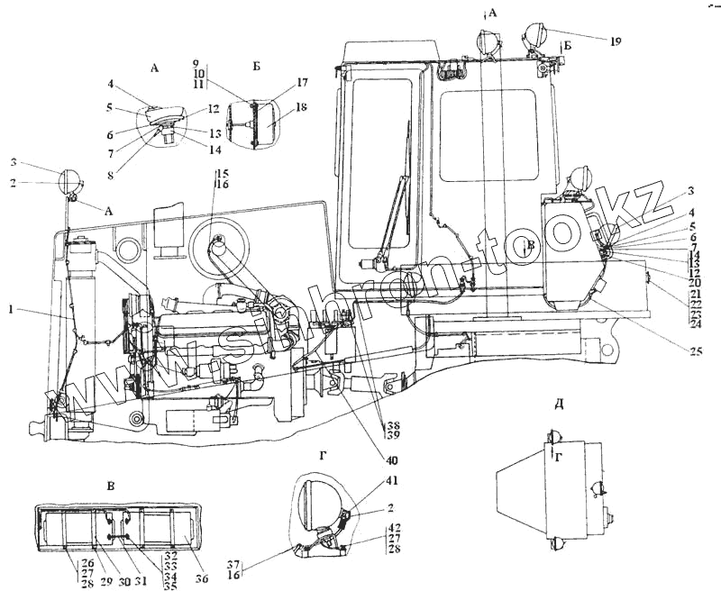
| Позиция на иллюстрации | Заводской номер детали | Название детали | |
|---|---|---|---|
| 2001-10-1-02СП | 2001-10-1-02СП | Электрооборудование | |
| 2001-10-1-02-20СП | 2001-10-1-02-20СП | Электрооборудование | |
| 1 | 2001-10-14СП | Электрооборудование передней облицовки | |
| 1 | 2001-10-14-20СП | Электрооборудование передней облицовки | |
| 2 | 700-40-5607 | Наконечник | |
| 3 | 3131.3711010 | Фара ГОСТ 3544-75 | |
| 3 | 3137.3711010 | Фара ГОСТ 3544-75 | |
| 4 | 700-40-6018 | Опора | |
| 5 | 46-10-86 | Опора | |
| 5 | 46-10-86-20 | Опора | |
| 6 | 46-10-85 | Опора | |
| 6 | 46-10-85-20 | Опора | |
| 7 | Кольцо 14х12х4-6а ОСТ 38.05.156-78 | Кольцо 14х12х4-6а ОСТ 38.05.156-78 | |
| 8 | 46-10-637-20СП | Провод | |
| 8 | 46-10-637СП | Провод | |
| 9 | Гайка М6-7Н.6 | Гайка М6-7Н.6 | |
| 10 | Шайба 6Т.65Г | Шайба 6Т.65Г | |
| 11 | 310110 | Шайба 6.01.08кп.019 ГОСТ 11371-78 | |
| 11 | 310110-20 | Шайба 6.01.08кп.0221 ГОСТ 11371-78 | |
| 12 | 310210 | Шайба 12х2.01.10.019 ГОСТ 11371-78 | |
| 12 | 310210-20 | Шайба 12х2.01.10.0221 ГОСТ 11371-78 | |
| 13 | Шайба 12 ОТ.65Г | Шайба 12 ОТ.65Г | |
| 14 | Гайка М12х1,25-6Н.6 | Гайка М12х1,25-6Н.6 | |
| 15 | 415090 | Хомутик | |
| 16 | 700-40-6684-06 | Прокладка | |
| 17 | ТТ2501-10-8 | Прокладка | |
| 17 | ТТ2501-10-8-20 | Прокладка | |
| 18 | ФП134-Б | Фонарь освещения номерного знака ТУ 37.003.675-82 | |
| 19 | 404-10-270-20-СП | Установка фары | |
| 19 | 404-10-270-СП | Установка фары | |
| 20 | 2502-10-151-29СП | Провод | |
| 20 | 2502-10-151-29-20СП | Провод | |
| 21 | Винт В.М6-6gх12 ГОСТ 17473-80 | Винт В.М6-6gх12 ГОСТ 17473-80 | |
| 22 | Шайба 6Т.65Г | Шайба 6Т.65Г | |
| 23 | 310110 | Шайба 6.01.08кп.019 ГОСТ 11371-78 | |
| 23 | 310110-20 | Шайба 6.01.08кп.0221 ГОСТ 11371-78 | |
| 24 | ФП310Е | Световозвращатель ТУ 37.003.079-80 | |
| 25 | 2001-10-13-20СП | Электрооборудование топливного бака | |
| 25 | 2001-10-13СП | Электрооборудование топливного бака | |
| 26 | Гайка М8-7Н.6 | Гайка М8-7Н.6 | |
| 27 | Шайба 8Т.65Г | Шайба 8Т.65Г | |
| 28 | 310150 | Шайба 8.01.08кп.019 ГОСТ 11371-78 | |
| 28 | 310150-20 | Шайба 8.01.08кп.0221 ГОСТ 11371-78 | |
| 29 | 46-10-113 | Стержень | |
| 29 | 46-10-113-20 | Стержень | |
| 30 | 2001-10-117СП | Рамка | |
| 30 | 2001-10-117-20СП | Рамка | |
| 31 | 2001-10-118-20СП | Провод | |
| 31 | 2001-10-118СП | Провод | |
| 32 | Болт М10-6gх30 | Болт М10-6gх30 | |
| 33 | Гайка М10-7Н.6 | Гайка М10-7Н.6 | |
| 34 | Шайба 10.65Г | Шайба 10.65Г | |
| 35 | 310170 | Шайба 10.01.10.019 ГОСТ 11371-78 | |
| 35 | 310170-20 | Шайба 10.01.10.0221 ГОСТ 11371-78 | |
| 36 | Батарея 6СТ-190А ТУ16-729.384-83 | Батарея 6СТ-190А ТУ16-729.384-83 | |
| 37 | 415119 | Хомутик | |
| 38 | 700-40-6684-02 | Прокладка | |
| 39 | 700-41-2548 | Хомутик | |
| 40 | 2001-10-11-02-20СП | Установка электрооборудования на раме | |
| 40 | 2001-10-11-02СП | Установка электрооборудования на раме | |
| 41 | 602602 | Колодка гнездовая ОСТ 37.003.032-88 | |
| 42 | Болт М8-6gх16 | Болт М8-6gх16 |
Содержащиеся в справочниках-каталогах запасные части и детали не предлагаются к продаже, а носят исключительно информационный характер