Каталог запасных частей к технике: Промтрактор Т-20.01К. 2001-55-1-01СП Облицовка
1
1
2
2
2
2
2
2
2
3
3
3
3
4
4
4
4
4
4
5
5
6
6
6
7
7
8
8
8
8
8
8
9
9
10
10
10
10
10
11
11
11
12
13
13
14
15
15
16
16
17
17
18
19
19
20
20
21
21
21
22
23
23
24
25
26
26
27
27
27
28
28
29
29
30
30
31
31
31
32
32
33
33
34
34
35
35
36
37
37
38
38
39
39
40
40
41
42
42
43
43
44
45
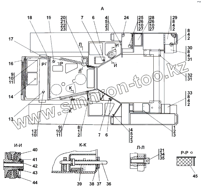
| Позиция на иллюстрации | Заводской номер детали | Название детали | |
|---|---|---|---|
| 1 | Болт М12x1,25-6gx40 | Болт М12x1,25-6gx40 | |
| 2 | Шайба 12.ОТ | Шайба 12.ОТ | |
| 3 | 31 0230 | Шайба 12.01.10.019 ГОСТ 6958-78 | |
| 3 | 31 0230-20 | Шайба 12.01.10.0221 ГОСТ 6958-78 | |
| 4 | Болт М12x1,25-6gx30 | Болт М12x1,25-6gx30 | |
| 5 | Гайка М12x1,25-64 | Гайка М12x1,25-64 | |
| 6 | 46-43-105-01 | Кольцо | |
| 6 | 46-43-105-01-20 | Кольцо | |
| 7 | 2501-55-170СП(SP) | Ручка | |
| 8 | 31 5211-20 | Шайба | |
| 8 | 31 5211 | Шайба | |
| 9 | Болт М8-6gx25 | Болт М8-6gx25 | |
| 10 | Шайба 8Т | Шайба 8Т | |
| 11 | 31 0140 | Шайба 8.01.10.019 ГОСТ 6958-78 | |
| 11 | 31 0140-20 | Шайба 8 ГОСТ 6958-78 | |
| 12 | Болт М8-6gx16 | Болт М8-6gx16 | |
| 13 | А.30.06.100 | Хомут | |
| 13 | А.30.06.100-20 | Хомут | |
| 14 | 2501-55-169СП(SP) | Ручка | |
| 15 | 28 0320-20 | Болт М12х1,25-6gх20 ГОСТ 7796-70 | |
| 15 | 28 0320 | Болт М12х1,25-6gх20 ГОСТ 7795-70 | |
| 16 | 1501-55-11СП(SP) | Крышка | |
| 16 | 1501-55-11-20СП(SP) | Крышка | |
| 17 | 2001-55-135 | Закладка | |
| 17 | 2001-55-135-20 | Закладка | |
| 18 | 2001-55-178 | Прокладка | |
| 19 | 46-55-228СП(SP) | Хомут | |
| 19 | 46-55-228-20СП(SP) | Хомут | |
| 20 | 2001-55-34СП(SP) | Кронштейн | |
| 20 | 2001-55-34-20СП(SP) | Кронштейн | |
| 21 | 28 0544-20 | Болт М16х1,5-6gх45.109.40Х.029 ГОСТ 7796-70 | |
| 21 | 28 0544 | Болт М16х1,5-6gх45.109.40Х.019 ГОСТ 7796-70 | |
| 22 | Шайба 16.ОТ | Шайба 16.ОТ | |
| 23 | 31 0270 | Шайба 16 ГОСТ 11371-78 | |
| 23 | 31 0270-20 | Шайба 16.0Т.10.0221 ГОСТ 11371-78 | |
| 24 | 40 0085 | Опора | |
| 25 | 2001-55-36СП(SP) 2001-55-36-20СП(SP) | Крышка Крышка | |
| 26 | Болт М8-6gx20 | Болт М8-6gx20 | |
| 27 | 31 0150-20 | Шайба 8.01.08кп.0221 ГОСТ 11371-78 | |
| 27 | 31 0150 | Шайба 8 ГОСТ 11371-78 | |
| 28 | 2001-55-35СП(SP) | Крышка | |
| 28 | 2001-55-35-20СП(SP) | Крышка | |
| 29 | 2001-55-23СП(SP) | Ящик | |
| 29 | 2001-55-23-20СП(SP) | Ящик | |
| 30 | 2001-55-26-01-20СП -20(SP) | Ступенька | |
| 30 | 2001-55-26-01СП(SP) | Ступенька | |
| 31 | 31 0350-20 | Шайба 24.01.10.0221 ГОСТ 11371-78 | |
| 31 | 31 0350 | Шайба 24 ГОСТ 11371-78 | |
| 32 | 28 0840 | Болт М24х2-6gх90.109.40Х.019 ГОСТ 7796-70 | |
| 32 | 28 0840-20 | Болт М24х2-6gх90.109.40Х. 029 ГОСТ 7796-70 | |
| 33 | 2001-55-26-20СП(SP) | Ступенька | |
| 33 | 2001-55-26СП(SP) | Ступенька | |
| 34 | 2501-55-574-20 | Планка | |
| 34 | 2501-55-574 | Планка | |
| 35 | 700-31-2295-20 | Пластина стопорная | |
| 35 | 700-31-2295 | Пластина стопорная | |
| 36 | 2001-55-25СП(SP) | Ручка | |
| 37 | 2001-55-150-20 | Планка | |
| 37 | 2001-55-150 | Планка | |
| 38 | 31 0170 | Шайба 10 ГОСТ 11371-78 | |
| 38 | 31 0170-20 | Шайба 10.01.10.0221 ГОСТ 11 371-78 | |
| 39 | 700-38-2563 | Пружина | |
| 39 | 700-38-2563-20 | Пружина | |
| 40 | 2501-20-26-20 | Прижим | |
| 40 | 2501-20-26 | Прижим | |
| 41 | 31 0460 | Шайба 42.01.019 ГОСТ 11872-80 | |
| 42 | 2501-60-134-20 | Упор | |
| 42 | 2501-60-134 | Упор | |
| 43 | 30 5485-20 | Гайка | |
| 43 | 30 5485 | Гайка | |
| 44 | 40 0224 | Амортизатор | |
| 45 | 2001-56-1-01СП(SP) | Теплошумовая защита |
Содержащиеся в справочниках-каталогах запасные части и детали не предлагаются к продаже, а носят исключительно информационный характер