Каталог запасных частей к технике: Промтрактор Т-20.01К. 2001-26-30СП Бак гидросистемы
1
1
2
2
2
3
3
4
4
5
6
6
6
7
7
8
8
9
9
10
11
11
12
14
14
15
15
16
17
18
18
19
20
20
21
22
23
24
25
25
26
26
27
28
28
29
30
31
32
33
33
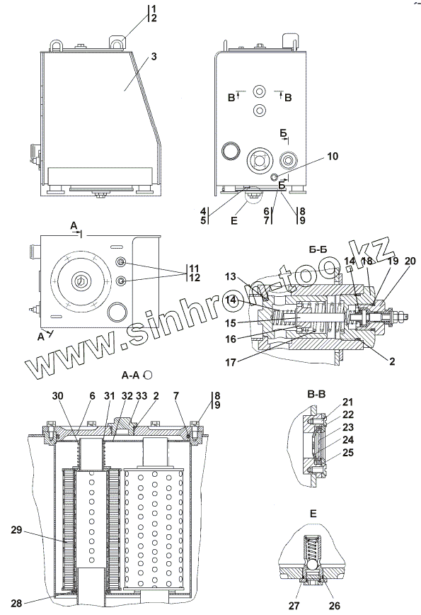
| Позиция на иллюстрации | Заводской номер детали | Название детали | |
|---|---|---|---|
| 2001-26-30-20СП(SP) | 2001-26-30-20СП(SP) | Бак гидросистемы | |
| 2001-26-30СП(SP) | 2001-26-30СП(SP) | Бак гидросистемы | |
| 1 | 46-26-303СП(SP) | Сапун | |
| 1 | 46-26-303-20СП(SP) | Сапун | |
| 2 | 045-050-30-2-51-1668 | Кольцо ГОСТ 9833-73/ГОСТ 18829-73 | |
| 3 | 2001-26-31СП(SP) | Бак | |
| 3 | 2001-26-31-20СП(SP) | Бак | |
| 4 | 37 5625 | Пробка | |
| 4 | 37 5625-20 | Пробка | |
| 5 | 018-022-25-2-51-1668 | Кольцо ГОСТ 9833-73/ТУ 38.005.204-84 | |
| 6 | 2501-26-178-20 | Крышка | |
| 6 | 2501-26-178 | Крышка | |
| 7 | 270-280-58-2-51-1668 | Кольцо 270-280-58-2-51-1668 | |
| 8 | Болт М12x1,25-6gx25 | Болт М12x1,25-6gx25 | |
| 9 | Шайба 12.ОТ | Шайба 12.ОТ | |
| 10 | ТМ111-01 | Датчик сигнализатора температуры ТУ 37.003.569-90 | |
| 11 | 37 5245 | Пробка | |
| 11 | 37 5245-20 | Пробка | |
| 12 | 007-011-25-2-51-1668 | Кольцо ГОСТ 18829-73/ТУ 38.005.204-84 | |
| 14 | 700-38-2280 | Пружина | |
| 15 | 31 3502-26-260 | Клапан | |
| 15 | 2501-26-192СП(SP) | Шток | |
| 16 | 2501-26-185 | Втулка | |
| 17 | 700-38-2183 | Пружина | |
| 18 | 1101-26-181-20 | Крышка | |
| 18 | 1101-26-181 | Крышка | |
| 19 | 024-028-25-2-51-1668 | Кольцо 024-028-25-2-51-1668 | |
| 20 | 3500-15-16СП(SP) | Пробка | |
| 20 | 3500-15-16-20СП(SP) | Пробка | |
| 21 | Винт В.М-6gx12 | Винт В.М-6gx12 | |
| 22 | 40 0089 | Уплотнение | |
| 23 | 46-26-1317 | Стекло | |
| 24 | 46-26-957 | Отражатель | |
| 25 | 46-26-964-20 | Крышка | |
| 25 | 46-26-964 | Крышка | |
| 26 | 1101-16-112-20СП(SP) | Клапан | |
| 26 | 1101-16-112СП(SP) | Клапан | |
| 27 | 040-045-30-2-3 | Кольцо 040-045-30-2-3 | |
| 28 | 40 0380-20 | Прокладка | |
| 28 | 40 0380 | Прокладка | |
| 29 | ЭФМ020.1012040 | Элемент фильтрующий ЭФМ020.1012040 | |
| 30 | 700-38-2332 | Пружина | |
| 31 | 3501-26-105СП(SP) | Стакан | |
| 32 | 2001-26-108 | Проставка | |
| 33 | 37 5970-20 | Пробка | |
| 33 | 37 5970 | Пробка |
Содержащиеся в справочниках-каталогах запасные части и детали не предлагаются к продаже, а носят исключительно информационный характер