Вернуться на главную
Поиск
Каталоги запчастей к технике
Спецтехника
Промтрактор
Т-20.01К
2001-12-12СП Передача главная
Каталог запасных частей к технике: Промтрактор Т-20.01К. 2001-12-12СП Передача главная
zoom-in
zoom-out
enlarge
shrink
circle-right
circle-left
file-text2
info
cart
Тип техники
Не выбрано
Легковые автомобили
Грузовые автомобили и прицепы
Автобусы
Сельхозтехника
Спецтехника
Двигатели
Мототехника
Марка
Не выбрано
Ammann
BOMAG
CARMIX
CASE IH
Changlin
ChengGong
Dimex
Doosan
DYNAPAC
Foton
HAMM
Hidromek
Hitachi
Hyundai
JCB
JLG
John Deere
Komatsu
LIEBHERR
LiuGong
Lonking (LongGong)
Luneng
MANITOU
Mitsuber
New Holland
PENGPU
RM-Terex
SANY
SDLG
SEM
Shantui
Shehwa HBXG
Soosan
TIGARBO
VOGELE
Volvo
WAY
WIRTGEN
XCMG
XGMA
Xiamen
YTO
Yuchai
Zoomlion
Автокран
АЗСМ
Алтайлесмаш
Амкодор
АОМЗ
Атек
АТЗ
Балканкар Рекорд
БелАЗ
Беловеж
Борекс
Брянский Арсенал
Булат
ВЭКС
ГАЗ
Геомаш
Гидромаш
Донекс
Дормаш
Дормашина
Дорэлектромаш
ДЭЗ
ЕлАЗ
ЗЗГТ
Ижнефтемаш
Канаш-электрокар
КЗКТ
ККЗ
Клевер
Клинцовский автокрановый завод
КМЗ
КМЗ 1 Мая
Ковровец
Коммаш
Кранэкс
КЭЗ
КЭМЗ
ЛЗА
МАЗ
МЗИК
МЗКМ
МЗКТ
Михневский РМЗ
МоАЗ
Мозырский МЗ
МТЗ
ОЗП
Онежец
ПАО "ТЗА"
ППС Детва
Промтрактор
ПТЗ
Раскат
СпецАгрегат
ТВЭКС
ТТМ
УВЗ
Угличмаш
УЗТМ
ХТЗ
ЧЗКМ
ЧСДМ
ЧТЗ
ЭКСКО
ЭКСМАШ
ЮрМаш
Модель
Не выбрано
ПК-12.02 (2007)
ПК-12.02К (2007)
ПК-60.01 (2007)
Т-11.01К (2008)
Т-11.01Я
Т-11.02К (2008)
Т-11.02Я (2008)
Т-15.01К (2007)
Т-15.01Я (2000)
Т-15.02K (2009)
Т-15.02Я (2009)
Т-20.01К
Т-20.01Я (2000)
Т-20.01Я (2005) (2005)
Т-20.02К (Четра) (2009)
Т-20.02Я (Четра) (2009)
Т-25.01К1 (2008)
Т-25.01Я (2006)
Т-330 (2006)
Т-35.01К (2007)
Т-35.01Я
Т-40.01К (2008)
Т-50.01 (1998)
Т-500 (1999)
Т-9.01Я (2007)
ТГ-121Я (2004)
ТГ-221КМ (2006)
ТГ-221Я (2004)
ТГ-301К (2006)
ТГ-301Я (2004)
ТГ-302Я (2010)
ТГ-503К (2006)
ТГ-503Я (2006)
ТГ-511 (2008)
Шасси ТП-20.02 (2008)
Схема
>
Не выбрано
1101-111-08СП Кабина
1101-111-08СП Кабина
1101-111-08СП Кабина
1101-111-08СП Кабина
2501-59-1СП Кабина
2501-59-1СП Кабина
2501-59-1СП Кабина
1101-89-2МК/3МК Машинокомплект деталей и сборочных единиц интерьера кабины
3501-24-1-01СП Пол
1101-23-1СП Установка сиденья
2001-13-1-03СП Управление трактором
2001-13-1-03СП Управление трактором
2001-13-50-02СП Привод управления
2001-13-50-02СП Привод управления
2001-13-50-02СП Привод управления
3501-13-143СП Блок управления
3501-13-172СП Блок управления
2001-53-3СП Установка отопителя кабины
2001-53-3СП Установка отопителя кабины
312001-57-2СП Установка вентиляторов кабины
1101-47-1СП Установка отопителя кабины
2502-48-2-03СП Установка кондиционера
2001-55-1-01СП Облицовка
2001-55-1-01СП Облицовка
2001-61-1СП Установка защиты кабины
2006-01-1СП Установка двигателя М11-С «Cummins»
2006-01-1СП Установка двигателя М11-С «Cummins»
2006-05-1СП Установка систем воздухоочистки и выпуска
2006-05-27СП Воздухоочиститель
2006-25-1СП Установка топливного бака
2006-25-10СП Бак топливный
2006-43-2СП Установка системы подогрева
2006-43-2СП Установка системы подогрева
2006-60-2СП Система охлаждения двигателя и трансмиссии
2006-60-2СП Система охлаждения двигателя и трансмиссии
2001-11-1-02СП Рама
2001-11-9СП Балка
2001-21-1СП Система ходовая
2001-21-2СП/-3СП Тележка
2001-21-15СП Каток поддерживающий
2001-21-18СП/-18-01СП Шарнир
2001-21-33СП Механизм сдавания
2001-21-43СП Колесо натяжное
2001-21-40СП/-40-01СП Каток опорный
2001-21-201СП Система ходовая полужесткая
2001-21-202СП/-203СП Тележка полужесткая
2001-22-1СП Гусеница
2002-22-1СП Гусеница
1101-21-42-02СП/-43-03СП Механизм натяжения
2001-64-1-01СП Установка кожухов
2001-16-1-01СП Установка трансмиссии
2001-16-1-01СП Установка трансмиссии
2001-16-1-01СП Установка трансмиссии
2001-12-10СП Коробка передач планетарная
2001-12-11СП Коробка передач
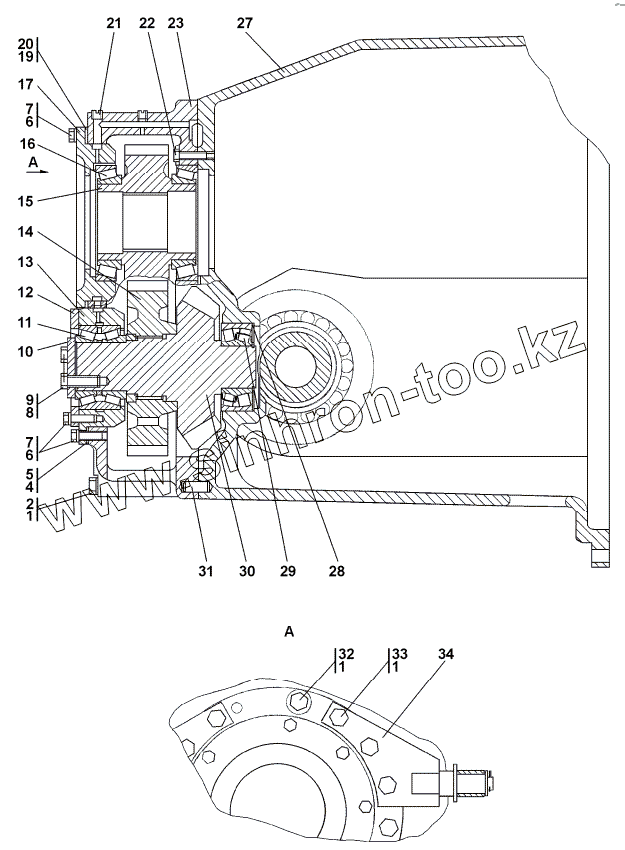
2001-12-12СП Передача главная
2001-12-12СП Передача главная
2001-12-13СП Блок трансмиссии
2001-12-100СП Водило
2001-12-102СП Водило
2001-12-103СП Водило
2001-12-118СП Водило
2001-14-1СП Гидротрансформатор
2001-14-1СП Гидротрансформатор
2001-14-1СП Гидротрансформатор
2001-14-17СП Клапан
2001-18-10СП Фрикцион бортовой и тормоз остановочный
2001-19-1СП Передача бортовая, фрикцион и тормоз
2001-19-10СП Передача бортовая
2001-49-1-02СП Вал карданный
1101-15-15СП Делитель потока
1101-16-112СП Клапан
1501-15-20СП Блок управления
1501-15-41СП Блок управления
2501-15-138СП Клапан
3501-16-103СП Клапан
312001-15-10СП Фильтр
312001-20-2СП Муфта упругая
2001-10-1-03СП Электрооборудование
2001-10-11-03СП Установка электрооборудования на раме
2001-10-13СП Электрооборудование топливного бака
2001-10-14СП Электрооборудование передней облицовки
2001-10-15СП Электрооборудование подогревателя ПЖД-30Г
2001-10-16СП Установка электрооборудования в контейнере отопителя
2001-10-17СП Установка электрооборудования в контейнере АКБ
2006-10-12СП/-12-01СП Электрооборудование двигателя
1102-10-13-01СП Электрооборудование крыши кабины
1102-10-13-02 СП Электрооборудование крыши кабины
1102-10-13-04СП Электрооборудование крыши кабины
1102-10-17СП Электрооборудование отопителя
1106-10-18-08СП Электрооборудование пола кабины
1102-10-150СП Блок выключателей
1102-10-155-02СП Установка электрооборудования пола кабин
1102-10-156CП Установка блока выключателей
1102-10-157-01СП Установка жгута
2502-10-169СП Установка жгута к контейнеру АКБ
1102-10-165СП/-01СП/-02СП Щиток выключателей
404-10-270СП Установка фары
1102-10-163-03СП Щиток приборов
2001-26-1СП Установка гидросистемы
2001-26-21СП Распределитель секционный
2001-26-30СП Бак гидросистемы
2001-26-22СП Распределитель
2001-26-22-01СП Распределитель
2001-26-22-02СП Распределитель
2001-26-22-03СП Распределитель
2001-26-23СП Клапан
2001-26-24-01СП Клапан
2001-26-25СП Клапан
2001-26-501СП Гидроцилиндр d.125
1501-26-10-02СП Установка гидроцилиндров
1501-26-10-02СП Установка гидроцилиндров
1501-26-508СП Устройство перепускное
012001-92-5СП Оборудование бульдозерное сферическое
012001-92-5СП Оборудование бульдозерное сферическое
012001-92-21СП Отвал
012001-93-5СП Оборудование бульдозерное полусферическое
012001-93-5СП Оборудование бульдозерное полусферическое
012001-93-21СП Отвал
011501-93-180СП Раскос винтовой
012001-93-500СП Гидросистема бульдозерного оборудования
011501-93-502СП Гидрораскос d.160
011501-93-508СП Гидрозамок
012001-97-1СП Оборудование рыхлительное
012001-97-1СП Оборудование рыхлительное
012001-97-120СП Зуб
012001-97-501СП Гидросистема рыхлительного оборудования
011501-97-502-01СП/-02СП Гидроцилиндр d.160
012001-98-1СП Оборудование рыхлительное
012001-98-1СП Оборудование рыхлительное
012001-98-120СП Зуб
2001-51-1СП Установка прицепного устройства
1501-96-1-01СП Агрегат тяговый
1501-96-1-01СП Агрегат тяговый
1501-96-10-01СП Лебедка
1501-96-10-01СП Лебедка
1501-96-100СП Бустер
1501-96-101СП Водило
1501-96-103СП Механизм планетарный
311102-26-39СП Клапан
3501-96-103СП Бустер
3501-96-300СП Клапан
1
1
1
2
4
5
6
6
7
7
8
9
10
11
12
13
14
15
16
17
19
20
21
22
23
27
28
29
29
30
31
32
33
34
Позиция на иллюстрации
Заводской номер детали
Название детали
1
31 5271
Шайба
2
28 0580
Болт М16х1,5-6gх170 ГОСТ 7795-70
4
2001-12-69-01
Прокладка
5
2001-12-69
Прокладка
6
31 0225
Шайба
7
28 0350
Болт М12-6gх40 ГОСТ 7798-70
8
Проволока КС 1,6
Проволока КС 1,6
9
28 0516-01
Болт 3М14x1,5-6gx40
10
2001-12-63
Крышка
11
2001-12-56
Шестерня
12
2001-12-89
Пластина
13
2001-12-87
Стакан
14
2001-12-119СП(SP)
Шестерня
15
2001-12-81
Шестерня
16
6-2007122А
Подшипник 6-2007122А
17
2001-12-58
Стакан
19
2001-12-68-01
Прокладка
20
2001-12-68
Прокладка
21
37 0260
Пробка 3-кг1/4"
22
28 0364
Болт M12-6gx50
23
2001-12-51
Корпус
27
2001-12-50
Корпус
28
58 0609
Кольцо С60
29
53612И
Подшипник 53612И
29
22312W33
Подшипник 22312W33
30
2001-12-88
Шестерня
31
32 5463
Штифт
32
М16x1,5-6gx60
Болт М16x1,5-6gx60
33
28 0587
Болт М16x1,5-6gx200
34
2001-12-108СП(SP)
Кронштейн
Содержащиеся в справочниках-каталогах запасные части и детали не предлагаются к продаже, а носят исключительно информационный характер
Дополнительная информация
×
Название:
Номер:
Примечание: