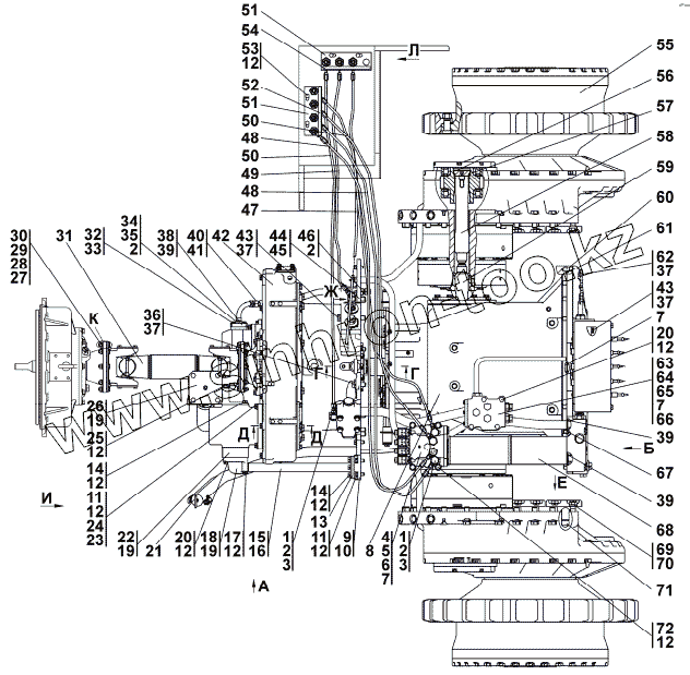
Каталог запасных частей к технике: Промтрактор Т-15.02Я. 1501-16-2СП Установка трансмиссии
1501-16-2СП(SP)
1501-16-2-20СП(SP)
1
1
1
2
2
2
2
3
3
3
4
4
5
6
7
7
7
8
8
9
9
10
11
11
12
12
12
12
12
12
12
12
12
12
13
13
14
14
15
16
17
17
18
18
19
19
19
20
20
20
21
22
23
23
24
24
25
25
26
27
27
28
29
30
30
31
32
33
34
34
35
35
36
36
37
37
37
37
38
38
39
39
39
40
40
41
42
42
43
43
44
44
45
46
46
47
48
48
49
50
50
51
51
52
53
54
55
55
56
56
57
58
59
60
61
62
62
63
63
64
65
66
67
68
69
69
70
71
72
72
| Позиция на иллюстрации | Заводской номер детали | Название детали | |
|---|---|---|---|
| 1501-16-2СП(SP) | 1501-16-2СП(SP) | Установка трансмиссии | |
| 1501-16-2-20СП(SP) | 1501-16-2-20СП(SP) | Установка трансмиссии | |
| 1 | 1101-15-40 | Угольник | |
| 1 | 1101-15-40-20 | Угольник | |
| 2 | 018-022-25-2-51-1668 | Кольцо ГОСТ 9833-73/ТУ 38.005.204-84 | |
| 3 | 2501-20-8 | Болт зажимной | |
| 3 | 2501-20-8-20 | Болт зажимной | |
| 4 | 313512-15-1СП(SP) | Блок управления | |
| 4 | 313512-15-1-20СП(SP) | Блок управления | |
| 5 | 022-026-25-2-51-1668 | Кольцо 022-026-25-2-51-1668 | |
| 6 | 032-038-36-2-51-1668 | Кольцо ГОСТ 18829-73/ТУ 38.005.204-84 | |
| 7 | 030-035-30-2-ИРП-1314-1 | Кольцо 030-035-30-2-ИРП-1314-1 | |
| 8 | 2001-12-17СП(SP) | Блок трансмиссии | |
| 8 | 2001-12-17-20СП(SP) | Блок трансмиссии | |
| 9 | 3501-16-28 | Фланец | |
| 9 | 3501-16-28-20 | Фланец | |
| 10 | 049-055-36-2-51-1668 | Кольцо ГОСТ 18829-73/ТУ 38.005.204-84 | |
| 11 | Болт М8-6gx35 | Болт М8-6gx35 | |
| 12 | Шайба 12.ОТ | Шайба 12.ОТ | |
| 13 | 2501-26-83 | Фланец | |
| 13 | 2501-26-83-20 | Фланец | |
| 14 | Болт М12-6gx30 | Болт М12-6gx30 | |
| 15 | 2001-16-114СП(SP) | Труба | |
| 16 | 034-038-25-2-51-1668 | Кольцо 034-038-25-2-51-1668 | |
| 17 | 28 5384-20 | Болт 3М12-6gx125 | |
| 17 | 28 5384 | Болт 3М12-6gx125 | |
| 18 | 1501-16-3 | Фланец | |
| 18 | 1501-16-3-20 | Фланец | |
| 19 | 060-070-58-2-51-1668 | Кольцо ГОСТ 18829-73/ТУ 38.005.204-84 | |
| 20 | 28 0383-01 | Болт М12-6gх85 | |
| 20 | 28 0383-01-20 | Болт М12-6gх85 | |
| 21 | 2501-15-124СП(SP) | Пробка | |
| 22 | 1501-16-4 | Проставка | |
| 23 | 31 0210 | Шайба 12х2.01.08кп.019 ГОСТ 11371-78 | |
| 23 | 31 0210-20 | Шайба 12х2 ГОСТ 11371-78 | |
| 24 | 31 0210-05 | Шайба 12 | |
| 24 | 31 0210-05-20 | Шайба 12 | |
| 25 | 28 0388 | Болт М12-6gх90.58.019 ГОСТ 7795-70 | |
| 25 | 28 0388-20 | Болт М12-6gх90.58.029 ГОСТ 7795-70 | |
| 26 | 2001-16-115СП(SP) | Заборник | |
| 27 | 31 5186 | Шайба | |
| 27 | 31 5186-20 | Шайба | |
| 28 | Гайка М10x1,25 | Гайка М10x1,25 | |
| 29 | М10x1,25(8)ОЦ DIN985 | Гайка самоконтрящаяся М10x1,25(8)ОЦ DIN985 | |
| 30 | 2001-16-44 | Болт специальный | |
| 30 | 2001-16-44-20 | Болт специальный | |
| 31 | 2001-49-1-01 | Вал карданный | |
| 32 | Болт М8-6gx30 | Болт М8-6gx30 | |
| 33 | Шайба 8Т | Шайба 8Т | |
| 34 | 3501-26-209СП(SP) | Трубопровод | |
| 34 | 3501-26-209-20СП(SP) | Трубопровод | |
| 35 | Н.036.23.022 | Контргайка | |
| 35 | Н.036.23.022-01 | Контргайка | |
| 36 | 28 0544 | Болт М16х1,5-6gх45.109.40Х.019 ГОСТ 7796-70 | |
| 36 | 28 0544-20 | Болт М16х1,5-6gх45.109.40Х.029 ГОСТ 7796-70 | |
| 37 | Шайба 16.ОТ | Шайба 16.ОТ | |
| 38 | 2001-16-31 | Фланец | |
| 38 | 2001-16-31-20 | Фланец | |
| 39 | 039-045-36-2-51-1668 | Кольцо ГОСТ 18829-73/ТУ 38.005.204-84 | |
| 40 | 404-26-213-24СП(SP) | Рукав | |
| 40 | 404-26-213-24-20СП -20SP | Рукав | |
| 41 | 012-016-25-2-51-1668 | Кольцо 012-016-25-2-51-1668 | |
| 42 | 2001-14-1-02СП(SP) | Гидротрансформатор с редуктором привода насосов | |
| 42 | 2001-14-1-02-20СП -20SP | Гидротрансформатор с редуктором привода насосов | |
| 43 | Болт М16x1,5-6gx105 | Болт М16x1,5-6gx105 | |
| 44 | 2001-16-29 | Крышка | |
| 44 | 2001-16-29-20 | Крышка | |
| 45 | 130-135-36-2-51-1668 | Кольцо 130-135-36-2-51-1668 | |
| 46 | 5001-26-78 | Штуцер ввертной | |
| 46 | 5001-26-78-20 | Штуцер ввертной | |
| 47 | 1101-15-24-05СП(SP) | Рукав для замера давления | |
| 48 | 1101-15-24-09СП(SP) | Рукав для замера давления | |
| 49 | 1101-15-24-04СП(SP) | Рукав для замера давления | |
| 50 | 1101-15-24-06СП(SP) | Рукав для замера давления | |
| 51 | 2001-16-50 | Планка | |
| 52 | 42 0507 | Табличка | |
| 53 | Болт М12x1,25-6gx25 | Болт М12x1,25-6gx25 | |
| 54 | 42 0508 | Табличка | |
| 55 | 1501-19-1СП(SP) | Передача бортовая фрикцион и тормоз | |
| 55 | 1501-19-1-20СП(SP) | Передача бортовая фрикцион и тормоз | |
| 56 | 58 0665 | Кольцо С70 | |
| 56 | 58 0515 | Кольцо С52 | |
| 57 | 055-065-58-2-51-1668 | Кольцо 055-065-58-2-51-1668 | |
| 58 | 2001-16-111-02СП(SP) | Торсион | |
| 59 | 2001-16-110-01СП(SP) | Торсион | |
| 60 | 32 5463 | Штифт | |
| 61 | 40 0468-32 | Кольцо | |
| 62 | 28 0562 | Болт М16х1,5-6gх75 | |
| 62 | 28 0562-20 | Болт М16х1,5-6gх75 | |
| 63 | 4001-15-12-03СП(SP) | Клапан | |
| 63 | 4001-15-12-03-20СП -20SP | Клапан | |
| 64 | 026-032-36-2-51-1668 | Кольцо ГОСТ 18829-73/ТУ 38.005.204-84 | |
| 65 | 050-055-30-2-51-1668 | Кольцо 050-055-30-2-51-1668 | |
| 66 | 075-081-36-2-ИРП-1314-1 | Кольцо 075-081-36-2-ИРП-1314-1 | |
| 67 | 135-145-58-2-51-1668 | Кольцо 135-145-58-2-51-1668 | |
| 68 | 312001-15-10СП(SP) | Фильтр | |
| 69 | 28 0733 | Болт M20-6gx70 | |
| 69 | 28 0733-20 | Болт M20-6gx70 | |
| 70 | Шайба 20.ОТ | Шайба 20.ОТ | |
| 71 | 32 5580 | Штифт | |
| 72 | 28 1391 | Болт 3М 12-6х110 ГОСТ 7796-70 | |
| 72 | 28 1391-20 | Болт M12-6gx110 |
Содержащиеся в справочниках-каталогах запасные части и детали не предлагаются к продаже, а носят исключительно информационный характер