Каталог запасных частей к технике: Промтрактор Т-15.02K. Пол
3501-24-2-01СП(SP)
3501-24-2-01-20СП(SP)
1
1
2
2
2
3
3
3
3
4
4
4
4
4
4
5
5
6
6
7
7
8
9
9
10
11
12
12
13
13
14
14
14
15
15
16
17
18
18
18
19
19
20
20
21
21
21
22
22
23
23
24
24
25
25
25
25
26
26
26
27
27
27
28
28
28
29
29
29
30
30
30
31
31
32
32
33
33
34
35
36
36
37
37
38
38
39
39
40
40
41
41
42
42
43
43
44
45
45
46
47
48
49
49
50
50
50
51
51
52
53
54
54
55
56
57
57
58
59
60
61
61
62
62
63
63
64
64
65
65
66
67
68
68
69
69
70
70
71
72
72
73
73
74
74
75
75
76
77
77
78
78
79
80
80
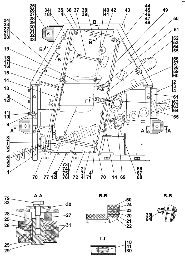
| Позиция на иллюстрации | Заводской номер детали | Название детали | |
|---|---|---|---|
| 3501-24-2-01СП(SP) | 3501-24-2-01СП(SP) | Пол | |
| 3501-24-2-01-20СП(SP) | 3501-24-2-01-20СП(SP) | Пол | |
| 1 | 3501-24-128 | Уплотнение | |
| 1 | 3501-24-128-20 | Уплотнение | |
| 2 | ГОСТ7796-70 | Болт | |
| 3 | ГОСТ6402-70 | Шайба | |
| 4 | ГОСТ11371-78 | Шайба | |
| 5 | 3501-24-41 | Коврик | |
| 5 | 3501-24-41-20 | Коврик | |
| 6 | 3501-24-41-01 | Коврик | |
| 6 | 3501-24-41-01-20 | Коврик | |
| 7 | 3501-24-137 | Коврик | |
| 7 | 3501-24-137-20 | Коврик | |
| 8 | 3501-24-138 | Коврик | |
| 9 | 3501-24-245 | Кронштейн | |
| 9 | 3501-24-245-20 | Кронштейн | |
| 10 | ГОСТ7798-70 | Болт | |
| 11 | ГОСТ6402-70 | Шайба | |
| 12 | ГОСТ17473-80 | Винт | |
| 13 | 3501-24-325 | Кожух | |
| 13 | 3501-24-325-20 | Кожух | |
| 14 | 3501-24-143 | Уплотнение | |
| 14 | 3501-24-143-20 | Уплотнение | |
| 15 | 3501-24-130 | Уплотнение | |
| 15 | 3501-24-130-20 | Уплотнение | |
| 16 | ГОСТ7796-70 | Болт | |
| 17 | ГОСТ6402-70 | Шайба | |
| 18 | ГОСТ11371-78 | Шайба | |
| 19 | 3501-24-138-01СП(SP) | Балка | |
| 19 | 3501-24-138-01-20СП-20SP | Балка | |
| 20 | 3501-24-35-04 | Коврик | |
| 21 | 3501-24-35-05 | Коврик | |
| 21 | 3501-24-35-05-20 | Коврик | |
| 22 | 3501-24-35-06 | Коврик | |
| 23 | 3501-24-35-07 | Коврик | |
| 24 | 3501-24-35-08 | Коврик | |
| 25 | 0602-24-48 | Прижим | |
| 25 | 0602-24-48-20 | Прижим | |
| 26 | 0602-24-49 | Втулка | |
| 26 | 0602-24-49-20 | Втулка | |
| 27 | 0602-24-87 | Проставка | |
| 27 | 0602-24-87-20 | Проставка | |
| 28 | 0602-24-88 | Кольцо | |
| 28 | 0602-24-88-20 | Кольцо | |
| 29 | 0602-24-90 | Палец | |
| 29 | 0602-24-90-20 | Палец | |
| 30 | 2501-24-150-01 | Пластина | |
| 30 | 2501-24-150-01-20 | Пластина | |
| 31 | 400449 | Амортизатор | |
| 32 | 280561 | Болт 3М16х1,5-6gх70 | |
| 32 | 280561-20 | Болт 3М16х1,5-6gх70 | |
| 33 | ГОСТ6402-70 | Шайба | |
| 34 | ГОСТ7796-70 | Болт | |
| 35 | ГОСТ7796-70 | Болт | |
| 36 | 3501-24-127 | Уплотнение | |
| 36 | 3501-24-127-20 | Уплотнение | |
| 37 | 4001-24-110СП(SP) | Опора | |
| 37 | 4001-24-110-20СП(SP) | Опора | |
| 38 | 3501-24-203 | Ручка | |
| 38 | 3501-24-203-20 | Ручка | |
| 39 | ГОСТ5915-70 | Гайка | |
| 40 | 404-13-269 | Ось | |
| 40 | 404-13-269-20 | Ось | |
| 41 | Шплинт3,2x14 | Шплинт 3,2x14 | |
| 42 | ТТ2501-13-155-01СП(SP) | Тяга | |
| 42 | ТТ2501-13-155-01-20СП(SP) | Тяга | |
| 43 | 3501-24-201-01СП(SP) | Каркас | |
| 43 | 3501-24-201-01-20СП(SP) | Каркас | |
| 44 | 3501-24-52-02 | Коврик | |
| 45 | 3501-24-52-03 | Коврик | |
| 45 | 3501-24-52-03-20 | Коврик | |
| 46 | 3501-24-59-02 | Коврик | |
| 47 | 3501-24-59-03 | Коврик | |
| 48 | 3501-24-59-06 | Коврик | |
| 49 | 3501-24-164-01СП(SP) | Крышка | |
| 49 | 3501-24-164-01-20СП(SP) | Крышка | |
| 50 | 3504-24-360 | Коврик | |
| 50 | 3504-24-360-20 | Коврик | |
| 51 | 3501-24-139 | Уплотнение | |
| 51 | 3501-24-139-20 | Уплотнение | |
| 52 | 3501-24-339 | Коврик | |
| 53 | 3501-24-339-01 | Коврик | |
| 54 | 3501-24-339-02 | Коврик | |
| 54 | 3501-24-339-02-20 | Коврик | |
| 55 | 3501-24-339-03 | Коврик | |
| 56 | 3501-24-36-02 | Коврик | |
| 57 | 3501-24-36-03 | Коврик | |
| 57 | 3501-24-36-03-20 | Коврик | |
| 58 | 3501-24-36-04 | Коврик | |
| 59 | 3501-24-36-05 | Коврик | |
| 60 | 3501-24-36-06 | Коврик | |
| 61 | 3501-24-126 | Уплотнение | |
| 61 | 3501-24-126-20 | Уплотнение | |
| 62 | 3501-24-165СП(SP) | Балка | |
| 62 | 3501-24-165-20СП(SP) | Балка | |
| 63 | 280150 | Болт М8-6gх55.40.58.019 ГОСТ 7795-70 | |
| 63 | 280150-20 | Болт М8-6gх55.40.58.029 ГОСТ 7795-70 | |
| 64 | ГОСТ6958-78 | Шайба | |
| 65 | 3501-24-140СП(SP) | Крышка | |
| 65 | 3501-24-140-20СП(SP) | Крышка | |
| 66 | ГОСТ17473-80 | Винт | |
| 67 | ГОСТ6402-70 | Шайба | |
| 68 | 310110 | Шайба 6.01.08кп.019 ГОСТ 11371-78 | |
| 68 | 310110-20 | Шайба 6.01.08кп.0221 ГОСТ 11371-78 | |
| 69 | 313512-24-135СП(SP) | Подставка | |
| 69 | 313512-24-135-20СП(SP) | Подставка | |
| 70 | 3501-24-135СП(SP) | Крышка | |
| 70 | 3501-24-135-20СП(SP) | Крышка | |
| 71 | ГОСТ7795-70 | Болт | |
| 72 | 3501-24-124 | Кожух | |
| 72 | 3501-24-124-20 | Кожух | |
| 73 | 3501-24-54 | Коврик | |
| 73 | 3501-24-54-20 | Коврик | |
| 74 | 3501-24-55 | Коврик | |
| 74 | 3501-24-55-20 | Коврик | |
| 75 | 3501-24-55-01 | Коврик | |
| 75 | 3501-24-55-01-20 | Коврик | |
| 76 | 3501-24-84 | Коврик | |
| 77 | 3501-24-138СП(SP) | Балка | |
| 77 | 3501-24-138-20СП(SP) | Балка | |
| 78 | 3501-24-129 | Уплотнение | |
| 78 | 3501-24-129-20 | Уплотнение | |
| 79 | ГОСТ7795-70 | Болт | |
| 80 | 470230 | Ось | |
| 80 | 470230-20 | Ось |
Содержащиеся в справочниках-каталогах запасные части и детали не предлагаются к продаже, а носят исключительно информационный характер