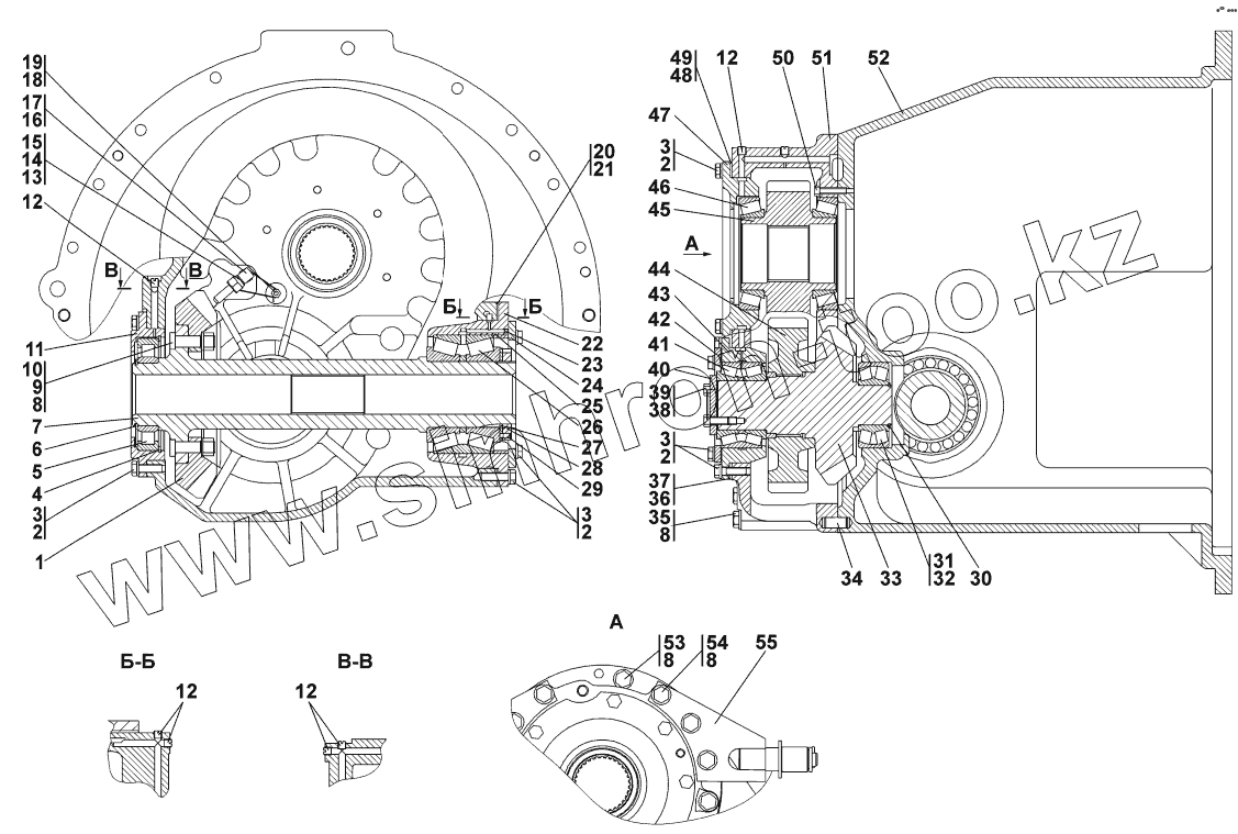
Каталог запасных частей к технике: Промтрактор Т-15.02K. Передача главная
2001-12-18СП(SP)
1
2
2
2
2
3
3
3
3
4
5
6
7
8
8
8
8
9
10
11
12
12
12
12
13
14
15
16
17
18
19
20
21
22
23
24
25
26
27
28
29
30
31
32
33
34
35
36
37
38
39
40
41
42
43
44
45
46
47
48
49
50
51
52
53
54
55
| Позиция на иллюстрации | Заводской номер детали | Название детали | |
|---|---|---|---|
| 2001-12-18СП(SP) | 2001-12-18СП(SP) | Передача главная | |
| 1 | 2001-12-56 | Шестерня | |
| 2 | 310225 | Шайба | |
| 3 | 280350 | Болт М12х1,25-6gх40 ГОСТ 7798-70 | |
| 4 | 700-58-2064 | Кольцо С170 ГОСТ 13941-86 | |
| 5 | 32219 | Подшипник 32219 | |
| 6 | 580720 | Кольцо С95 | |
| 7 | 2001-12-57 | Ступица | |
| 8 | 315271 | Шайба | |
| 9 | 305250 | Гайка М16х1,5 ГОСТ 5915-70 | |
| 10 | 2001-12-67 | Болт | |
| 11 | 2001-12-60 | Стакан | |
| 12 | 370260 | Пробка 3-КГ 1/4" 20.019 ТУ 23.1.506-91 | |
| 13 | 415165-05 | Гайка | |
| 14 | 2001-12-79 | Труба | |
| 15 | 2001-12-110СП(SP) | Труба | |
| 16 | ГОСТ5915-70 | Гайка | |
| 17 | 415148 | Угольник концевой | |
| 18 | ПроволокаКС-1,6 | Проволока | |
| 19 | 285120 | Болт (476715722810) | |
| 20 | 2001-12-70 | Прокладка | |
| 21 | 2001-12-70-01 | Прокладка | |
| 22 | 2001-12-61 | Стакан | |
| 23 | Б6-200 | Шарик Б6-200 | |
| 24 | 2001-12-65 | Пластина | |
| 25 | 2001-12-66 | Втулка | |
| 26 | 97520АУ1 | Подшипник 97520АУ1 | |
| 27 | 2501-12-116 | Пластина | |
| 28 | 2501-12-117 | Гайка | |
| 29 | 350520 | Винт ВМ-6gх16.33Н.019 ГОСТ 1478-84 | |
| 30 | 580609 | Кольцо С60 ГОСТ 13940-86 | |
| 31 | 53612Н | Подшипник 53612Н | |
| 32 | 22312W33 | Подшипник 22312W33 | |
| 33 | 2001-12-88 | Шестерня | |
| 34 | 325463 | Штифт | |
| 35 | 280580 | Болт М16х1,5х170 | |
| 36 | 2001-12-69-01 | Прокладка | |
| 37 | 2001-12-69 | Прокладка | |
| 38 | ПроволокаКС-1 | Проволока | |
| 39 | 280516-01 | Болт | |
| 40 | 2001-12-63 | Крышка | |
| 41 | 97515 | Подшипник 97515 | |
| 42 | 2001-12-89 | Пластина | |
| 43 | 2001-12-87 | Стакан | |
| 44 | 2001-12-119СП(SP) | Шестерня | |
| 45 | 2001-12-81 | Шестерня | |
| 46 | ТУ37.006162-89 | Подшипник | |
| 47 | 2001-12-58 | Стакан | |
| 48 | 2001-12-68-01 | Прокладка | |
| 49 | 2001-12-68 | Прокладка | |
| 50 | 280364 | Болт М16-6gх50.88.35.019 ГОСТ 7795-70 | |
| 51 | 2001-12-51 | Корпус | |
| 52 | 2001-12-95 | Корпус | |
| 53 | ГОСТ7795-70 | Болт | |
| 54 | 280587 | Болт М16х1,5х200 | |
| 55 | 2001-12-108СП(SP) | Кронштейн |
Содержащиеся в справочниках-каталогах запасные части и детали не предлагаются к продаже, а носят исключительно информационный характер