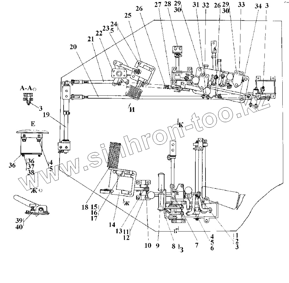
Каталог запасных частей к технике: Промтрактор Т-15.01Я. 2001-13-50-01СП Привод управления
2001-13-50-01-20СП
2001-13-50-01СП
1
1
2
2
3
3
3
4
4
5
5
5
6
6
7
7
8
8
9
9
10
10
11
11
12
13
13
14
14
15
15
16
17
18
19
19
20
20
21
21
22
22
23
23
24
24
25
26
26
27
27
28
28
29
29
30
30
31
32
32
33
33
34
34
35
35
36
37
38
38
39
39
40
40
| Позиция на иллюстрации | Заводской номер детали | Название детали | |
|---|---|---|---|
| 2001-13-50-01-20СП | 2001-13-50-01-20СП | Привод управления | |
| 2001-13-50-01СП | 2001-13-50-01СП | Привод управления | |
| 1 | 404-13-126 | Втулка | |
| 1 | 404-13-126-20 | Втулка | |
| 2 | 404-13-128-20 | Ось | |
| 2 | 404-13-128 | Ось | |
| 3 | Гайка М6-7Н | Гайка М6-7Н | |
| 4 | Болт М10-6х30 | Болт М10-6х30 | |
| 5 | Шайба 10.0Т | Шайба 10.0Т | |
| 6 | 310170 | Шайба 10.01.10.019 ГОСТ 11371-78 | |
| 6 | 310170-20 | Шайба 10.01.10.0221 ГОСТ 11371-78 | |
| 7 | 3501-13-143СП | Блок управления | |
| 7 | 3501-13-143-20СП | Блок управления | |
| 8 | 3501-13-164СП | Рукоятка | |
| 8 | 3501-13-164-20СП | Рукоятка | |
| 9 | 3501-13-163СП | Рукоятка | |
| 9 | 3501-13-163-20СП | Рукоятка | |
| 10 | 2501-13-287-20СП | Мостик | |
| 10 | 2501-13-287СП | Мостик | |
| 11 | 404-13-269-01-20 | Ось | |
| 11 | 404-13-269-01 | Ось | |
| 12 | Шплинт 3,2х14 | Шплинт 3,2х14 | |
| 13 | 46-13-174-20 | Ухо | |
| 13 | 46-13-174 | Ухо | |
| 14 | 3501-13-137-20СП | Корпус | |
| 14 | 3501-13-137СП | Корпус | |
| 15 | 3501-13-138-20СП | Педаль | |
| 15 | 3501-13-138СП | Педаль | |
| 16 | Болт М8-6gх30 | Болт М8-6gх30 | |
| 17 | 340350 | Шпонка 5х7,5 ГОСТ 24071-80 | |
| 18 | 400359-01 | Накладка педали | |
| 19 | 2001-13-47СП | Мостик | |
| 19 | 2001-13-47-20СП | Мостик | |
| 20 | 2001-13-53-СП | Тяга | |
| 20 | 2001-13-53-20СП | Тяга | |
| 21 | 3501-13-112-20СП | Тяга | |
| 21 | 3501-13-112СП | Тяга | |
| 22 | 3501-13-202-20СП | Мостик | |
| 22 | 3501-13-202СП | Мостик | |
| 23 | 3501-13-200-20СП | Тяга | |
| 23 | 3501-13-200СП | Тяга | |
| 24 | 280250-20 | Болт М10-6gх40 | |
| 24 | 280250 | Болт М10-6gх40 | |
| 25 | 3501-13-255СП | Педаль | |
| 26 | 700-38-2552 | Пружина | |
| 26 | 700-38-2552-01-20 | Пружина | |
| 27 | 2501-13-96-20 | Растяжка | |
| 27 | 2501-13-96 | Растяжка | |
| 28 | 2001-13-10-20СП | Мостик | |
| 28 | 2001-13-10СП | Мостик | |
| 29 | Болт М8-6gх25 | Болт М8-6gх25 | |
| 30 | Шайба 8Т | Шайба 8Т | |
| 31 | 3501-13-253СП | Сектор | |
| 32 | 3501-13-172СП | Блок управления | |
| 32 | 3501-13-172-20СП | Блок управления | |
| 33 | 3501-13-171-20СП | Блок управления | |
| 33 | 3501-13-171СП | Блок управления | |
| 34 | 3501-13-218СП | Тяга | |
| 34 | 3501-13-218-20СП | Тяга | |
| 35 | 3501-13-223-20СП | Крышка | |
| 35 | 3501-13-223СП | Крышка | |
| 36 | Болт М6-6gх16 | Болт М6-6gх16 | |
| 37 | Шайба 6Т | Шайба 6Т | |
| 38 | 310110 | Шайба 6.01.08кп.019 ГОСТ 11371-78 | |
| 38 | 310110-20 | Шайба 6.01.08кп.0221 ГОСТ 11371-78 | |
| 39 | 2501-13-196 | Упор | |
| 39 | 2501-13-196-20 | Упор | |
| 40 | 300220-20 | Гайка М12х1,25-6Н.04.029 ГОСТ 15522-70 | |
| 40 | 300220 | Гайка М12х1,25-6Н.04.019 ГОСТ 15522-70 |
Содержащиеся в справочниках-каталогах запасные части и детали не предлагаются к продаже, а носят исключительно информационный характер