Вернуться на главную
Поиск
Каталоги запчастей к технике
Спецтехника
Промтрактор
Т-11.02Я
0901-12-14СП Блок трансмиссии
Каталог запасных частей к технике: Промтрактор Т-11.02Я. 0901-12-14СП Блок трансмиссии
zoom-in
zoom-out
enlarge
shrink
circle-right
circle-left
file-text2
info
cart
Тип техники
Не выбрано
Легковые автомобили
Грузовые автомобили и прицепы
Автобусы
Сельхозтехника
Спецтехника
Двигатели
Мототехника
Марка
Не выбрано
Ammann
BOMAG
CARMIX
CASE IH
Changlin
ChengGong
Dimex
Doosan
DYNAPAC
Foton
HAMM
Hidromek
Hitachi
Hyundai
JCB
JLG
John Deere
Komatsu
LIEBHERR
LiuGong
Lonking (LongGong)
Luneng
MANITOU
Mitsuber
New Holland
PENGPU
RM-Terex
SANY
SDLG
SEM
Shantui
Shehwa HBXG
Soosan
TIGARBO
VOGELE
Volvo
WAY
WIRTGEN
XCMG
XGMA
Xiamen
YTO
Yuchai
Zoomlion
Автокран
АЗСМ
Алтайлесмаш
Амкодор
АОМЗ
Атек
АТЗ
Балканкар Рекорд
БелАЗ
Беловеж
Борекс
Брянский Арсенал
Булат
ВЭКС
ГАЗ
Геомаш
Гидромаш
Донекс
Дормаш
Дормашина
Дорэлектромаш
ДЭЗ
ЕлАЗ
ЗЗГТ
Ижнефтемаш
Канаш-электрокар
КЗКТ
ККЗ
Клевер
Клинцовский автокрановый завод
КМЗ
КМЗ 1 Мая
Ковровец
Коммаш
Кранэкс
КЭЗ
КЭМЗ
ЛЗА
МАЗ
МЗИК
МЗКМ
МЗКТ
Михневский РМЗ
МоАЗ
Мозырский МЗ
МТЗ
ОЗП
Онежец
ПАО "ТЗА"
ППС Детва
Промтрактор
ПТЗ
Раскат
СпецАгрегат
ТВЭКС
ТТМ
УВЗ
Угличмаш
УЗТМ
ХТЗ
ЧЗКМ
ЧСДМ
ЧТЗ
ЭКСКО
ЭКСМАШ
ЮрМаш
Модель
Не выбрано
ПК-12.02 (2007)
ПК-12.02К (2007)
ПК-60.01 (2007)
Т-11.01К (2008)
Т-11.01Я
Т-11.02К (2008)
Т-11.02Я (2008)
Т-15.01К (2007)
Т-15.01Я (2000)
Т-15.02K (2009)
Т-15.02Я (2009)
Т-20.01К
Т-20.01Я (2000)
Т-20.01Я (2005) (2005)
Т-20.02К (Четра) (2009)
Т-20.02Я (Четра) (2009)
Т-25.01К1 (2008)
Т-25.01Я (2006)
Т-330 (2006)
Т-35.01К (2007)
Т-35.01Я
Т-40.01К (2008)
Т-50.01 (1998)
Т-500 (1999)
Т-9.01Я (2007)
ТГ-121Я (2004)
ТГ-221КМ (2006)
ТГ-221Я (2004)
ТГ-301К (2006)
ТГ-301Я (2004)
ТГ-302Я (2010)
ТГ-503К (2006)
ТГ-503Я (2006)
ТГ-511 (2008)
Шасси ТП-20.02 (2008)
Схема
>
Не выбрано
0901-61-1-01СП Установка защиты кабины
0901-111-26CП/-27СП/-28СП Кабина
0901-111-26CП/-27СП/-28СП Кабина
0901-111-26CП/-27СП/-28СП Кабина
0901-111-26CП/-27СП/-28СП Кабина
0901-111-29CП/-30СП/-31СП Кабина
0901-111-29CП/-30СП/-31СП Кабина
0901-111-29CП/-30СП/-31СП Кабина
0901-111-29CП/-30СП/-31СП Кабина
2501-59-1СП/-1-01СП Кабина
2501-59-1СП/-1-01СП Кабина
2501-59-1СП/-1-01СП Кабина
1101-89-5МК Машинокомплект деталей и сборочных единиц
0901-23-1СП Установка сиденья
0901-24-1-05СП Пол
0901-24-1-05СП Пол
0901-47-2СП Установка зависимого отопителя кабины
0901-53-1СП Установка независимого отопителя кабины
312001-57-2СП Установка вентиляторов кабины
2502-48-2-02СП Установка кондиционера
1102-55-3-04СП Облицовка
1102-55-3-04СП Облицовка
1102-55-3-04СП Облицовка
1102-01-2-01СП Установка двигателя ЯМЗ-236НД-2
1102-43-3СП Установка системы подогрева
1102-43-3СП Установка системы подогрева
1102-05-2СП Установка систем воздухоочистки и выпуска
Установка системы воздухоочистки и выпуска
1102-60-4СП Система охлаждения
1102-60-4СП Система охлаждения
1102-60-4СП Система охлаждения
0902-25-1-01СП Установка бака
0902-25-1-01СП Установка бака
0902-25-10СП Бак
1152-11-1СП Рама
1101-11-37СП Балка
1112-21-1-02СП Система ходовая
1112-21-2-01СП/-3-01СП Тележка
1101-21-10СП Каток поддерживающий
1101-21-16СП Механизм сдавания
1101-21-38СП Шарнир
1101-21-40СП/-40-01СП Каток опорный
1101-21-41СП Колесо натяжное
1101-21-43-01СП Механизм натяжения
Т203-22-000-06/-07 Гусеница
1101-64-3-01СП Установка кожухов
1101-16-2-03СП Установка трансмиссии
1101-16-2-03СП Установка трансмиссии
0901-12-10СП Коробка передач
0901-12-11CП Коробка передач с системой гидроуправления
0901-12-12СП Передача главная
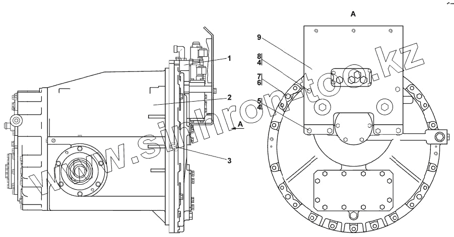
0901-12-14СП Блок трансмиссии
0901-15-2СП Блок управления
0901-15-3СП Клапан
0901-15-4СП/-01СП Клапан
1101-12-100СП Бустер
1101-12-101СП Водило
1101-12-103СП Водило
1101-12-105СП Водило
1101-14-2-01СП Гидротрансформатор
1101-14-2-01СП Гидротрансформатор
1101-15-9СП Крышка
1101-15-10СП Фильтр
1101-15-22СП Система диагностики
1101-16-112СП Клапан
1101-18-10СП Фрикцион бортовой и тормоз остановочный
1101-19-2СП Передача бортовая, фрикцион и тормоз
1101-19-11СП Передача бортовая
1102-20-1СП Муфта упругая
1101-15-27СП Клапан-модулятор
313512-15-1СП Блок управления
313512-15-2СП Клапан
313512-15-4СП Клапан
1101-49-1 Вал карданный
1106-10-1-17СП/-18СП Электрооборудование
1106-10-1-17СП/-18СП Электрооборудование
1106-10-11-08СП Установка электрооборудования на раме
1106-10-14-05СП Электрооборудование топливного бака
1106-10-14-05СП Электрооборудование топливного бака
1106-10-16-01СП Электрооборудование подогревателя ПЖД30Г
0902-10-13СП Электрооборудование передней облицовки
0902-10-15СП Установка звуковых сигналов
1102-10-13СП Электрооборудование крыши кабины
1102-10-13СП Электрооборудование крыши кабины
1102-10-18-21СП Электрооборудование пола кабины
1102-10-165CП Щиток выключателей
311102-10-17СП Электрооборудование трансмиссии
1102-10-12СП Электрооборудование двигателя
1102-10-12СП Электрооборудование двигателя
1152-10-16СП Контейнер АКБ
1526-10-103СП Плата
1152-10-106СП Щиток приборов
1152-10-108СП Установка таймера
1152-10-109СП Установка жгутов
4006-10-114СП Панель
404-10-270СП Установка фары
1101-26-2СП Установка гидросистемы
1101-26-2СП Установка гидросистемы
1101-26-2-01СП/-02СП Установка гидросистемы
1101-26-2-01СП/-02СП Установка гидросистемы
1101-26-12СП Установка гидроцилиндров
1101-26-12СП Установка гидроцилиндров
1101-26-60СП Клапан
1101-26-71СП/-01СП Пульт управления
1101-26-71СП/-01СП Пульт управления
1101-26-74СП Пульт управления
1101-26-708СП Гидроцилиндр диам. 100
0901-26-25СП Клапан
0901-26-509-01СП Устройство перепускное
3501-26-65СП Пилот управления
311102-26-39СП Клапан
1102-13-1СП Управление трактором
0901-13-50-04СП Привод управления
0901-13-50-04СП Привод управления
011101-93-3СП Оборудование бульдозерное полусфе-рическое
011101-93-3СП Оборудование бульдозерное полусфе-рическое
011101-93-22СП Отвал
011101-93-290СП Тяга поперечная
011101-93-550СП Гидросистема бульдозерного оборудования
011101-93-560СП Гидрозамок
011101-93-561-02СП Гидрораскос
011101-97-2-02СП Оборудование рыхлительное
011101-97-2-02СП Оборудование рыхлительное
011101-97-2-02СП Оборудование рыхлительное
011101-97-120СП Зуб
011101-97-508СП Гидросистема рыхлительного оборудования
011101-97-508СП Гидросистема рыхлительного оборудования
011101-97-543-03СП Гидроцилиндр
011101-98-1-02СП Оборудование рыхлительное
011101-98-1-02СП Оборудование рыхлительное
011501-93-180-01СП Раскос винтовой
0901-96-1СП Агрегат тяговый
0901-96-1СП Агрегат тяговый
0901-96-10СП Лебедка
0901-96-10СП Лебедка
0901-96-11СП Установка роликов
0901-96-100СП Тормоз
0901-96-106 Редуктор планетарный
1101-51-1СП Установка прицепного устройства
1101-51-1СП Установка прицепного устройства
0901-12-14СП(SP)
0901-12-14-20СП(SP)
1
1
2
3
4
4
5
6
6
7
8
8
9
9
Позиция на иллюстрации
Заводской номер детали
Название детали
0901-12-14СП(SP)
0901-12-14СП(SP)
Блок трансмиссии
0901-12-14-20СП(SP)
0901-12-14-20СП(SP)
Блок трансмиссии
1
0901-12-11СП(SP)
Коробка передач с системой гидроуправления
1
0901-12-11-20СП(SP)
Коробка передач с системой гидроуправления
2
0901-12-12СП(SP)
Передача главная
3
32 5382
Штифт
4
Болт М12-6gx30
Болт М12-6gx30
5
31 0225
Шайба
6
28 0507-01
Болт M14x1,5-6gx45
6
28 0507-01-20
Болт M14x1,5-6gx45
7
Шайба 14 ОТ
Шайба 14 ОТ
8
28 0393
Болт 3М12-6gх130 ГОСТ 7796-70
8
28 0393-20
Болт 3М12-6gх130 ГОСТ 7796-70
9
0901-12-108СП(SP)
Защита
9
0901-12-108-20СП(SP)
Защита
Содержащиеся в справочниках-каталогах запасные части и детали не предлагаются к продаже, а носят исключительно информационный характер
Дополнительная информация
×
Название:
Номер:
Примечание: