Каталог запасных частей к технике: Промтрактор Т-11.02К. 0901-12-12СП Передача главная
0901-12-12-20СП(SP)
0901-12-12СП(SP)
1
2
3
4
4
4
4
5
5
5
5
5
6
7
8
9
10
11
12
13
14
15
15
15
15
15
16
17
18
19
20
21
22
23
24
25
26
27
27
28
29
30
31
32
33
34
35
36
37
38
39
40
41
42
43
44
45
46
47
48
48
48
49
50
51
52
53
54
55
56
57
58
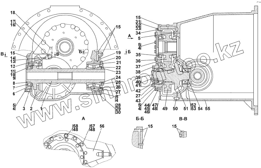
| Позиция на иллюстрации | Заводской номер детали | Название детали | |
|---|---|---|---|
| 0901-12-12-20СП(SP) | 0901-12-12-20СП(SP) | Передача главная | |
| 0901-12-12СП(SP) | 0901-12-12СП(SP) | Передача главная | |
| 1 | 1101-12-47 | Ступица | |
| 2 | 1101-12-46 | Шестерня | |
| 3 | 58 0836 | Кольцо С140 | |
| 4 | 289210 | Болт М10-6gx35 | |
| 5 | 31 5186 | Шайба | |
| 6 | 1101-12-50 | Стакан | |
| 7 | 32216К1 | Подшипник 32216К1 | |
| 8 | 700-58-2122 | Кольцо С80 ГОСТ 13940-86 | |
| 9 | 1101-12-56-01 | Болт призонный | |
| 10 | 30 0252 | Гайка М14х1,5-6Н ГОСТ 5915-70 | |
| 11 | 31 5220 | Шайба | |
| 12 | 1101-12-68 | Втулка | |
| 13 | 41 5165-05 | Гайка | |
| 14 | Проволока КС1 | Проволока КС1 | |
| 15 | 370260 | Пробка 3-КГ 1/4" 20.019 ТУ 23.1.506-91 | |
| 16 | 41 5148-01 | Угольник концевой | |
| 17 | Гайка М12 | Гайка М12 | |
| 18 | 28 5221 | Болт | |
| 19 | 1101-12-51 | Стакан | |
| 20 | Б6-200 | Шарик Б6-200 | |
| 21 | 1101-12-55 | Пластина | |
| 22 | 97518 А1 | Подшипник 97518 А1 | |
| 23 | 30 5590 | Гайка | |
| 24 | 2601-12-40 | Шайба | |
| 25 | 35 0520 | Винт В.М8-6gх16.33Н.019 ГОСТ 1478-75 | |
| 26 | 1101-12-52 | Втулка | |
| 27 | 28 0230 | Болт М10-6gх25 ГОСТ 7796-70 | |
| 28 | 1101-12-58 | Прокладка | |
| 29 | 1101-12-58-01 | Прокладка | |
| 30 | 1101-12-58-02 | Прокладка | |
| 31 | 1101-12-59 | Прокладка | |
| 32 | 1101-12-59-01 | Прокладка | |
| 33 | 1101-12-59-02 | Прокладка | |
| 34 | 1101-12-41 | Корпус | |
| 35 | 2007120А | Подшипник 2007120А | |
| 36 | 1101-12-112СП(SP) | Шестерня | |
| 37 | 1101-12-48 | Стакан | |
| 38 | 1101-12-54 | Пластина | |
| 39 | 1101-12-53 | Крышка | |
| 40 | 280500 | Болт 3М14х1,5-6gх35 | |
| 41 | Проволока КС1,6 | Проволока КС1,6 | |
| 42 | 97512А1 | Подшипник 97512А1 | |
| 43 | 1101-12-49 | Стакан | |
| 44 | 1101-12-57 | Прокладка | |
| 45 | 1101-12-57-01 | Прокладка | |
| 46 | 1101-12-57-02 | Прокладка | |
| 47 | 28 5386 | Болт | |
| 48 | 310225 | Шайба | |
| 49 | 1101-12-106СП(SP) | Шестерня | |
| 50 | 32 5382 | Штифт | |
| 51 | 1101-12-45 | Шестерня | |
| 52 | 53610 | Подшипник 53610 | |
| 53 | 22310W33 | Подшипник 22310W33 | |
| 54 | 58 0510 | Кольцо С50 | |
| 55 | 0901-12-20 | Корпус | |
| 56 | 1101-12-108СП(SP) | Кронштейн | |
| 57 | 280395 | Болт М12х160 ГОСТ 7796-70 | |
| 58 | 28 0376 | Болт М12-6gх55 |
Содержащиеся в справочниках-каталогах запасные части и детали не предлагаются к продаже, а носят исключительно информационный характер