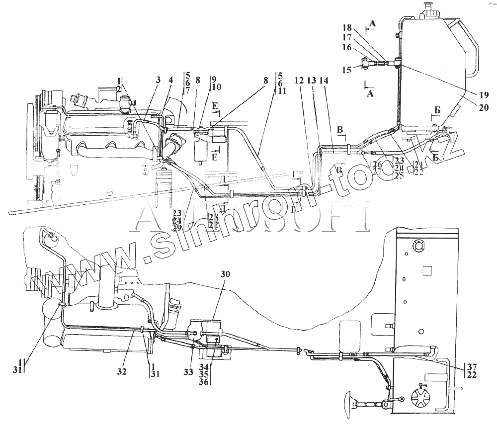
Каталог запасных частей к технике: Промтрактор Т-11.01Я. Установка бака топливного
1
1
1
2
3
3
4
4
5
5
6
6
7
7
8
8
9
10
11
11
12
12
13
13
14
14
15
15
16
17
17
18
18
19
19
20
20
21
21
22
22
22
23
23
24
24
25
25
26
26
27
28
28
29
29
30
30
31
31
32
32
33
34
35
36
36
| Позиция на иллюстрации | Заводской номер детали | Название детали | |
|---|---|---|---|
| 1102-25-1-20СП | 1102-25-1-20СП | Установка бака топливного | |
| 1102-25-1СП | 1102-25-1СП | Установка бака топливного | |
| 1 | 700-40-6684-15 | Прокладка | |
| 2 | 700-41-3312 | Хомутик | |
| 3 | 1102-25-18СП | Трубопровод | |
| 3 | 1102-25-18-20СП | Трубопровод | |
| 4 | 2002-25-11СП | Трубопровод | |
| 4 | 2002-25-11-20СП | Трубопровод | |
| 5 | 415190-02СП | Хомут | |
| 6 | Хомут стяжной червячный 1028-У-02 ТУ4.435.002 | Хомут стяжной червячный 1028-У-02 ТУ4.435.002 | |
| 7 | 460601-21 | Рукав | |
| 7 | 460601-21-20 | Рукав | |
| 8 | 1502-25-10 | Наконечник | |
| 9 | Болт М8-6gх25 | Болт М8-6gх25 | |
| 10 | Шайба 8 Т | Шайба 8 Т | |
| 11 | 460601-24 | Рукав | |
| 11 | 460601-24-20 | Рукав | |
| 12 | 1102-25-15СП | Трубопровод | |
| 12 | 1102-25-15-20СП | Трубопровод | |
| 13 | 1102-25-14СП | Трубопровод | |
| 13 | 1102-25-14-20СП | Трубопровод | |
| 14 | 1102-25-13СП | Трубопровод | |
| 14 | 1102-25-13-20СП | Трубопровод | |
| 15 | 2501-25-33СП | Втулка | |
| 15 | 2501-25-33-20СП | Втулка | |
| 16 | Гайка М16х1,5 | Гайка М16х1,5 | |
| 17 | 2001-25-27 | Стержень | |
| 17 | 2001-25-27-20 | Стержень | |
| 18 | 300265-20 | Гайка М16х1,5LН-6Н.8.029 ГОСТ 5915-70 | |
| 18 | 300265 | Гайка М16х1,5LН.6Н.8.019 ГОСТ 5915-70 | |
| 19 | 2501-25-33-01СП | Втулка | |
| 19 | 2501-25-33-01-20СП | Втулка | |
| 20 | 1101-25-10-01СП | Бак | |
| 20 | 1101-25-10-01-20СП | Бак | |
| 21 | 404-26-213СП | Рукав диаметр 12 | |
| 21 | 404-26-213-20СП | Рукав диаметр 12 | |
| 22 | Кольцо 012-016-25-2-51-1668 | Кольцо 012-016-25-2-51-1668 | |
| 23 | 415190СП | Хомут | |
| 24 | Хомут стяжной червячный 11018-У-02 ТУ4.435.002 | Хомут стяжной червячный 11018-У-02 ТУ4.435.002 | |
| 25 | 460401-07 | Рукав | |
| 25 | 460401-07-20 | Рукав | |
| 26 | 700-37-2077 | Пробка | |
| 26 | 700-37-2077-20 | Пробка | |
| 27 | Кольцо 12х16 МН4152-62 | Кольцо 12х16 МН4152-62 | |
| 28 | 404-26-213-30СП | Рукав диаметром 12 | |
| 28 | 404-26-213-30-20СП | Рукав диаметром 12 | |
| 29 | 460401-11 | Рукав | |
| 29 | 460401-11-20 | Рукав | |
| 30 | 1102-25-17СП | Кронштейн | |
| 30 | 1102-25-17-20СП | Кронштейн | |
| 31 | 700-41-2866 | Хомут | |
| 32 | 1102-25-19СП | Трубопровод | |
| 32 | 1102-25-19-20СП | Трубопровод | |
| 33 | Фильтр грубой очистки топлива | Фильтр грубой очистки топлива | |
| 34 | Болт М12х1,25-6gх25 | Болт М12х1,25-6gх25 | |
| 35 | Шайба 12 ОТ | Шайба 12 ОТ | |
| 36 | 310210 | Шайба 12х2.01.10.019 ГОСТ 11371-78 | |
| 36 | 310210-20 | Шайба 12х2.01.10.0221 ГОСТ 11371-78 |
Содержащиеся в справочниках-каталогах запасные части и детали не предлагаются к продаже, а носят исключительно информационный характер