Вернуться на главную
Поиск
Каталоги запчастей к технике
Спецтехника
Промтрактор
Т-11.01К
1106-43-5СП Установка системы подогрева
Каталог запасных частей к технике: Промтрактор Т-11.01К. 1106-43-5СП Установка системы подогрева
zoom-in
zoom-out
enlarge
shrink
circle-right
circle-left
file-text2
info
cart
Тип техники
Не выбрано
Легковые автомобили
Грузовые автомобили и прицепы
Автобусы
Сельхозтехника
Спецтехника
Двигатели
Мототехника
Марка
Не выбрано
Ammann
BOMAG
CARMIX
CASE IH
Changlin
ChengGong
Dimex
Doosan
DYNAPAC
Foton
HAMM
Hidromek
Hitachi
Hyundai
JCB
JLG
John Deere
Komatsu
LIEBHERR
LiuGong
Lonking (LongGong)
Luneng
MANITOU
Mitsuber
New Holland
PENGPU
RM-Terex
SANY
SDLG
SEM
Shantui
Shehwa HBXG
Soosan
TIGARBO
VOGELE
Volvo
WAY
WIRTGEN
XCMG
XGMA
Xiamen
YTO
Yuchai
Zoomlion
Автокран
АЗСМ
Алтайлесмаш
Амкодор
АОМЗ
Атек
АТЗ
Балканкар Рекорд
БелАЗ
Беловеж
Борекс
Брянский Арсенал
Булат
ВЭКС
ГАЗ
Геомаш
Гидромаш
Донекс
Дормаш
Дормашина
Дорэлектромаш
ДЭЗ
ЕлАЗ
ЗЗГТ
Ижнефтемаш
Канаш-электрокар
КЗКТ
ККЗ
Клевер
Клинцовский автокрановый завод
КМЗ
КМЗ 1 Мая
Ковровец
Коммаш
Кранэкс
КЭЗ
КЭМЗ
ЛЗА
МАЗ
МЗИК
МЗКМ
МЗКТ
Михневский РМЗ
МоАЗ
Мозырский МЗ
МТЗ
ОЗП
Онежец
ПАО "ТЗА"
ППС Детва
Промтрактор
ПТЗ
Раскат
СпецАгрегат
ТВЭКС
ТТМ
УВЗ
Угличмаш
УЗТМ
ХТЗ
ЧЗКМ
ЧСДМ
ЧТЗ
ЭКСКО
ЭКСМАШ
ЮрМаш
Модель
Не выбрано
ПК-12.02 (2007)
ПК-12.02К (2007)
ПК-60.01 (2007)
Т-11.01К (2008)
Т-11.01Я
Т-11.02К (2008)
Т-11.02Я (2008)
Т-15.01К (2007)
Т-15.01Я (2000)
Т-15.02K (2009)
Т-15.02Я (2009)
Т-20.01К
Т-20.01Я (2000)
Т-20.01Я (2005) (2005)
Т-20.02К (Четра) (2009)
Т-20.02Я (Четра) (2009)
Т-25.01К1 (2008)
Т-25.01Я (2006)
Т-330 (2006)
Т-35.01К (2007)
Т-35.01Я
Т-40.01К (2008)
Т-50.01 (1998)
Т-500 (1999)
Т-9.01Я (2007)
ТГ-121Я (2004)
ТГ-221КМ (2006)
ТГ-221Я (2004)
ТГ-301К (2006)
ТГ-301Я (2004)
ТГ-302Я (2010)
ТГ-503К (2006)
ТГ-503Я (2006)
ТГ-511 (2008)
Шасси ТП-20.02 (2008)
Схема
>
Не выбрано
0901-61-1-01СП Установка защиты кабины
0901-111-05СП/-06СП Кабина, 0901-111-07СП/-08СП Кабина
0901-111-05СП/-06СП Кабина, 0901-111-07СП/-08СП Кабина
0901-111-05СП/-06СП Кабина, 0901-111-07СП/-08СП Кабина
0901-111-05СП/-06СП Кабина, 0901-111-07СП/-08СП Кабина
2501-59-1СП/-1-01СП Кабина
2501-59-1СП/-1-01СП Кабина
2501-59-1СП/-1-01СП Кабина
1101-89-5МК/6МК Машинокомплект деталей и сборочных единиц интерьера кабины «Четра»
0901-23-1СП Установка сиденья
0901-24-1СП Пол
0901-24-1СП Пол
0901-47-2СП Установка зависимого отопителя кабины
0901-53-1СП Установка независимого отопителя кабины
312001-57-2СП Установка вентиляторов кабины
1102-55-3-01СП Облицовка
1102-55-3-01СП Облицовка
1102-55-3-01СП Облицовка
1106-01-3СП Установка двигателя QSB5.9-C197 «Cummins»
1106-01-3СП Установка двигателя QSB5.9-C197 «Cummins»
1106-05-4СП Установка систем воздухоочистки и выпуска
1106-43-5СП Установка системы подогрева
1106-43-5СП Установка системы подогрева
0902-25-10-01СП Бак
1106-25-3СП Установка бака
1106-60-3СП Система охлаждения
1106-60-3СП Система охлаждения
1106-60-3СП Система охлаждения
1106-60-161СП Установка радиаторная
1101-11-3СП Рама
1101-11-37СП Балка
1101-11-3-02СП Рама
1112-11-9СП Балка
1101-21-1СП Система ходовая
1112-21-1СП Система ходовая
1101-21-10СП Каток поддерживающий
1101-21-16 СП Механизм сдавания
1101-21-38СП Шарнир
1101-21-40СП/-40-01СП Каток опорный
1101-21-41СП Колесо натяжное
1101-21-43СП/-43-01СП Механизм натяжения
1101-21-72СП/-73СП Тележка
Т203-22-000 Гусеница
1101-64-3-02СП Установка кожухов
1112-21-2СП/-3СП Тележка
1112-21-38СП Шарнир
Т203-22-000-01 Гусеница
1101-16-2-05СП Установка трансмиссии
1101-16-2-05СП Установка трансмиссии
1101-16-2-07СП Установка трансмиссии
1101-16-2-07СП Установка трансмиссии
0901-12-10СП Коробка передач
0901-12-11CП Коробка передач с системой гидроуправления
0901-12-12СП Передача главная
0901-12-14СП Блок трансмиссии
0901-15-2СП Блок управления
0901-15-3СП Клапан
0901-15-4СП/-01СП Клапан
1101-12-100СП Бустер
1101-12-101СП Водило
1101-12-103СП Водило
1101-12-105СП Водило
1101-14-2-01СП Гидротрансформатор с редуктором привода насосов
1101-14-2-01СП Гидротрансформатор с редуктором привода насосов
1101-15-9СП Крышка
1101-15-10СП Фильтр
1101-15-22СП Система диагностики
1101-16-112СП Клапан
1101-18-10СП Фрикцион бортовой и тормоз остановочный
1101-19-2СП Передача бортовая, фрикцион и тормоз
1101-19-11СП Передача бортовая
1112-19-1СП Передача бортовая, фрикцион и тормоз
1112-19-10СП Передача бортовая
1102-20-1СП Муфта упругая
1101-15-27СП Клапан-модулятор
1501-15-41СП Блок управления
1101-49-1-01 Вал карданный
1101-26-2СП Установка гидросистемы
1101-26-2СП Установка гидросистемы
1101-26-2-01СП/-02СП Установка гидросистемы
1101-26-2-01СП/-02СП Установка гидросистемы
1101-26-12СП Установка гидроцилиндров
1101-26-12СП Установка гидроцилиндров
1101-26-12-01СП Установка гидроцилиндров
1101-26-12-01СП Установка гидроцилиндров
1101-26-60СП Клапан
1101-26-71СП/-01СП Пульт управления
1101-26-71СП/-01СП Пульт управления
1101-26-74СП Пульт управления
1101-26-708СП Гидроцилиндр диам. 100
0901-26-25СП Клапан
0901-26-509-01СП Устройство перепускное
3501-26-65СП Пилот управления
311102-26-39СП Клапан
0901-13-1-03СП Управление трактором
0901-13-1-03СП Управление трактором
1106-10-1-06СП/-07СП Электрооборудование
1106-10-1-06СП/-07СП Электрооборудование
1106-10-11-03СП Установка электрооборудования на раме
1106-10-16-03СП Электрооборудование подогревателя ПЖД30Г
1146-10-13-01СП Электрооборудование двигателя
1106-10-140-01СП Блок выключателей
0902-10-12СП Установка электрооборудования в контейнере АКБ
0902-10-13СП Электрооборудование передней облицовки
0902-10-14СП/14-01СП Электрооборудование топливного бака
0902-10-14СП/14-01СП Электрооборудование топливного бака
0902-10-15СП Установка звуковых сигналов в контейнере аккумуляторных батарей (АКБ)
1102-10-13СП/-03СП Электрооборудование крыши кабины
1102-10-13СП/-03СП Электрооборудование крыши кабины
1102-10-17-01СП Электрооборудование отопителя
1102-10-18-15СП Электрооборудование пола кабины
1102-10-155-04CП Установка электрооборудования пола кабины
1102-10-1-156-02СП Установка блока выключателей
404-10-270СП Установка фары
1102-10-165CП/-02СП Щиток выключателей
1102-10-163-07СП Щиток приборов
011101-93-3СП Оборудование бульдозерное полусферическое
011101-93-3СП Оборудование бульдозерное полусферическое
011101-93-22СП Отвал
011101-93-290СП Тяга поперечная
011101-93-550СП Гидросистема бульдозерного оборудования
011101-93-560СП Гидрозамок
011101-93-561-02СП Гидрораскос
211112-91 -1 СП Оборудование бульдозерное прямое
211112-91 -1 СП Оборудование бульдозерное прямое
211112-91-20СП Отвал
011501-93-180СП Раскос винтовой
011101-93-550-01СП Гидросистема бульдозерного оборудования
011101-93-561-01СП Гидрораскос
011101-97-2-02СП Оборудование рыхлительное
011101-97-2-02СП Оборудование рыхлительное
011101-97-2-02СП Оборудование рыхлительное
011101-97-120СП Зуб
011101-97-508СП Гидросистема рыхлительного оборудования
011101-97-508СП Гидросистема рыхлительного оборудования
011101-97-543-03СП Гидроцилиндр
011101-98-1-02СП Оборудование рыхлительное
011101-98-1-02СП Оборудование рыхлительное
011501-93-180-01СП Раскос винтовой
0901-96-1СП Агрегат тяговый
0901-96-1СП Агрегат тяговый
0901-96-10СП Лебедка
0901-96-10СП Лебедка
0901-96-11СП Установка роликов
0901-96-100СП Тормоз
0901-96-106СП Редуктор планетарный
1101-51-1СП Установка прицепного устройства
1101-51-1СП Установка прицепного устройства
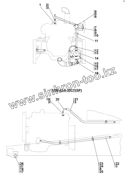
1106-43-5-20СП(SP)
1
2
3
3
3
3
4
5
6
7
8
8
9
10
11
12
13
14
15
16
16
17
17
18
19
20
21
22
23
24
25
26
27
Позиция на иллюстрации
Заводской номер детали
Название детали
1106-43-5-20СП(SP)
1106-43-5-20СП(SP)
Установка системы подогрева
1
2503-43-163
Переходник
2
46 0721
Рукав
3
DIN3017AS12-20/ 12C7-W2
Шланговый хомут DIN3017AS12-20/ 12C7-W2
4
2002-43-133
Прижим
5
28 0320
Болт М12х1,25-6gх20 ГОСТ 7795-70
6
Шайба 10 ОТ
Шайба 10 ОТ
7
1106-43-85СП(SP)
Кронштейн
8
Болт М8-6gx16
Болт М8-6gx16
9
Шайба 12 ОТ
Шайба 12 ОТ
10
Гайка М8
Гайка М8
11
1106-43-87СП(SP)
Кронштейн
12
46 0401-03
Рукав
13
DIN3017 AS12-22/ 9C7-W2
Шланговый хомут DIN3017 AS12-22/ 9C7-W2
14
ПЖД 30Л-1015200
Агрегат насосный ПЖД 30Л-1015200
15
0902-43-8-01
Кронштейн
16
Болт М10-6gx20
Болт М10-6gx20
17
Шайба 10
Шайба 10
18
ПЖД 30Л-1015010
Котел подогревателя ПЖД 30Л-1015010
19
46 0601-01-20
Рукав
20
4002-43-15-20СП(SP)
Трубопровод
21
46 0601-36-20
Рукав
22
46 0601-45
Рукав
23
700-40-6684-03
Прокладка
24
41 5320
Хомутик
25
Шайба 8Т
Шайба 8Т
26
0902-43-26
Фланец
27
403-60-209
Прокладка
Содержащиеся в справочниках-каталогах запасные части и детали не предлагаются к продаже, а носят исключительно информационный характер
Дополнительная информация
×
Название:
Номер:
Примечание: