Каталог запасных частей к технике: Промтрактор Шасси ТП-20.02. Механизм натяжения
1101-21-42-02-20СП(SP)
1101-21-42-03СП(SP)
1101-21-42-03-20СП(SP)
1101-21-42-02СП(SP)
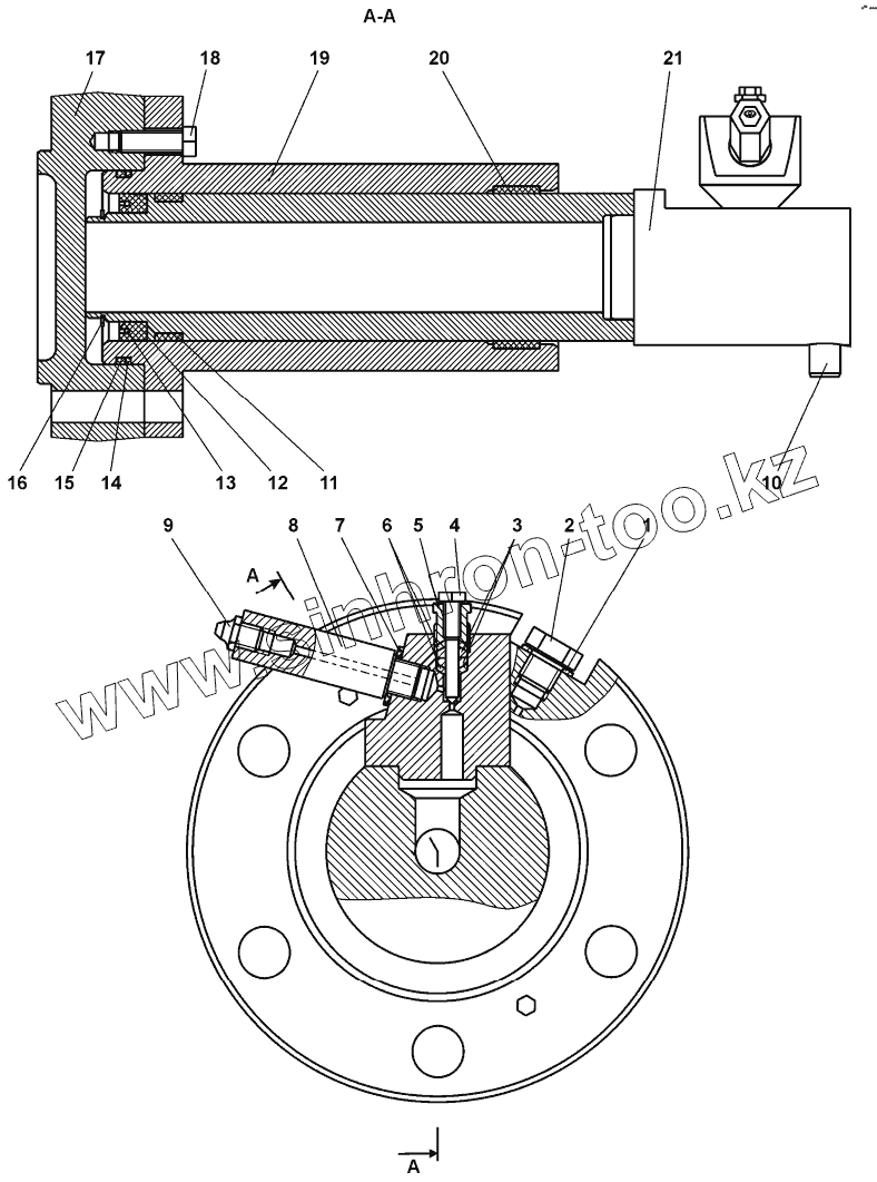
1
2
2
3
4
4
5
5
6
7
8
9
9
10
11
12
13
14
15
16
17
18
19
20
21
21
| Позиция на иллюстрации | Заводской номер детали | Название детали | |
|---|---|---|---|
| 1101-21-42-02-20СП(SP) | 1101-21-42-02-20СП(SP) | Механизм натяжения | |
| 1101-21-42-03СП(SP) | 1101-21-42-03СП(SP) | Механизм натяжения | |
| 1101-21-42-03-20СП(SP) | 1101-21-42-03-20СП(SP) | Механизм натяжения | |
| 1101-21-42-02СП(SP) | 1101-21-42-02СП(SP) | Механизм натяжения | |
| 1 | МН4152-62 | Кольцо 14x20 | |
| 2 | 375515-20 | Пробка | |
| 2 | 375515 | Пробка | |
| 3 | 500192 | Кольцо СТ 13-5-7,5 ГОСТ 288-72 | |
| 4 | 46-21-756-20 | Игла | |
| 4 | 46-21-756 | Игла | |
| 5 | 46-21-717 | Пробка | |
| 5 | 46-21-717-20 | Пробка | |
| 6 | 46-21-718 | Обойма | |
| 7 | 700-40-260-11 | Прокладка | |
| 8 | 1101-21-136 | Наконечник | |
| 9 | Масленка1.2Кд6хр | Масленка 1.2Кд6хр | |
| 9 | Масленка1.2Ц6хр | Масленка 1.2Ц6хр | |
| 10 | 700-32-2177 | Штифт | |
| 11 | 3501-21-95 | Кольцо штоковое | |
| 12 | 46-21-978 | Манжета | |
| 13 | Кольцо080-090-58-2-51-1668 | Кольцо | |
| 14 | 700-40-4360 | Шайба | |
| 15 | Кольцо115-125-58-2-51-1668 | Кольцо115-125-58-2-51-1668 | |
| 16 | 580670 | Кольцо С70 ГОСТ 13940-86 | |
| 17 | 2001-21-126 | Крышка | |
| 18 | БолтМ8-6gх35 | Болт М8-6gх35 | |
| 19 | 1101-21-65СП(SP) | Цилиндр | |
| 20 | 1101-26-614 | Втулка опорная | |
| 21 | 1101-21-45-03СП(SP) | Шток | |
| 21 | 1101-21-45-02СП(SP) | Шток |
Содержащиеся в справочниках-каталогах запасные части и детали не предлагаются к продаже, а носят исключительно информационный характер