Каталог запасных частей к технике: Промтрактор Шасси ТП-20.02. Электрооборудование
311502-10-11-04-20СП
311502-10-11-05СП
311502-10-11-05-20СП
311502-10-11-04СП
1
2
3
3
3
4
4
4
4
5
5
5
5
5
6
6
6
6
6
6
7
8
9
10
11
12
12
12
13
13
13
14
14
14
15
16
16
17
17
18
19
20
20
21
22
22
23
24
24
25
25
26
27
27
28
28
28
29
29
29
30
30
31
31
32
33
34
35
35
36
36
37
38
38
39
39
40
41
42
43
44
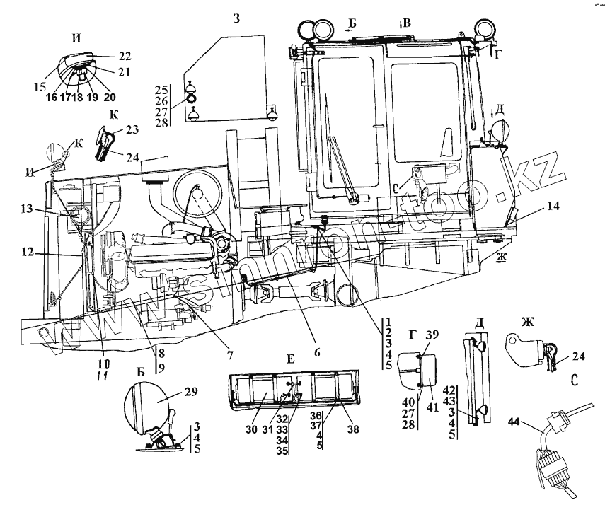
| Позиция на иллюстрации | Заводской номер детали | Название детали | |
|---|---|---|---|
| 311502-10-11-04-20СП | 311502-10-11-04-20СП | Электрооборудование | |
| 311502-10-11-05СП | 311502-10-11-05СП | Электрооборудование | |
| 311502-10-11-05-20СП | 311502-10-11-05-20СП | Электрооборудование | |
| 311502-10-11-04СП | 311502-10-11-04СП | Электрооборудование | |
| 1 | 58-41-2006-05 | Хомутик | |
| 2 | 700-40-6684-09 | Прокладка | |
| 3 | БолтМ8-6gх16 | Болт М8-6gх16 | |
| 4 | Шайба8Т | Шайба 8Т | |
| 5 | 310150 | Шайба 8.01.08кп.019 ГОСТ 11371-78 | |
| 5 | 310150-20 | Шайба 8.01.08кп.0221 ГОСТ 11371-78 | |
| 6 | 311502-10-13-05-20СП | Установка электрооборудования на раме | |
| 6 | 311502-10-13-05-10СП | Установка электрооборудования на раме | |
| 6 | 311502-10-13-05СП | Установка электрооборудования на раме | |
| 6 | 311502-10-13-04-20СП | Установка электрооборудования на раме | |
| 6 | 311502-10-13-04-10СП | Установка электрооборудования на раме | |
| 6 | 311502-10-13-04СП | Установка электрооборудования на раме | |
| 7 | 311502-10-17-01СП | Электрооборудование подогревателя ПЖД30Г | |
| 8 | 415119 | Хомутик | |
| 9 | 700-40-6684-06 | Прокладка | |
| 10 | 700-40-6684-05 | Прокладка | |
| 11 | 700-41-2866 | Хомут | |
| 12 | 311502-10-18СП(SP) | Электрооборудование передней облицовки | |
| 12 | 311502-10-18-10СП | Электрооборудование передней облицовки | |
| 12 | 311502-10-18-20СП | Электрооборудование передней облицовки | |
| 13 | 4573324087 | Фара 3131.3711010 | |
| 13 | 4573324085 | Фара 3136.3711010 | |
| 13 | 4573324086 | Фара 3137.3711010 | |
| 14 | 312001-10-16-20СП | Электрооборудование топливного бака | |
| 14 | 312001-10-16-10СП | Электрооборудование топливного бака | |
| 14 | 312001-10-16СП(SP) | Электрооборудование топливного бака | |
| 15 | 700-40-6018 | Опора | |
| 16 | 46-10-85 | Опора | |
| 16 | 46-10-85-20 | Опора | |
| 17 | 2502-10-151-29СП(SP) | Провод | |
| 17 | 2502-10-151-29-20СП | Провод | |
| 18 | Шайба12ОТ | Шайба12ОТ | |
| 19 | ГайкаМ12х1,25 | Гайка М12х1,25 | |
| 20 | 310210-20 | Шайба 12х2.01.10.0221 ГОСТ 11371-78 | |
| 20 | 310210 | Шайба 12х2.01.10.019 ГОСТ 11371-78 | |
| 21 | ОСТ38.05156-78 | Кольцо | |
| 22 | 46-10-86-20 | Опора | |
| 22 | 46-10-86 | Опора | |
| 23 | 4573739003 | Колодка гнездовая 602602 | |
| 24 | 700-40-5607 | Наконечник | |
| 25 | 312501-10-114-20СП | Маяк проблесковый | |
| 25 | 312501-10-114СП | Маяк проблесковый | |
| 26 | ВинтВ.М6-6gх25 | Винт В.М6-6gх25 | |
| 27 | Шайба6Т | Шайба 6Т | |
| 28 | 310110 | Шайба 6.01.08кп.019 ГОСТ 11371-78 | |
| 28 | 310110-20 | Шайба 6.01.08кп.0221 ГОСТ 11371-78 | |
| 29 | 404-10-270-20СП | Установка фары | |
| 29 | 404-10-270СП(SP) | Установка фары | |
| 29 | 404-10-270-10СП | Установка фары | |
| 30 | 3481111139 | Батарея 6СТ-190А | |
| 30 | 3481111138 | Батарея 6СТ-190А | |
| 31 | 2001-10-118СП(SP) | Провод | |
| 31 | 2001-10-118-20СП | Провод | |
| 32 | БолтМ10-6gх30 | Болт М10-6gх30 | |
| 33 | ГайкаМ10 | Гайка М10 | |
| 34 | Шайба10 | Шайба 10 | |
| 35 | 310170 | Шайба 10.01.10.019 ГОСТ 11371-78 | |
| 35 | 310170-20 | Шайба 10.01.10.0221 ГОСТ 11371-78 | |
| 36 | 46-10-113-20 | Стержень | |
| 36 | 46-10-113 | Стержень | |
| 37 | ГайкаМ8 | Гайка | |
| 38 | 2001-10-117СП(SP) | Рамка () | |
| 38 | 2001-10-117-20СП | Рамка | |
| 39 | ТТ2501-10-8 | Прокладка | |
| 39 | ТТ2501-10-8-20 | Прокладка | |
| 40 | ГайкаМ6 | Гайка | |
| 41 | 4573726077 | Фонарь освещения номерного знака | |
| 42 | 700-40-6684-07 | Прокладка | |
| 43 | 700-41-3310 | Хомутик | |
| 44 | 311502-10-147СП(SP) | Жгут |
Содержащиеся в справочниках-каталогах запасные части и детали не предлагаются к продаже, а носят исключительно информационный характер